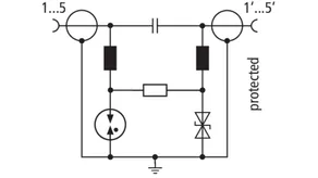
DEHNgate – SPDs for Coaxial Connection

  • Universal surge and combined arresters
  • Maximum discharge capacity for coaxial systems
  • Low voltage protection level also suitable for protecting terminal equipment
  • Extremely durable contact materials

Details

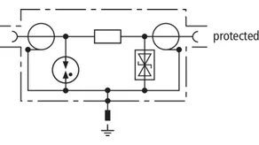
Surge arrester for satellite and broadband cable systems.
lorem ipsum
F connection for 75-ohm systems.
lorem ipsum
Maintenance-free quarter-wave surge arresters for protecting high-frequency applications (e.g. LTE).
lorem ipsum
Coaxial arrester with exchangeable gas capsule.
lorem ipsum

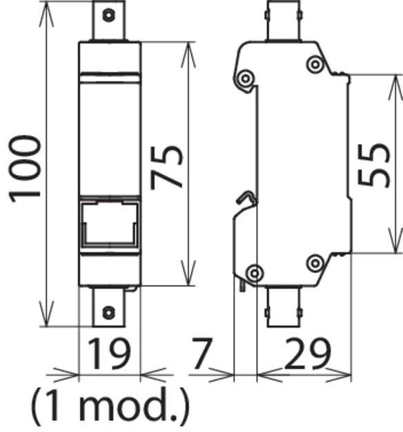
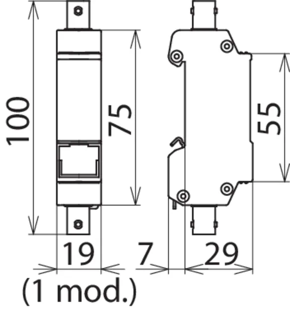
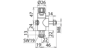
DGA BNC VC

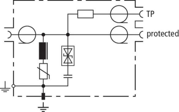
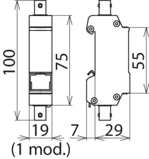
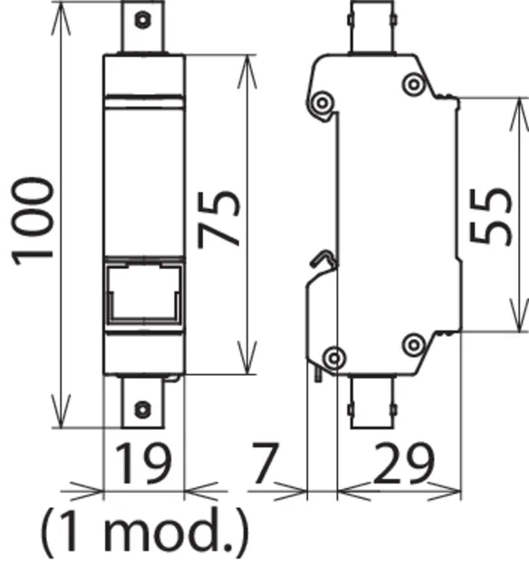
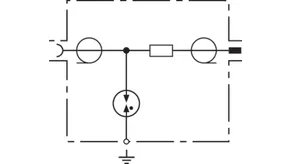
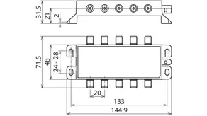
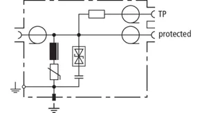
The space-saving surge arrester with BNC socket can be mounted on DIN rails for protecting video and camera systems. Available with direct (VCD) or indirect shield connection (VCID) depending on the type to avoid ground loops.

2 Products

Part No. 909710 DGA BNC VCD

GTIN 4013364118942, Customs tariff No. (EU): 85363010, Gross weight: 126.00 g, PU: 1.00 pc(s)


Images

Additional information

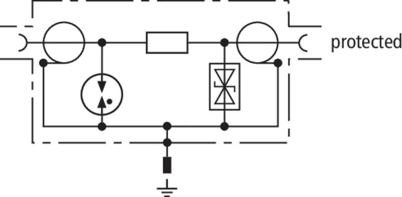
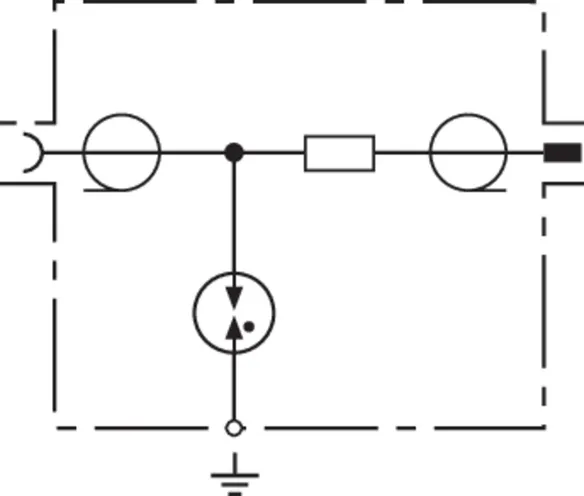
DEHNgate DGA BNC VCD surge arrester with BNC socket connection
DEHNgate surge arrester
SPD class: type 2/P1
Tested to EN 61643-21 for protecting
video systems or Arcnet computer systems
With coaxial BNC socket connection
Shield is always directly earthed
Max. continuous operating voltage (d.c.): 6.4 V
D1 Lightning impulse current (10/350 µs): 1 kA
Frequency range: 0-300 MHz

Brand: DEHN
Type: DGA BNC VCD
Part No.: 909710
or equivalent.

Certificates

 

Technical data

SPD class T
Max. continuous operating voltage (d.c.) (UC ) 6.4 V
Nominal current (IL ) 0.1 A
D1 Lightning impulse current (10/350 µs) (Iimp ) 1 kA
C2 Nominal discharge current (8/20 µs) line-shield (In ) 5 kA
Frequency range 0-300 MHz
Connection (input / output) BNC socket / BNC socket
Approvals CSA, UL

Product 909710 was added to Notepad.

Product 909710 was added to the cart.

Part No. 909711 DGA BNC VCID

GTIN 4013364118980, Customs tariff No. (EU): 85363010, Gross weight: 127.50 g, PU: 1.00 pc(s)


Images

Additional information

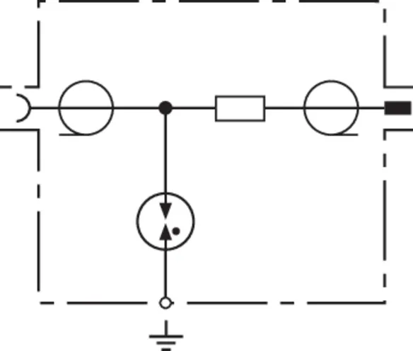
DEHNgate DGA BNC VCID surge arrester with BNC socket connection
DEHNgate surge arrester
SPD class: type 2/P1
Tested to EN 61643-21 for protecting
video systems or Arcnet computer systems
With coaxial BNC socket connection
Shield is earthed indirectly to avoid leakage pick up
Max. continuous operating voltage (d.c.): 6.4 V
D1 Lightning impulse current (10/350 µs): 1 kA
Frequency range: 0-300 MHz

Brand: DEHN
Type: DGA BNC VCID
Part No.: 909711
or equivalent.

Certificates

 

Technical data

SPD class T
Max. continuous operating voltage (d.c.) (UC ) 6.4 V
Nominal current (IL ) 0.1 A
D1 Lightning impulse current (10/350 µs) (Iimp ) 1 kA
C2 Nominal discharge current (8/20 µs) line-shield (In ) 5 kA
Frequency range 0-300 MHz
Connection (input / output) BNC socket / BNC socket
Approvals CSA, UL

Product 909711 was added to Notepad.

Product 909711 was added to the cart.


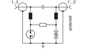
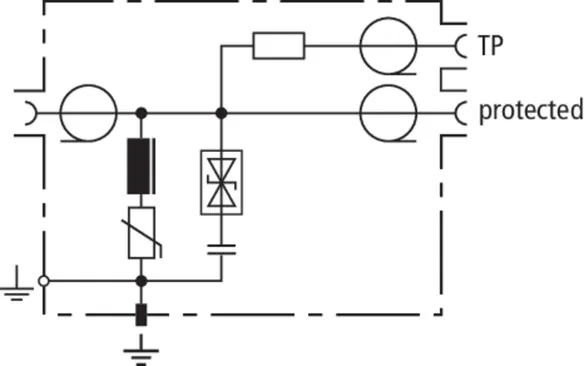
DGA TV

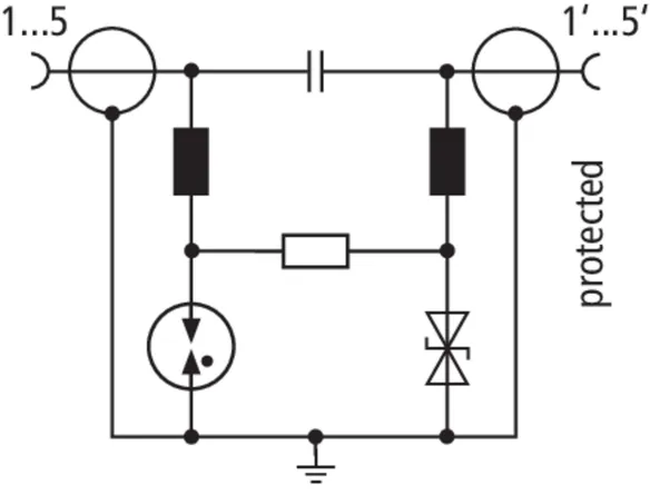
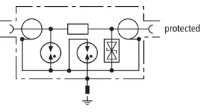
DGA ... TV arresters with F connection for remote supply protect 75-ohm satellite and broadband cable systems and fulfil the high shielding requirements of class A according to EN 50083-2. They allow space-saving installation in all common TV and satellite applications and are available as lightning current arresters, surge arresters and combined lightning current and surge arresters with integrated measuring output for checking the system.

3 Products

Part No. 909703 DGA FF TV

GTIN 4013364085664, Customs tariff No. (EU): 85363010, Gross weight: 233.00 g, PU: 1.00 pc(s)


Images

Additional information

DEHNgate DGA FF TV surge arrester
DEHNgate surge arrester
SPD class: type 3/P1
With integrated measuring / test output for
coaxial 75-ohm TV and SAT systems, tested
to EN 61643-21, energy-coordinated with DGA GF TV
lightning current arrester, suitable for remote
supply, wall-mounted adapter and two F-connectors
included
Class A product
Max. continuous operating voltage (d.c.): 24 V
D1 Lightning impulse current (10/350 µs): 0.2 kA
C2 Nominal discharge current (8/20 µs): 1.5 kA
Frequency range: d.c. / 5-3000 MHz

Brand: DEHN
Type: DGA FF TV
Part No.: 909703
or equivalent.

Certificates

 

Technical data

SPD class {
Max. continuous operating voltage (d.c.) (UC ) 24 V
Nominal current (IL ) 2 A
D1 Lightning impulse current (10/350 µs) (Iimp ) 0.2 kA
C2 Nominal discharge current (8/20 µs) (In ) 1.5 kA
Frequency range d.c. / 5-3000 MHz
Connection (input / output) F socket / F socket

Product 909703 was added to Notepad.

Product 909703 was added to the cart.

Part No. 909704 DGA GF TV

GTIN 4013364105690, Customs tariff No. (EU): 85363010, Gross weight: 85.50 g, PU: 1.00 pc(s)


Images

Additional information

DEHNgate DGA GF TV lightning current arrester
DEHNgate lightning current arrester
SPD class: type 1
For coaxial 75-ohm TV and SAT systems, tested
to EN 61643-21, energy-coordinated with
surge arrester DGA FF TV, suitable for remote
supply, earthing via earthing block, earthing
block and two F-connectors included
Class A product
Max. continuous operating voltage (d.c.): 60 V
D1 Lightning impulse current (10/350 µs): 2.5 kA
C2 Nominal discharge current (8/20 µs): 10 kA
Frequency range: 0-2400 MHz

Brand: DEHN
Type: DGA GF TV
Part No.: 909704
or equivalent.

Certificates

 

Technical data

SPD class H
Max. continuous operating voltage (d.c.) (UC ) 60 V
Nominal current (IL ) 2 A
D1 Lightning impulse current (10/350 µs) (Iimp ) 2.5 kA
C2 Nominal discharge current (8/20 µs) (In ) 10 kA
Frequency range 0-2400 MHz
Connection (input / output) F socket / F plug

Product 909704 was added to Notepad.

Product 909704 was added to the cart.

Part No. 909705 DGA GFF TV

GTIN 4013364105706, Customs tariff No. (EU): 85363010, Gross weight: 282.70 g, PU: 1.00 pc(s)


Images

Additional information

DEHNgate DGA GFF TV combined arrester
DEHNgate combined arrester
SPD class: type 1/P1
With integrated measuring / test output for
coaxial 75-ohm TV and SAT systems, tested
to EN 61643-21 and energy-coordinated acc. to
61643-22, suitable for remote supply, wall-mounted
adapter and two F-connectors included
Class A product
Max. continuous operating voltage (d.c.): 24 V
D1 Lightning impulse current (10/350 µs): 2.5 kA
C2 Nominal discharge current (8/20 µs): 10 kA
Frequency range: d.c. / 5-2400 MHz

Brand: DEHN
Type: DGA GFF TV
Part No.: 909705
or equivalent.

Certificates

 

Technical data

SPD class H{
Max. continuous operating voltage (d.c.) (UC ) 24 V
Nominal current (IL ) 2 A
D1 Lightning impulse current (10/350 µs) (Iimp ) 2.5 kA
C2 Nominal discharge current (8/20 µs) (In ) 10 kA
Frequency range d.c. / 5-2400 MHz
Connection (input / output) F socket / F socket

Product 909705 was added to Notepad.

Product 909705 was added to the cart.


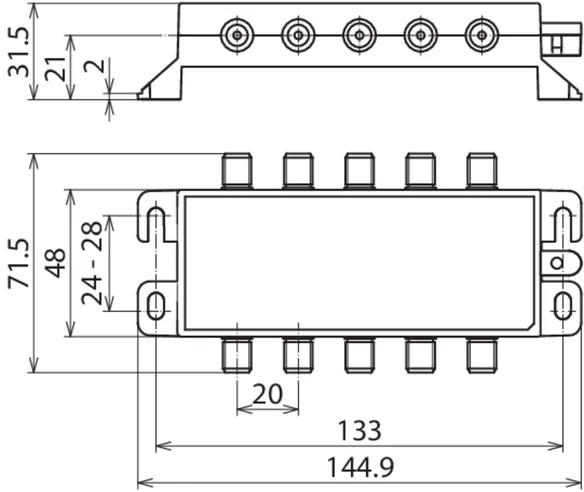
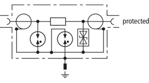
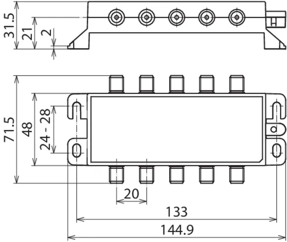
DGA FF5 TV

Five-channel surge arrester for 75-ohm antenna systems. Special design for SAT antenna splitters and multi-switches. The arrester fulfils the shielding requirements of class A acc. to EN 50083-2. Fixing material and EB conductor included in delivery.

1 Product

Part No. 909706 DGA FF5 TV

GTIN 4013364362437, Customs tariff No. (EU): 85363010, Gross weight: 284.00 g, PU: 1.00 pc(s)


Images

Additional information

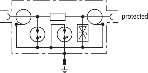
Surge arrester DEHNgate DGA FF5 TV
SPD class Type 2 / P1
Five-channel DEHNgate for
coaxial 75 Ohm TV and SAT
systems, tested acc. to EN 61643-21
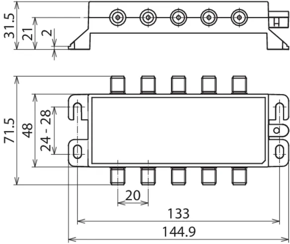
Mounting accessories included
Connection for equipotential bonding on enclosure outside
Class A product
Max. continuous operating voltage (d.c.): 20 V
D1 Lightning impulse current (10/350 µs): 0.5 kA
D1 Total lightning impulse current (10/350 µs): 2.5 kA
C2 Nominal discharge current (8/20 µs): 2.5 kA
C2 Total nominal discharge current (8/20 µs): 10 kA
Frequency range: 47-2200 MHz

Brand: DEHN
Type: DGA FF5 TV
Part No.: 909706
or equivalent.

Certificates

 

Technical data

SPD class T
Max. continuous operating voltage (d.c.) (UC ) 20 V
Nominal current (IL ) 0.4 A
D1 Lightning impulse current (10/350 µs) (Iimp ) 0.5 kA
D1 Total lightning impulse current (10/350 µs) (Iimp ) 2.5 kA
C2 Nominal discharge current (8/20 µs) (In ) 2.5 kA
C2 Total nominal discharge current (8/20 µs) (In ) 10 kA
Frequency range 47-2200 MHz
Connection (input / output) F socket / F socket

Product 909706 was added to Notepad.

Product 909706 was added to the cart.


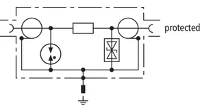
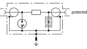
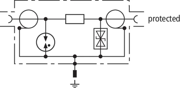
DGA G

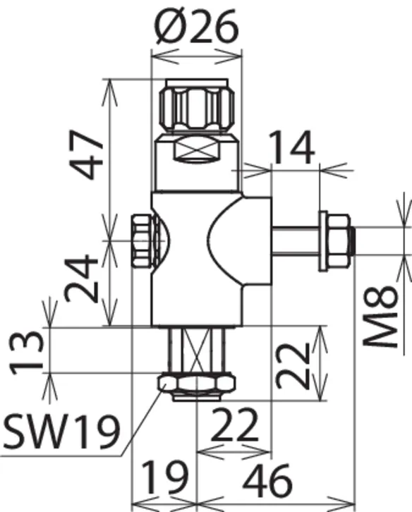
Surge arrester for remote supply with integrated gas discharge tube. Ideally suited for wireless applications for the coaxial interfaces of devices and antennas.
Available with SMA, BNC or N connection for bushing installation.

3 Products

Part No. 929039 DGA G SMA

GTIN 4013364135185, Customs tariff No. (EU): 85363010, Gross weight: 24.00 g, PU: 1.00 pc(s)


Images

Additional information

DEHNgate DGA G SMA surge arrester
DEHNgate surge arrester
SPD class: type 2,
For coaxial 50-ohm antenna systems, tested
to EN 61643-21, suitable for remote supply,
earthing via bushing, firmly integrated coaxial
gas discharge tube
Max. continuous operating voltage (d.c.): 135 V
D1 Lightning impulse current (10/350 µs): 1 kA
C2 Nominal discharge current (8/20 µs): 5 kA
Frequency range: 0-5.8 GHz

Brand: DEHN
Type: DGA G SMA
Part No.: 929039
or equivalent.

Certificates

 

Technical data

SPD class B
Max. continuous operating voltage (d.c.) (UC ) 135 V
Nominal current (IL ) 2 A
Max. transmission capacity 60 W
D1 Lightning impulse current (10/350 µs) (Iimp ) 1 kA
C2 Nominal discharge current (8/20 µs) (In ) 5 kA
Frequency range 0-5.8 GHz
Connection SMA socket / SMA plug

Product 929039 was added to Notepad.

Product 929039 was added to the cart.

Part No. 929042 DGA G BNC

GTIN 4013364091030, Customs tariff No. (EU): 85363010, Gross weight: 39.20 g, PU: 1.00 pc(s)


Images

Additional information

DEHNgate DGA G BNC surge arrester
DEHNgate surge arrester
SPD class: type 2
For coaxial 50-ohm antenna systems, tested
to EN 61643-21, suitable for remote supply,
earthing via bushing, firmly integrated coaxial
gas discharge tube
Max. continuous operating voltage (d.c.): 135 V
D1 Lightning impulse current (10/350 µs): 1 kA
C2 Nominal discharge current (8/20 µs): 5 kA
Frequency range: 0-4 GHz

Brand: DEHN
Type: DGA G BNC
Part No.: 929042
or equivalent.

Certificates

 

Technical data

SPD class B
Max. continuous operating voltage (d.c.) (UC ) 135 V
Nominal current (IL ) 3.5 A
Max. transmission capacity 25 W
D1 Lightning impulse current (10/350 µs) (Iimp ) 1 kA
C2 Nominal discharge current (8/20 µs) (In ) 5 kA
Frequency range 0-4 GHz
Connection BNC socket / BNC plug

Product 929042 was added to Notepad.

Product 929042 was added to the cart.

Part No. 929044 DGA G N

GTIN 4013364091054, Customs tariff No. (EU): 85363010, Gross weight: 86.30 g, PU: 1.00 pc(s)

Predecessor

Images

Additional information

DEHNgate DGA G N surge arrester
DEHNgate surge arrester
SPD class: type 2
For coaxial 50-ohm antenna systems, tested
to EN 61643-21, suitable for remote supply,
earthing via bushing, firmly integrated coaxial
gas discharge tube
Max. continuous operating voltage (d.c.): 135 V
D1 Lightning impulse current (10/350 µs): 1 kA
C2 Nominal discharge current (8/20 µs): 5 kA
Frequency range: 0-5.8 GHz

Brand: DEHN
Type: DGA G N
Part No.: 929044
or equivalent.

Certificates

 

Technical data

SPD class B
Max. continuous operating voltage (d.c.) (UC ) 135 V
Nominal current (IL ) 6 A
Max. transmission capacity 60 W
D1 Lightning impulse current (10/350 µs) (Iimp ) 1 kA
C2 Nominal discharge current (8/20 µs) (In ) 5 kA
Frequency range 0-5.8 GHz
Connection N socket / N plug

Product 929044 was added to Notepad.

Product 929044 was added to the cart.


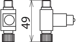
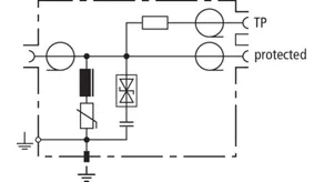
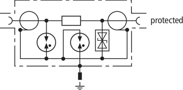
DGA AG

Arrester suitable for remote supply with exchangeable gas discharge tube. Long endurance due to minimum contact erosion resulting from the large-area contact surface of the gas discharge tube.

2 Products

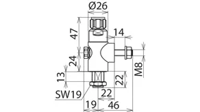
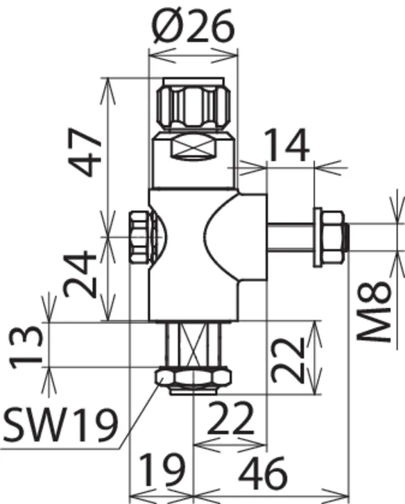
Part No. 929043 DGA AG BNC

GTIN 4013364091047, Customs tariff No. (EU): 85363010, Gross weight: 89.60 g, PU: 1.00 pc(s)


Images

Additional information

DEHNgate DGA AG BNC lightning current arrester
DEHNgate lightning current arrester
SPD class: type 1
For coaxial 50-ohm antenna systems,
tested to EN 61643-21, suitable for remote
supply, earthing via bushing, guiding gasket for
exchangeable gas discharge tube
Max. continuous operating voltage (d.c.): 180 V
D1 Lightning impulse current (10/350 µs): 5 kA
C2 Nominal discharge current (8/20 µs): 20 kA
Frequency range: 0-1 GHz

Brand: DEHN
Type: DGA AG BNC
Part No.: 929043
or equivalent.

Certificates

 

Technical data

SPD class A
Max. continuous operating voltage (d.c.) (UC ) 180 V
Nominal current (IL ) 3.5 A
Max. transmission capacity 150 W
D1 Lightning impulse current (10/350 µs) (Iimp ) 5 kA
C2 Nominal discharge current (8/20 µs) (In ) 20 kA
Frequency range 0-1 GHz
Connection BNC socket / BNC plug

Product 929043 was added to Notepad.

Product 929043 was added to the cart.

Part No. 929045 DGA AG N

GTIN 4013364091061, Customs tariff No. (EU): 85363010, Gross weight: 266.00 g, PU: 1.00 pc(s)


Images

Additional information

DEHNgate DGA AG N lightning current arrester
DEHNgate lightning current arrester
SPD class: type 1
For coaxial 50-ohm antenna systems,
tested to EN 61643-21, suitable for remote
supply, earthing via bushing or earthing screw,
guiding gasket for exchangeable gas discharge tube
Max. continuous operating voltage (d.c.): 180 V
D1 Lightning impulse current (10/350 µs): 5 kA
C2 Nominal discharge current (8/20 µs): 20 kA
Frequency range: 0-2.5 GHz

Brand: DEHN
Type: DGA AG N
Part No.: 929045
or equivalent.

Certificates

 

Technical data

SPD class A
Max. continuous operating voltage (d.c.) (UC ) 180 V
Nominal current (IL ) 6 A
Max. transmission capacity 150 W
D1 Lightning impulse current (10/350 µs) (Iimp ) 5 kA
C2 Nominal discharge current (8/20 µs) (In ) 20 kA
Frequency range 0-2.5 GHz
Connection N socket / N plug

Product 929045 was added to Notepad.

Product 929045 was added to the cart.


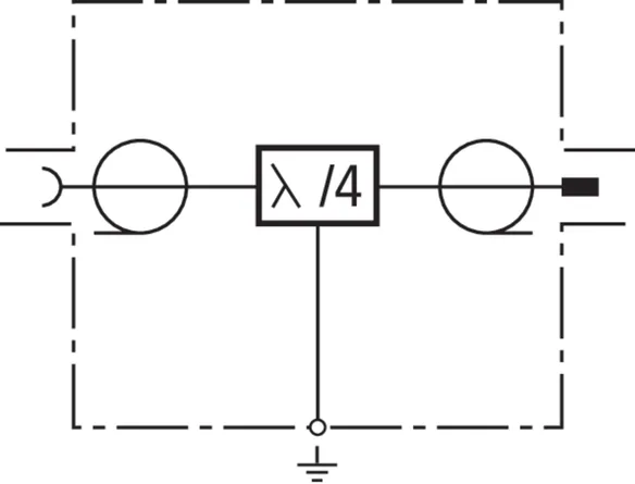
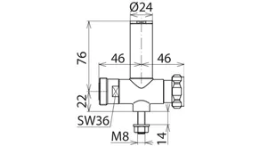
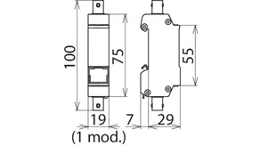
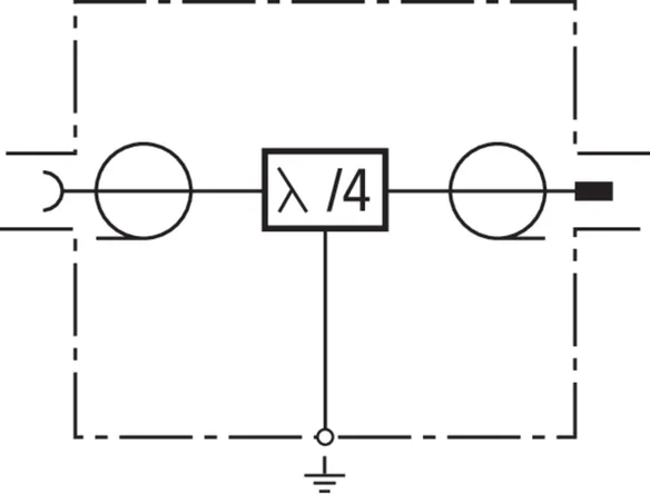
DGA LG

Quarter-wave arrester with spark gap for remote supply protects multi-frequency applications (multi-carrier systems) due to minimum passive intermodulation. Broadband device for all 4+3G and LTE services.

1 Product

Part No. 929146 DGA LG 7 16 MFA

GTIN 4013364157156, Customs tariff No. (EU): 85363010, Gross weight: 493.00 g, PU: 1.00 pc(s)

Predecessor

Images

Additional information

DEHNgate DGA LG 7 16 MFA lightning current arrester
DEHNgate lightning current arrester
SPD class: type 1
for coaxial 50-ohm antenna systems, tested
to EN 61643-21, suitable for remote supply,
maintenance-free quarterwave technology
specifically for multi-carrier applications,
for3+4G and LTE services
Max. continuous operating voltage (d.c.): 65 V
D1 Lightning impulse current (10/350 µs): 5 kA
C2 Nominal discharge current (8/20 µs): 20 kA
Frequency range: 690 MHz-2.7 GHz

Brand: DEHN
Type: DGA LG 7 16 MFA
Part No.: 929146
or equivalent.

Certificates

 

Technical data

SPD class A
Max. continuous operating voltage (d.c.) (UC ) 65 V
Nominal current (IL ) 13 A
Max. transmission capacity 1500 W
D1 Lightning impulse current (10/350 µs) (Iimp ) 5 kA
C2 Nominal discharge current (8/20 µs) (In ) 20 kA
Frequency range 690 MHz-2.7 GHz
Connection 7/16 socket / 7/16 plug

Product 929146 was added to Notepad.

Product 929146 was added to the cart.


DGA L4

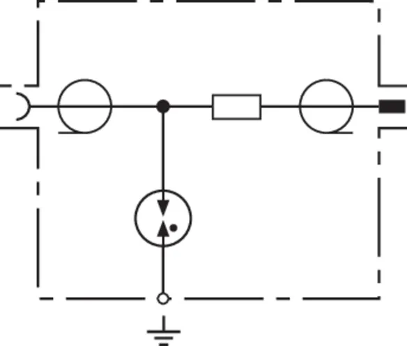
Combined lightning current and surge arrester with maintenance-free quarter-wave technology for multi-frequency applications (multi-carrier systems). The arrester is also capable of discharging high partial lightning currents. No remote supply as the arrester represents an electrical short-circuit for low-frequency signals. Broadband device for all 4+3G services.

2 Products

Part No. 929047 DGA L4 7 16 S

GTIN 4013364091085, Customs tariff No. (EU): 85363010, Gross weight: 467.00 g, PU: 1.00 pc(s)


Images

Additional information

DEHNgate DGA L4 7 16 S combined arrester
Combined lightning current and surge arrester
DEHNgate, SPD class TYPE 1/P1, for coaxial
50 Ohm antenna systems, tested acc.
to EN 61643-21, constructed in maintenance-free
quarterwave technology with very low intermo-
dulation loss, high endurably by CuBe-socket and
nickel free 3-metallization, earthing by earthing
screw

Max. continuous operating voltage (d.c.): 0 V
D1 Lightning impulse current (10/350 µs): 25 kA
C2 Nominal discharge current (8/20 µs): 50 kA
Frequency range: 380-512 MHz

Brand: DEHN
Type: DGA L4 7 16 S
Part No.: 929047
or equivalent.

Certificates

 

Technical data

SPD class M
Max. continuous operating voltage (d.c.) (UC ) 0 V
Nominal current (IL ) 0 A
Max. transmission capacity 3000 W
D1 Lightning impulse current (10/350 µs) (Iimp ) 25 kA
C2 Nominal discharge current (8/20 µs) (In ) 50 kA
Frequency range 380-512 MHz
Connection 7/16 socket / 7/16 plug

Product 929047 was added to Notepad.

Product 929047 was added to the cart.

Part No. 929148 DGA L4 7 16 MFA

GTIN 4013364157163, Customs tariff No. (EU): 85363010, Gross weight: 476.00 g, PU: 1.00 pc(s)

Predecessor

Images

Additional information

DEHNgate DGA L4 7 16 MFA combined arrester
DEHNgate combined arrester
SPD class: type 1/P1
For coaxial 50-ohm antenna systems, tested
to EN 61643-21, maintenance-free quarterwave
technology specifically for multi-carrier applications,
with minimal passive intermodulation,
particularly broadband for all 3+4G and LTE services,
earthing via bushing or earthing screw
Max. continuous operating voltage (d.c.): 0 V
D1 Lightning impulse current (10/350 µs): 40 kA
C2 Nominal discharge current (8/20 µs): 80 kA
Frequency range: 690 MHz-2.7 GHz

Brand: DEHN
Type: DGA L4 7 16 MFA
Part No.: 929148
or equivalent.

Certificates

 

Technical data

SPD class M
Max. continuous operating voltage (d.c.) (UC ) 0 V
Nominal current (IL ) 0 A
Max. transmission capacity 1500 W
D1 Lightning impulse current (10/350 µs) (Iimp ) 40 kA
C2 Nominal discharge current (8/20 µs) (In ) 80 kA
Frequency range 690 MHz-2.7 GHz
Connection 7/16 socket / 7/16 plug

Product 929148 was added to Notepad.

Product 929148 was added to the cart.


back to top