DEHNbloc Maxi 440 / 760

  • Spark-gap-based lightning current arrester
  • Extremely high lightning current discharge capacity
  • High follow current extinguishing capability and limitation due RADAX Flow technology
  • Directly coordinated with DEHNguard surge protective devices without additional cable length
  • Operating state / fault indication by green / red indicator flag in the inspection window

Details

lorem ipsum

DEHNbloc Maxi 1 440 (FM)

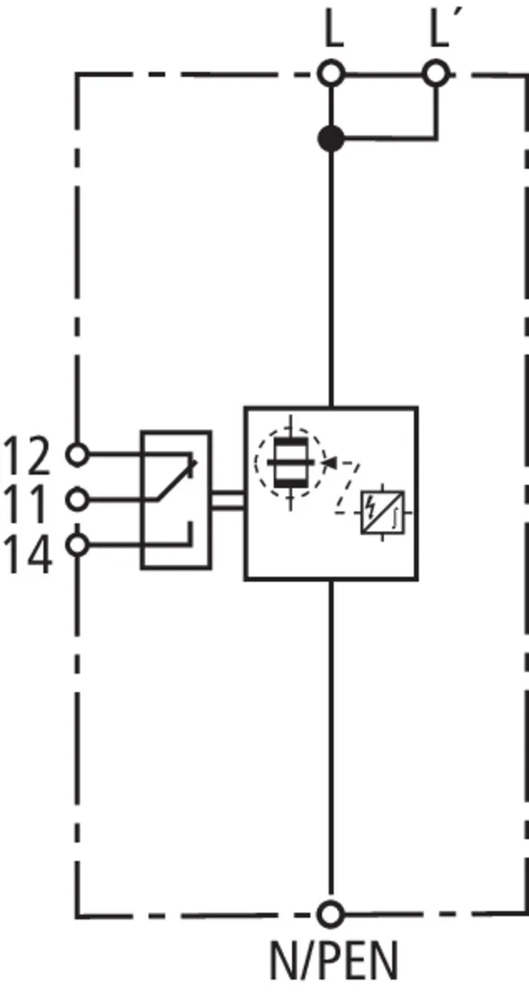
Coordinated single-pole lightning current arrester for use in 400 / 690 V systems; FM version with floating remote signalling contact.

2 Products

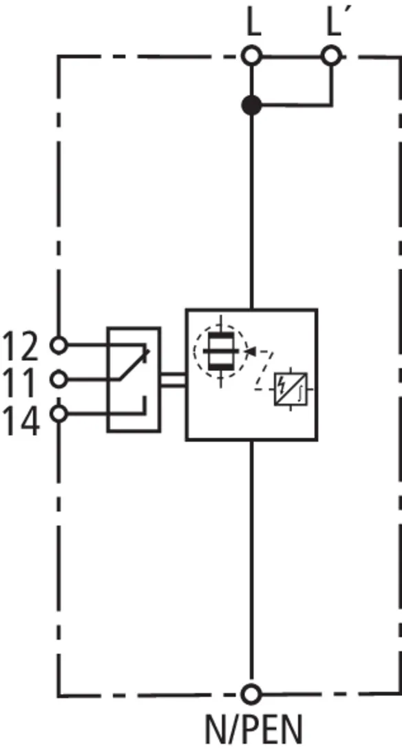
Part No. 961140 DBM 1 440

GTIN 4013364116269, Customs tariff No. (EU): 85363090, Gross weight: 592.00 g, PU: 1.00 pc(s)

Predecessor

Images

Additional information

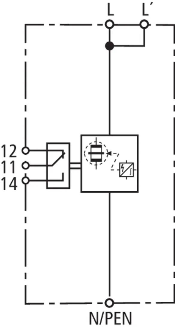
Coordinated DEHNbloc Maxi 1 440 lightning current arrester
Coordinated single-pole lightning current arrester,
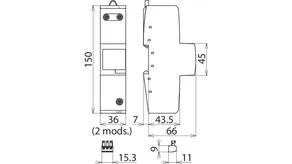
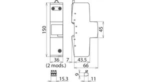
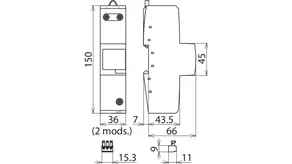
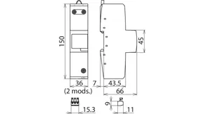
width: 2 mod.
Type 1 SPD according to EN 61643-11
RADAX Flow spark gap technology
for follow current limitation
Fault indication
Max. continuous operating voltage: 440 V a.c.
Voltage protection level: <= 2.5 kV
Lightning impulse current (10/350 µs): 35 kA
Follow current extinguishing capability: up to 100 kArms
Energy-coordinated according to IEC 62305-4
with arresters of the Red/Line series

Brand: DEHN
Type: DBM 1 440
Part No.: 961140
or equivalent.

Certificates

 

Wave breaker function

In the case of spark-gap-based type 1 arresters, the entire current flows through the type 1 arrester during the discharge process. Like a wave breaker, the incoming energy is greatly broken down, which significantly relieves the downstream SPDs. All type 1 arresters in the Red/Line product range feature the WBF wave breaker function.

Technical data

SPD according to EN 61643-11 / IEC 61643-11 type 1 / class I
Max. continuous operating voltage (a.c.) (UC ) 440 V
Lightning impulse current (10/350 µs) (Iimp ) 35 kA
Voltage protection level (UP ) ≤ 2.5 kV
Max. backup fuse (L) up to IK = 50 kArms (ta ≤ 0.2 s) 500 A gG
Max. backup fuse (L) up to IK = 50 kArms (ta ≤ 5 s) 250 A gG
Approvals UL, CSA

Product 961140 was added to Notepad.

Product 961140 was added to the cart.

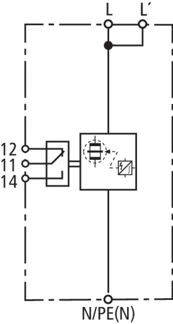
Part No. 961145 DBM 1 440 FM

GTIN 4013364116276, Customs tariff No. (EU): 85363090, Gross weight: 601.60 g, PU: 1.00 pc(s)

Predecessor

Images

Additional information

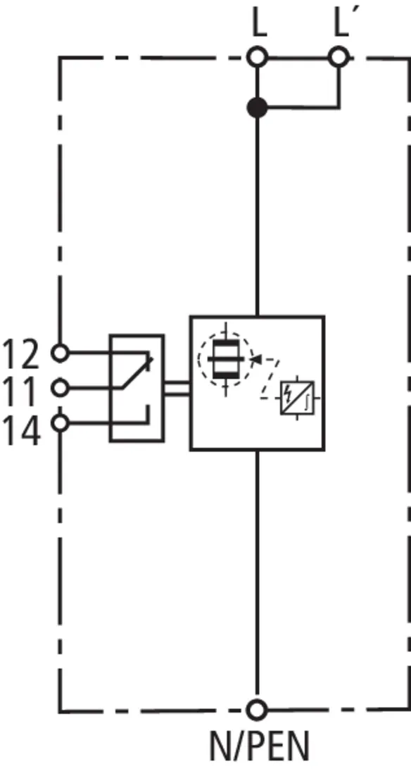
Coordinated DEHNblocMaxi1 440 FM lightning current arrester
Coordinated single-pole lightning current arrester
Width: 2 mod.
Type 1 SPD according to EN 61643-11
with remote signalling contact
RADAX Flow spark gap technology
for follow current limitation
Fault indication
Max. continuous operating voltage: 440 V a.c.
Voltage protection level: <= 2.5 kV
Lightning impulse current (10/350 µs): 35 kA
Follow current extinguishing capability: up to 100 kArms
Energy-coordinated according to IEC 62305-4
with arresters of the Red/Line series

Brand: DEHN
Type: DBM 1 440 FM
Part No.: 961145
or equivalent.

Certificates

 

Wave breaker function

In the case of spark-gap-based type 1 arresters, the entire current flows through the type 1 arrester during the discharge process. Like a wave breaker, the incoming energy is greatly broken down, which significantly relieves the downstream SPDs. All type 1 arresters in the Red/Line product range feature the WBF wave breaker function.

Technical data

SPD according to EN 61643-11 / IEC 61643-11 type 1 / class I
Max. continuous operating voltage (a.c.) (UC ) 440 V
Lightning impulse current (10/350 µs) (Iimp ) 35 kA
Voltage protection level (UP ) ≤ 2.5 kV
Max. backup fuse (L) up to IK = 50 kArms (ta ≤ 0.2 s) 500 A gG
Max. backup fuse (L) up to IK = 50 kArms (ta ≤ 5 s) 250 A gG
Approvals UL, CSA
Type of remote signalling contact changeover contact

Product 961145 was added to Notepad.

Product 961145 was added to the cart.


DEHNbloc Maxi 1 760 FM

Coordinated single-pole lightning current arrester for use in 690 V systems; with remote signalling contact for monitoring device (floating changeover contact).

1 Product

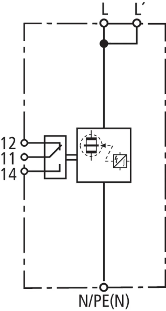
Part No. 961175 DBM 1 760 FM

GTIN 4013364116283, Customs tariff No. (EU): 85363090, Gross weight: 589.80 g, PU: 1.00 pc(s)


Images

Additional information

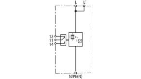
Coordinated DEHNblocMaxi1 760 FM lightning current arrester
Coordinated single-pole lightning current arrester
Width: 2 mod.
Type 1 SPD according to EN 61643-11
with remote signalling contact
RADAX Flow spark gap technology
for follow current limitation
Fault indication
Max. continuous operating voltage: 760 V a.c.
Voltage protection level: <= 4 kV
Lightning impulse current (10/350 µs): 25 kA
Follow current extinguishing capability: up to 25 kArms
Energy-coordinated according to IEC 62305-4
with arresters of the Red/Line series

Brand: DEHN
Type: DBM 1 760 FM
Part No.: 961175
or equivalent.

Certificates

 

Wave breaker function

In the case of spark-gap-based type 1 arresters, the entire current flows through the type 1 arrester during the discharge process. Like a wave breaker, the incoming energy is greatly broken down, which significantly relieves the downstream SPDs. All type 1 arresters in the Red/Line product range feature the WBF wave breaker function.

Technical data

SPD according to EN 61643-11 / IEC 61643-11 type 1 / class I
Max. continuous operating voltage (a.c.) (UC ) 760 V
Lightning impulse current (10/350 µs) (Iimp ) 25 kA
Voltage protection level (UP ) ≤ 4 kV
Max. backup fuse (L) up to IK = 25 kArms (ta ≤ 5 s) 250 A gG
Approvals UL, CSA
Type of remote signalling contact changeover contact

Product 961175 was added to Notepad.

Product 961175 was added to the cart.


DEHNbloc Maxi 1 440 SN1885 FM

1 Product

Part No. 961148 DBM 1 440 SN1885 FM

GTIN 4013364475953, Customs tariff No. (EU): 85363090, Gross weight: 601.00 g, PU: 1.00 pc(s)


Images

Additional information



Brand: DEHN
Type: DBM 1 440 SN1885 FM
Part No.: 961148
or equivalent.

Certificates

 

Wave breaker function

In the case of spark-gap-based type 1 arresters, the entire current flows through the type 1 arrester during the discharge process. Like a wave breaker, the incoming energy is greatly broken down, which significantly relieves the downstream SPDs. All type 1 arresters in the Red/Line product range feature the WBF wave breaker function.

Technical data

SPD according to EN 61643-11 / IEC 61643-11 type 1 / class I
Max. continuous operating voltage (a.c.) (UC ) 440 V
Lightning impulse current (10/350 µs) (Iimp ) 35 kA
Voltage protection level (UP ) ≤ 2.5 kV
Max. backup fuse (L) up to IK = 50 kArms (ta ≤ 0.2 s) 500 A gG
Max. backup fuse (L) up to IK = 50 kArms (ta ≤ 5 s) 250 A gG
Type of remote signalling contact changeover contact

Product 961148 was added to Notepad.

Product 961148 was added to the cart.


back to top