Fangmaste für HVI light Leitung auf Flachdächern

Fangmast komplett mit Vierfach-Anschlussplatte für die HVI light Leitung und Befestigungsset zur Montage der Leitung am Fangmast.
Mit Anpassung an die Dachneigung bis max. 10°.
Die Betonsockel (Gewicht 17 kg) und die Unterlegplatten sind separat zu bestellen.

Fangmast 30 für HVI light Leitung SET I 2300 mm Gesamthöhe

1 Product

Part No. 819282 FM D30 L2300 DBS R320 GFK AL STTZN

GTIN 4013364252073, Customs tariff No. (EU): 85389099, Gross weight: 4.73 kg, PU: 1.00 Stk.

Predecessor

Images

Additional information

Fangmaste für HVI light Leitung auf Flachdächer
komplett mit 4-fach Anschlussplatte für die
HVI light Leitung und Befestigungsset zur Montage
der Leitung am Fangmast.
Zum Einhalten des Trennungsabstand zu elektrisch
leitenden Teilen nach DIN EN 62305-3 (VDE 0185-305-3)
Isolierstrecke aus glasfaserverstärktem Kunststoff (GFK)
Rohr Ø30 mm
Materialfaktor km = 0,7
Farbe lichtgrau, UV-stabilisiert
Fangmaste dimensioniert nach
Eurocode 1 (DIN EN 1991-1-4 + DIN EN 1991-1-4/NA)
Anpassung an die Dachneigung bis max. 10 Grad
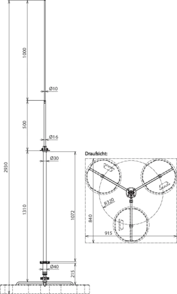
Fangmast 30 für HVI light Leitung SET I
Höhe gesamt 2300 mm
Der stapelbare Betonsockel (Art.-Nr. 102 010) und die
Unterlegplatte (Art.-Nr. 102 050) sind separat zu
bestellen.
Höhe: 2300 mm
Werkstoff Stativ: St/tZn
Radius Stativ: 320 mm
Werkstoff Stützrohr: GFK / Al
Länge Stützrohr: 1300 mm
Isolierstrecke: 1095 mm
Länge Fangspitze: 1000 mm
Werkstoff Fangspitze: NIRO
Max. Böenwindgeschwindigkeit bei 3 Sockeln à 17 kg, 2x HVI light außen: 149 km/h
Normenbezug: DIN IEC/TS 62561-8 (VDE V 0185-561-8)

Fabrikat: DEHN
Typ: FM D30 L2300 DBS R320 GFK AL STTZN
Art.-Nr.: 819282
oder gleichwertig.

Certificates

 

Technical data

Werkstoff Stativ St/tZn
Radius Stativ 320 mm
Werkstoff Stützrohr GFK / Al
Länge Stützrohr 1300 mm
Isolierstrecke 1095 mm
Länge Fangspitze 1000 mm
Werkstoff Fangspitze NIRO
Max. Böenwindgeschwindigkeit bei 3 Sockeln à 17 kg, 2x HVI light außen 149 km/h
Normenbezug DIN IEC/TS 62561-8 (VDE V 0185-561-8)

Product 819282 was added to Notepad.

Product 819282 was added to the cart.


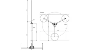
Fangmast 30 für HVI light Leitung SET II 2800 mm Gesamthöhe

1 Product

Part No. 819287 FM D30 L2800 DBS R320 GFK AL STTZN

GTIN 4013364252097, Customs tariff No. (EU): 85389099, Gross weight: 4.59 kg, PU: 1.00 Stk.

Predecessor

Images

Additional information

Fangmaste für HVI light Leitung auf Flachdächer
komplett mit 4-fach Anschlussplatte für die
HVI light Leitung und Befestigungsset zur Montage
der Leitung am Fangmast.
Zum Einhalten des Trennungsabstand zu elektrisch
leitenden Teilen nach DIN EN 62305-3 (VDE 0185-305-3)
Isolierstrecke aus glasfaserverstärktem Kunststoff (GFK)
Rohr Ø30 mm
Materialfaktor km = 0,7
Farbe lichtgrau, UV-stabilisiert
Fangmaste dimensioniert nach
Eurocode 1 (DIN EN 1991-1-4 + DIN EN 1991-1-4/NA).
Anpassung an die Dachneigung bis max. 10 Grad
Fangmast D 30 für HVI light Leitung SET II
Höhe gesamt 2800 mm
Der stapelbare Betonsockel (Art.-Nr. 102 010) und die
Unterlegplatte (Art.-Nr. 102 050) sind separat zu
bestellen.
Höhe: 2800 mm
Werkstoff Stativ: St/tZn
Radius Stativ: 320 mm
Werkstoff Stützrohr: GFK / Al
Länge Stützrohr: 1300 mm
Isolierstrecke: 1095 mm
Länge Fangspitze: 1500 mm
Werkstoff Fangspitze: Al
Max. Böenwindgeschwindigkeit bei 3 Sockeln à 17 kg, 2x HVI light außen: 132 km/h
Normenbezug: DIN IEC/TS 62561-8 (VDE V 0185-561-8)

Fabrikat: DEHN
Typ: FM D30 L2800 DBS R320 GFK AL STTZN
Art.-Nr.: 819287
oder gleichwertig.

Certificates

 

Technical data

Werkstoff Stativ St/tZn
Radius Stativ 320 mm
Werkstoff Stützrohr GFK / Al
Länge Stützrohr 1300 mm
Isolierstrecke 1095 mm
Länge Fangspitze 1500 mm
Werkstoff Fangspitze Al
Max. Böenwindgeschwindigkeit bei 3 Sockeln à 17 kg, 2x HVI light außen 132 km/h
Normenbezug DIN IEC/TS 62561-8 (VDE V 0185-561-8)

Product 819287 was added to Notepad.

Product 819287 was added to the cart.


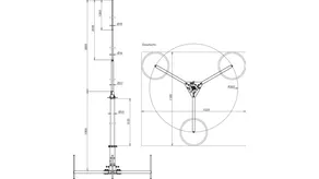
Fangmast 50 für HVI light Leitung SET I 2900 mm Gesamthöhe

1 Product

Part No. 819380 FM D50 10 2900 GFK AL DBS KB STTZN

GTIN 4013364241916, Customs tariff No. (EU): 85389099, Gross weight: 13.88 kg, PU: 1.00 Stk.

Predecessor

Images

Additional information

Fangmaste für HVI light Leitung auf Flachdächer
komplett mit 4-fach Anschlussplatte für die
HVI light Leitung und Befestigungsset zur Montage
der Leitung am Fangmast.
Zum Einhalten des Trennungsabstand zu elektrisch
leitenden Teilen nach DIN EN 62305-3 (VDE 0185-305-3)
Isolierstrecke aus glasfaserverstärktem Kunststoff (GFK)
Rohr Ø50 mm
Materialfaktor km = 0,7
Farbe lichtgrau, UV-stabilisiert
Die Fangmaste sind nach
Eurocode 1 (DIN EN 1991-1-4 + DIN EN 1991-1-4/NA) für eine
max. Böenwindgeschwindigkeit von 203 km/h dimensioniert.
Anpassung an die Dachneigung bis max. 10 Grad
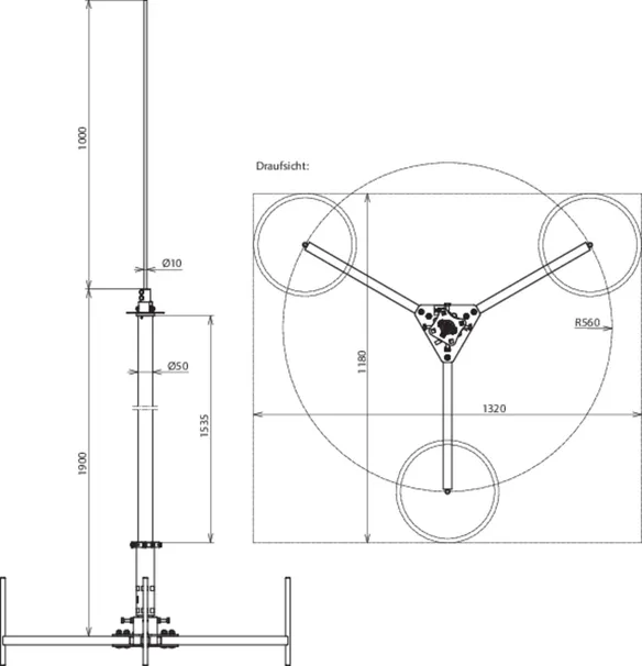
Fangmast 50 für HVI light Leitung SET I
Höhe gesamt 2900 mm
Der stapelbare Betonsockel (Art.-Nr. 102 010) und die
Unterlegplatte (Art.-Nr. 102 050) sind separat zu bestellen.
Höhe: 2900 mm
Werkstoff Stativ: St/tZn
Radius Stativ: 560 mm
Werkstoff Stützrohr: GFK / Al
Länge Stützrohr: 1900 mm
Isolierstrecke: 1535 mm
Länge Fangspitze: 1000 mm
Werkstoff Fangspitze: NIRO
Max. Böenwindgeschwindigkeit bei 3 Sockeln à 17 kg, 2x HVI light außen: 121 km/h
Max. Böenwindgeschwindigkeit bei 6 Sockeln à 17 kg, 2x HVI light außen: 166 km/h
Max. Böenwindgeschwindigkeit bei 9 Sockeln à 17 kg, 2x HVI light außen: 203 km/h
Normenbezug: DIN IEC/TS 62561-8 (VDE V 0185-561-8)

Fabrikat: DEHN
Typ: FM D50 10 2900 GFK AL DBS KB STTZN
Art.-Nr.: 819380
oder gleichwertig.

Certificates

 

Technical data

Werkstoff Stativ St/tZn
Radius Stativ 560 mm
Werkstoff Stützrohr GFK / Al
Länge Stützrohr 1900 mm
Isolierstrecke 1535 mm
Länge Fangspitze 1000 mm
Werkstoff Fangspitze NIRO
Max. Böenwindgeschwindigkeit bei 3 Sockeln à 17 kg, 2x HVI light außen 121 km/h
Max. Böenwindgeschwindigkeit bei 6 Sockeln à 17 kg, 2x HVI light außen 166 km/h
Max. Böenwindgeschwindigkeit bei 9 Sockeln à 17 kg, 2x HVI light außen 203 km/h
Normenbezug DIN IEC/TS 62561-8 (VDE V 0185-561-8)

Product 819380 was added to Notepad.

Product 819380 was added to the cart.


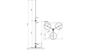
Fangmast 50 für HVI light Leitung SET II 3900 mm Gesamthöhe

1 Product

Part No. 819385 FM D50 16 10 3900 GFK AL DBS KB STTZN

GTIN 4013364241923, Customs tariff No. (EU): 85389099, Gross weight: 13.99 kg, PU: 1.00 Stk.

Predecessor

Images

Additional information

Fangmaste für HVI light Leitung auf Flachdächer
komplett mit 4-fach Anschlussplatte für die
HVI light Leitung und Befestigungsset zur Montage
der Leitung am Fangmast.
Zum Einhalten des Trennungsabstand zu elektrisch
leitenden Teilen nach DIN EN 62305-3 (VDE 0185-305-3)
Isolierstrecke aus glasfaserverstärktem Kunststoff (GFK)
Rohr Ø50 mm
Materialfaktor km = 0,7
Farbe lichtgrau, UV-stabilisiert
Die Fangmaste sind nach
Eurocode 1 (DIN EN 1991-1-4 + DIN EN 1991-1-4/NA) für eine
max. Böenwindgeschwindigkeit von 179 km/h dimensioniert.
Anpassung an die Dachneigung bis max. 10 Grad
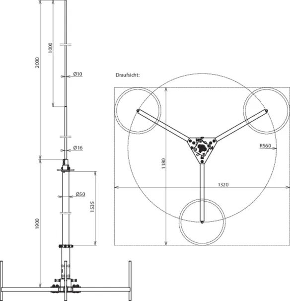
Fangmast 50 für HVI light Leitung SET II
Höhe gesamt 3900 mm
Der stapelbare Betonsockel (Art.-Nr. 102 010) und die
Unterlegplatte (Art.-Nr. 102 050) sind separat zu bestellen.
Höhe: 3900 mm
Werkstoff Stativ: St/tZn
Radius Stativ: 560 mm
Werkstoff Stützrohr: GFK / Al
Länge Stützrohr: 1900 mm
Isolierstrecke: 1535 mm
Länge Fangstange: 2000 mm
Werkstoff Fangstange: Al
Max. Böenwindgeschwindigkeit bei 3 Sockeln à 17 kg, 2x HVI light außen: 110 km/h
Max. Böenwindgeschwindigkeit bei 6 Sockeln à 17 kg, 2x HVI light außen: 147 km/h
Max. Böenwindgeschwindigkeit bei 9 Sockeln à 17 kg, 2x HVI light außen: 179 km/h
Normenbezug: DIN IEC/TS 62561-8 (VDE V 0185-561-8)

Fabrikat: DEHN
Typ: FM D50 16 10 3900 GFK AL DBS KB STTZN
Art.-Nr.: 819385
oder gleichwertig.

Certificates

 

Technical data

Werkstoff Stativ St/tZn
Radius Stativ 560 mm
Werkstoff Stützrohr GFK / Al
Länge Stützrohr 1900 mm
Isolierstrecke 1535 mm
Länge Fangstange 2000 mm
Werkstoff Fangstange Al
Max. Böenwindgeschwindigkeit bei 3 Sockeln à 17 kg, 2x HVI light außen 110 km/h
Max. Böenwindgeschwindigkeit bei 6 Sockeln à 17 kg, 2x HVI light außen 147 km/h
Max. Böenwindgeschwindigkeit bei 9 Sockeln à 17 kg, 2x HVI light außen 179 km/h
Normenbezug DIN IEC/TS 62561-8 (VDE V 0185-561-8)

Product 819385 was added to Notepad.

Product 819385 was added to the cart.


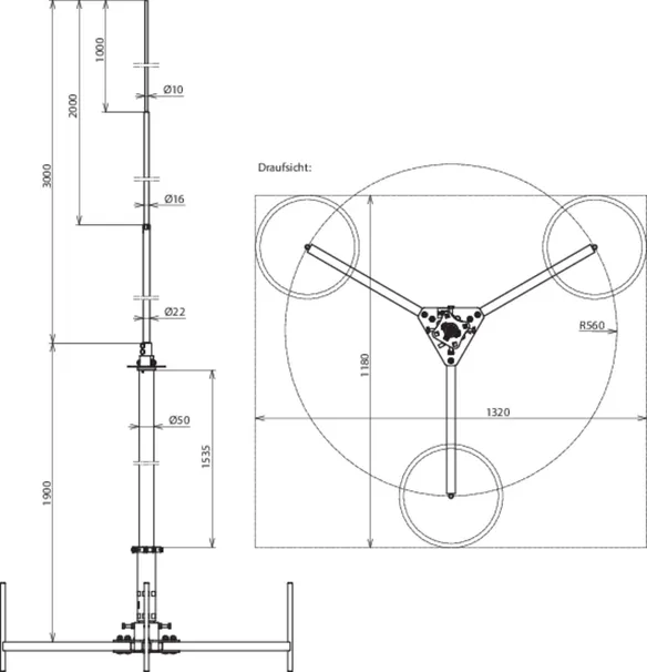
Fangmast 50 für HVI light Leitung SET III 4900 mm Gesamthöhe

1 Product

Part No. 819390 FM D50 22 16 10 4900 GFK AL DBS KB STTZN

GTIN 4013364241930, Customs tariff No. (EU): 85389099, Gross weight: 13.27 kg, PU: 1.00 Stk.


Images

Additional information

Fangmaste für HVI light Leitung auf Flachdächer
komplett mit 4-fach Anschlussplatte für die
HVI light Leitung und Befestigungsset zur Montage
der Leitung am Fangmast.
Zum Einhalten des Trennungsabstand zu elektrisch
leitenden Teilen nach DIN EN 62305-3 (VDE 0185-305-3)
Isolierstrecke aus glasfaserverstärktem Kunststoff (GFK)
Rohr Ø50 mm
Materialfaktor km = 0,7
Farbe lichtgrau, UV-stabilisiert
Die Fangmaste sind nach
Eurocode 1 (DIN EN 1991-1-4 + DIN EN 1991-1-4/NA) für eine
max. Böenwindgeschwindigkeit von 147 km/h dimensioniert.
Anpassung an die Dachneigung bis max. 10 Grad
Fangmast 50 für HVI light Leitung SET III
Höhe gesamt 4900 mm
Der stapelbare Betonsockel (Art.-Nr. 102 010) und die
Unterlegplatte (Art.-Nr. 102 050) sind separat zu bestellen.
Höhe: 4900 mm
Werkstoff Stativ: St/tZn
Radius Stativ: 560 mm
Werkstoff Stützrohr: GFK / Al
Länge Stützrohr: 1900 mm
Isolierstrecke: 1535 mm
Länge Fangstange: 3000 mm
Werkstoff Fangstange: Al
Max. Böenwindgeschwindigkeit bei 3 Sockeln à 17 kg, 2x HVI light außen: 97 km/h
Max. Böenwindgeschwindigkeit bei 6 Sockeln à 17 kg, 2x HVI light außen: 124 km/h
Max. Böenwindgeschwindigkeit bei 9 Sockeln à 17 kg, 2x HVI light außen: 147 km/h
Normenbezug: DIN IEC/TS 62561-8 (VDE V 0185-561-8)

Fabrikat: DEHN
Typ: FM D50 22 16 10 4900 GFK AL DBS KB STTZN
Art.-Nr.: 819390
oder gleichwertig.

Certificates

 

Technical data

Werkstoff Stativ St/tZn
Radius Stativ 560 mm
Werkstoff Stützrohr GFK / Al
Länge Stützrohr 1900 mm
Isolierstrecke 1535 mm
Länge Fangstange 3000 mm
Werkstoff Fangstange Al
Max. Böenwindgeschwindigkeit bei 3 Sockeln à 17 kg, 2x HVI light außen 97 km/h
Max. Böenwindgeschwindigkeit bei 6 Sockeln à 17 kg, 2x HVI light außen 124 km/h
Max. Böenwindgeschwindigkeit bei 9 Sockeln à 17 kg, 2x HVI light außen 147 km/h
Normenbezug DIN IEC/TS 62561-8 (VDE V 0185-561-8)

Product 819390 was added to Notepad.

Product 819390 was added to the cart.


back to top