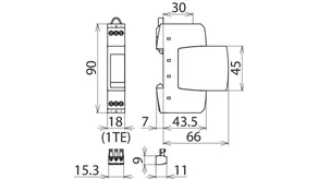
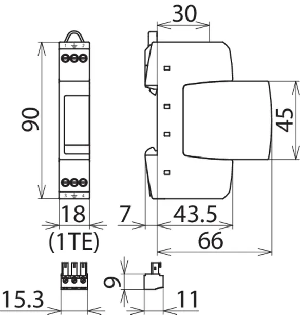
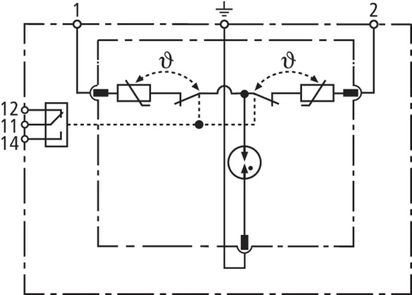
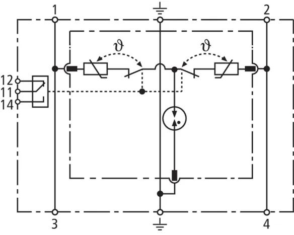
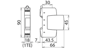
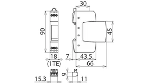
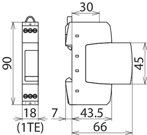
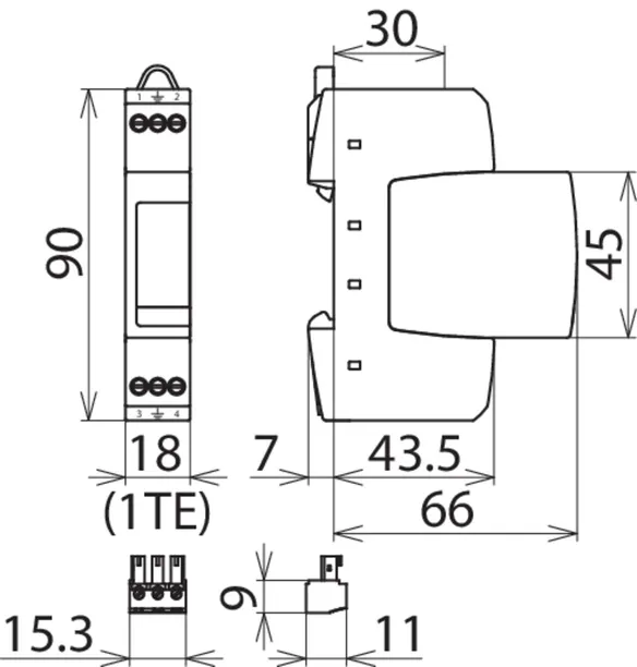
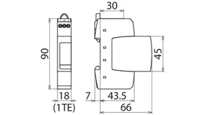
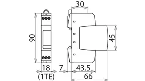
DEHNrail modular

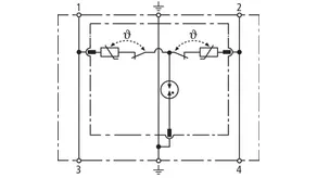
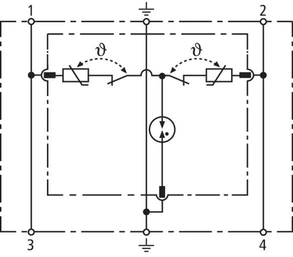
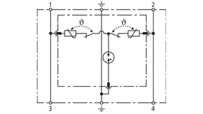
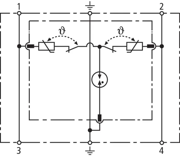
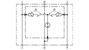
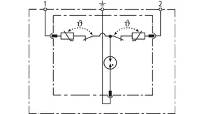
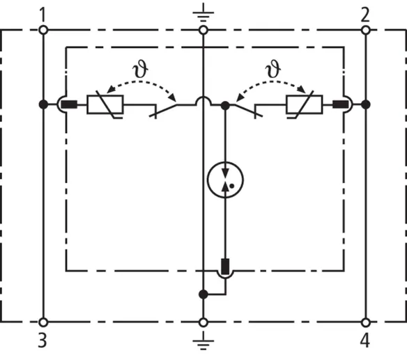
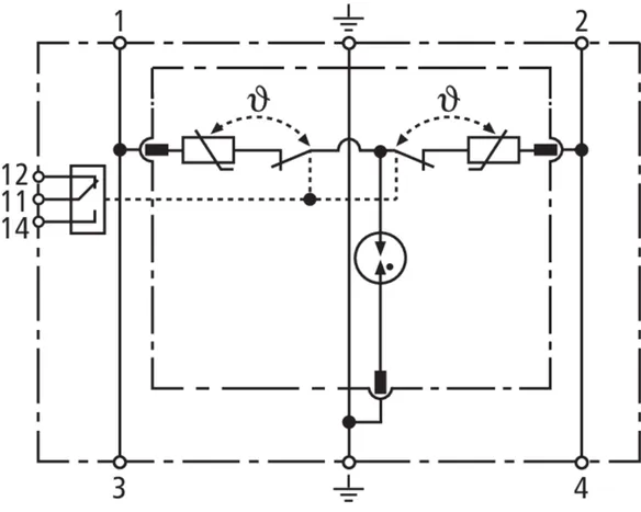
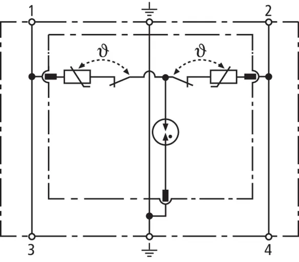
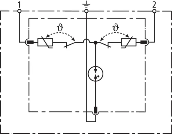
  • Zweipoliger Überspannungs-Ableiter bestehend aus Basiselement und gestecktem Schutzmodul
  • Hohes Ableitvermögen durch leistungsfähige Zinkoxidvaristor- / Funkenstreckenkombination
  • Energetisch koordiniert innerhalb der Red/Line-Produktfamilie
  • Funktions- / Defektanzeige durch grün-rote Markierung im Sichtfenster
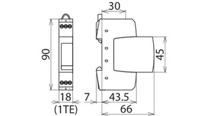
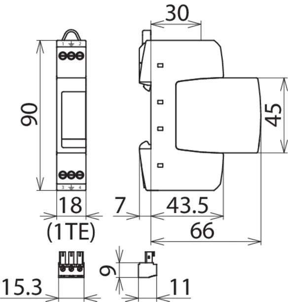
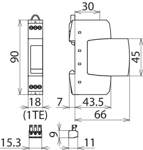
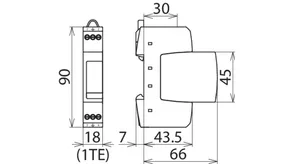
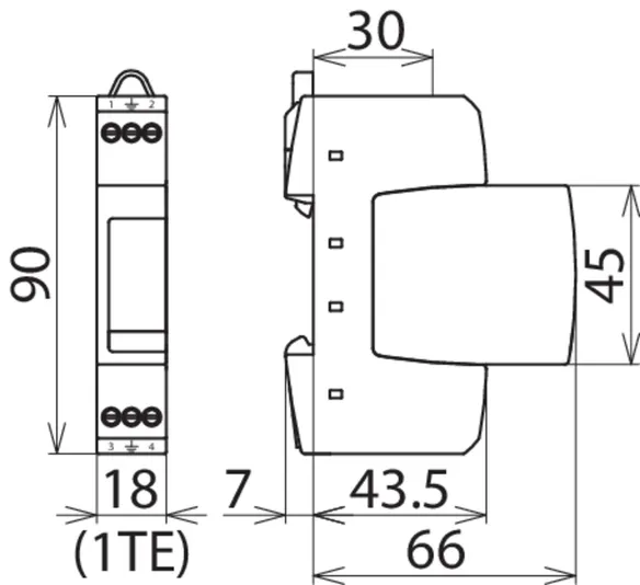
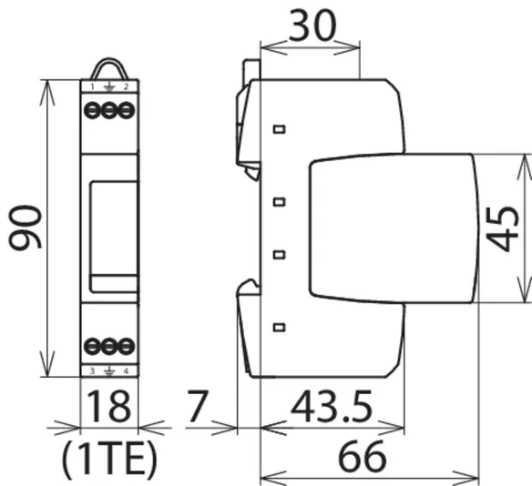
  • Schmale Bauform (Modulbauweise) nach DIN 43880
  • Einfacher, werkzeugloser Schutzmodulwechsel durch Modulverriegelungssystem mit Modulentriegelungstaste
  • Vibrations- und schockgeprüft nach EN 60068-2

Details

lorem ipsum

DEHNrail M 2P ...

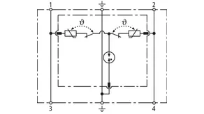
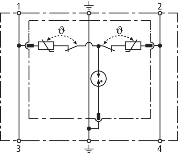
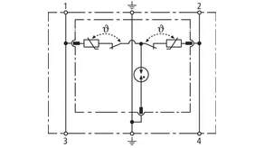
Zweipoliger Ableiter bestehend aus Basiselement und gestecktem Schutzmodul.

5 Products

Part No. 953201 DR M 2P 30

GTIN 4013364109674, Customs tariff No. (EU): 85363030, Gross weight: 90.60 g, PU: 1.00 Stk.

Predecessor

Images

Additional information

Überspannungs-Ableiter DEHNrail M 2P 30
2-poliger, modularer, steckbarer Überspannungs-Ableiter
zum Schutz von Endgeräten der Industrieelektronik
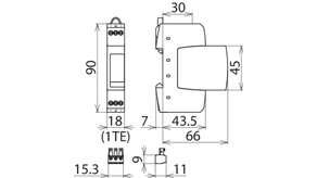
Breite 1TE, Defektanzeige
Ableiter Typ 3 nach EN 61643-11
Höchste Dauerspannung: 30 V ac/dc
Gesamtableitstoßstrom: 2 kA
Schutzpegel L/N: < 0,18 kV
Vorsicherung: 25 A gG oder B 25 A
Energetische Koordination nach DIN EN 62305-4
Ableiter der Red/Line-Familie

Fabrikat: DEHN
Typ: DR M 2P 30
Art.-Nr.: 953201
oder gleichwertig.

Certificates

 

Technical data

SPD nach EN 61643-11 / ... IEC 61643-11 Typ 3 / Class III
Höchste Dauerspannung AC (UC ) 30 V (50 / 60 Hz)
Höchste Dauerspannung DC (UC ) 30 V
Nennableitstoßstrom (8/20 µs) (In ) 1 kA
Gesamtableitstoßstrom (8/20 µs) [L+N-PE] (Itotal ) 2 kA
Schutzpegel [L-N] / [L/N-PE] (UP ) ≤ 180 / ≤ 630 V
Max. netzseitiger Überstromschutz 25 A gG oder B 25 A
Zulassungen KEMA, VDE, UL, CSA, ATEX, IECEx

Product 953201 was added to Notepad.

Product 953201 was added to the cart.

Part No. 953202 DR M 2P 60

GTIN 4013364109681, Customs tariff No. (EU): 85363030, Gross weight: 91.80 g, PU: 1.00 Stk.

Predecessor

Images

Additional information

Überspannungs-Ableiter DEHNrail M 2P 60
2-poliger, modularer, steckbarer Überspannungs-Ableiter
zum Schutz von Endgeräten der Industrieelektronik
Breite 1TE, Defektanzeige
Ableiter Typ 3 nach EN 61643-11
Höchste Dauerspannung: 60 V ac/dc
Gesamtableitstoßstrom: 2 kA
Schutzpegel L/N: < 0,35 kV
Vorsicherung: 25 A gG oder B 25 A
Energetische Koordination nach DIN EN 62305-4
Ableiter der Red/Line-Familie

Fabrikat: DEHN
Typ: DR M 2P 60
Art.-Nr.: 953202
oder gleichwertig.

Certificates

 

Technical data

SPD nach EN 61643-11 / ... IEC 61643-11 Typ 3 / Class III
Höchste Dauerspannung AC (UC ) 60 V (50 / 60 Hz)
Höchste Dauerspannung DC (UC ) 60 V
Nennableitstoßstrom (8/20 µs) (In ) 1 kA
Gesamtableitstoßstrom (8/20 µs) [L+N-PE] (Itotal ) 2 kA
Schutzpegel [L-N] / [L/N-PE] (UP ) ≤ 350 / ≤ 730 V
Max. netzseitiger Überstromschutz 25 A gG oder B 25 A
Zulassungen KEMA, VDE, UL, CSA, ATEX, IECEx

Product 953202 was added to Notepad.

Product 953202 was added to the cart.

Part No. 953203 DR M 2P 75

GTIN 4013364109698, Customs tariff No. (EU): 85363030, Gross weight: 89.80 g, PU: 1.00 Stk.

Predecessor

Images

Additional information

Überspannungs-Ableiter DEHNrail M 2P 75
2-poliger, modularer, steckbarer Überspannungs-Ableiter
zum Schutz von Endgeräten der Industrieelektronik
Breite 1TE, Defektanzeige
Ableiter Typ 3 nach EN 61643-11
Höchste Dauerspannung: 75 V ac/dc
Gesamtableitstoßstrom: 4 kA
Schutzpegel L/N: < 0,4 kV
Vorsicherung: 25 A gG oder B 25 A
Energetische Koordination nach DIN EN 62305-4
Ableiter der Red/Line-Familie

Fabrikat: DEHN
Typ: DR M 2P 75
Art.-Nr.: 953203
oder gleichwertig.

Certificates

 

Technical data

SPD nach EN 61643-11 / ... IEC 61643-11 Typ 3 / Class III
Höchste Dauerspannung AC (UC ) 75 V (50 / 60 Hz)
Höchste Dauerspannung DC (UC ) 75 V
Nennableitstoßstrom (8/20 µs) (In ) 2 kA
Gesamtableitstoßstrom (8/20 µs) [L+N-PE] (Itotal ) 4 kA
Schutzpegel [L-N] / [L/N-PE] (UP ) ≤ 400 / ≤ 730 V
Max. netzseitiger Überstromschutz 25 A gG oder B 25 A
Zulassungen KEMA, VDE, UL, CSA, ATEX, IECEx

Product 953203 was added to Notepad.

Product 953203 was added to the cart.

Part No. 953204 DR M 2P 150

GTIN 4013364109704, Customs tariff No. (EU): 85363030, Gross weight: 90.00 g, PU: 1.00 Stk.

Predecessor

Images

Additional information

Überspannungs-Ableiter DEHNrail M 2P 150
2-poliger, modularer, steckbarer Überspannungs-Ableiter
zum Schutz von Endgeräten der Industrieelektronik
Breite 1TE, Defektanzeige
Ableiter Typ 3 nach EN 61643-11
Höchste Dauerspannung: 150 V ac/dc
Gesamtableitstoßstrom: 4 kA
Schutzpegel L/N: < 0,64 kV
Vorsicherung: 25 A gG oder B 25 A
Energetische Koordination nach DIN EN 62305-4
Ableiter der Red/Line-Familie

Fabrikat: DEHN
Typ: DR M 2P 150
Art.-Nr.: 953204
oder gleichwertig.

Certificates

 

Technical data

SPD nach EN 61643-11 / ... IEC 61643-11 Typ 3 / Class III
Höchste Dauerspannung AC (UC ) 150 V (50 / 60 Hz)
Höchste Dauerspannung DC (UC ) 150 V
Nennableitstoßstrom (8/20 µs) (In ) 2 kA
Gesamtableitstoßstrom (8/20 µs) [L+N-PE] (Itotal ) 4 kA
Schutzpegel [L-N] / [L/N-PE] (UP ) ≤ 640 / ≤ 800 V
Max. netzseitiger Überstromschutz 25 A gG oder B 25 A
Zulassungen KEMA, VDE, UL, CSA, ATEX, IECEx

Product 953204 was added to Notepad.

Product 953204 was added to the cart.

Part No. 953200 DR M 2P 255

GTIN 4013364108301, Customs tariff No. (EU): 85363030, Gross weight: 91.70 g, PU: 1.00 Stk.

Predecessor

Images

Additional information

Überspannungs-Ableiter DEHNrail M 2P 255
2-poliger, modularer, steckbarer Überspannungs-Ableiter
zum Schutz von Endgeräten der Industrieelektronik
Breite 1TE, Defektanzeige
Ableiter Typ 3 nach EN 61643-11
Höchste Dauerspannung: 255 V ac/dc
Gesamtableitstoßstrom: 5 kA
Schutzpegel L/N: < 1,25 kV
Vorsicherung: 25 A gG oder B 25 A
Energetische Koordination nach DIN EN 62305-4
Ableiter der Red/Line-Familie

Fabrikat: DEHN
Typ: DR M 2P 255
Art.-Nr.: 953200
oder gleichwertig.

Certificates

 

Technical data

SPD nach EN 61643-11 / ... IEC 61643-11 Typ 3 / Class III
Höchste Dauerspannung AC (UC ) 255 V (50 / 60 Hz)
Höchste Dauerspannung DC (UC ) 255 V
Nennableitstoßstrom (8/20 µs) (In ) 3 kA
Gesamtableitstoßstrom (8/20 µs) [L+N-PE] (Itotal ) 5 kA
Schutzpegel [L-N] / [L/N-PE] (UP ) ≤ 1250 / ≤ 1500 V
Max. netzseitiger Überstromschutz 25 A gG oder B 25 A
Zulassungen KEMA, VDE, UL, CSA, ATEX, IECEx

Product 953200 was added to Notepad.

Product 953200 was added to the cart.


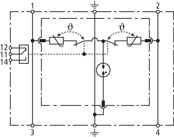
DEHNrail M 2P ... FM

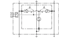
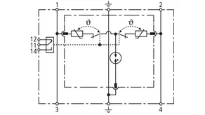
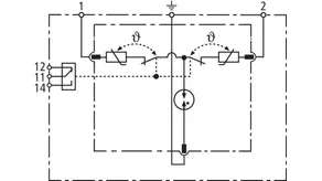
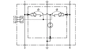
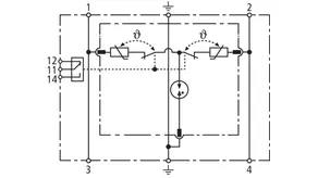
Zweipoliger Ableiter bestehend aus Basiselement und gestecktem Schutzmodul; mit potentialfreiem Fernmeldekontakt.

5 Products

Part No. 953206 DR M 2P 30 FM

GTIN 4013364109711, Customs tariff No. (EU): 85363030, Gross weight: 94.50 g, PU: 1.00 Stk.

Predecessor

Images

Additional information

Überspannungs-Ableiter DEHNrail M 2P 30 FM
2-poliger, modularer, steckbarer Überspannungs-Ableiter
zum Schutz von Endgeräten der Industrieelektronik
Breite 1TE, Defektanzeige
mit Fernmeldekontakt
Ableiter Typ 3 nach EN 61643-11
Höchste Dauerspannung: 30 V ac/dc
Gesamtableitstoßstrom: 2 kA
Schutzpegel L/N: < 0,18 kV
Vorsicherung: 25 A gG oder B 25 A
Energetische Koordination nach DIN EN 62305-4
Ableiter der Red/Line-Familie

Fabrikat: DEHN
Typ: DR M 2P 30 FM
Art.-Nr.: 953206
oder gleichwertig.

Certificates

 

Technical data

SPD nach EN 61643-11 / ... IEC 61643-11 Typ 3 / Class III
Höchste Dauerspannung AC (UC ) 30 V (50 / 60 Hz)
Höchste Dauerspannung DC (UC ) 30 V
Nennableitstoßstrom (8/20 µs) (In ) 1 kA
Gesamtableitstoßstrom (8/20 µs) [L+N-PE] (Itotal ) 2 kA
Schutzpegel [L-N] / [L/N-PE] (UP ) ≤ 180 / ≤ 630 V
Max. netzseitiger Überstromschutz 25 A gG oder B 25 A
Zulassungen KEMA, VDE, UL, CSA, ATEX, IECEx
FM-Kontakte / Kontaktform Wechsler

Product 953206 was added to Notepad.

Product 953206 was added to the cart.

Part No. 953207 DR M 2P 60 FM

GTIN 4013364109728, Customs tariff No. (EU): 85363030, Gross weight: 95.40 g, PU: 1.00 Stk.

Predecessor

Images

Additional information

Überspannungs-Ableiter DEHNrail M 2P 60 FM
2-poliger, modularer, steckbarer Überspannungs-Ableiter
zum Schutz von Endgeräten der Industrieelektronik
Breite 1TE, Defektanzeige
mit Fernmeldekontakt
Ableiter Typ 3 nach EN 61643-11
Höchste Dauerspannung: 60 V ac/dc
Gesamtableitstoßstrom: 2 kA
Schutzpegel L/N: < 0,35 kV
Vorsicherung: 25 A gG oder B 25 A
Energetische Koordination nach DIN EN 62305-4
Ableiter der Red/Line-Familie

Fabrikat: DEHN
Typ: DR M 2P 60 FM
Art.-Nr.: 953207
oder gleichwertig.

Certificates

 

Technical data

SPD nach EN 61643-11 / ... IEC 61643-11 Typ 3 / Class III
Höchste Dauerspannung AC (UC ) 60 V (50 / 60 Hz)
Höchste Dauerspannung DC (UC ) 60 V
Nennableitstoßstrom (8/20 µs) (In ) 1 kA
Gesamtableitstoßstrom (8/20 µs) [L+N-PE] (Itotal ) 2 kA
Schutzpegel [L-N] / [L/N-PE] (UP ) ≤ 350 / ≤ 730 V
Max. netzseitiger Überstromschutz 25 A gG oder B 25 A
Zulassungen KEMA, VDE, UL, CSA, ATEX, IECEx
FM-Kontakte / Kontaktform Wechsler

Product 953207 was added to Notepad.

Product 953207 was added to the cart.

Part No. 953208 DR M 2P 75 FM

GTIN 4013364109735, Customs tariff No. (EU): 85363030, Gross weight: 93.70 g, PU: 1.00 Stk.

Predecessor

Images

Additional information

Überspannungs-Ableiter DEHNrail M 2P 75 FM
2-poliger, modularer, steckbarer Überspannungs-Ableiter
zum Schutz von Endgeräten der Industrieelektronik
Breite 1TE, Defektanzeige
mit Fernmeldekontakt
Ableiter Typ 3 nach EN 61643-11
Höchste Dauerspannung: 75 V ac/dc
Gesamtableitstoßstrom: 4 kA
Schutzpegel L/N: < 0,4 kV
Vorsicherung: 25 A gG oder B 25 A
Energetische Koordination nach DIN EN 62305-4
Ableiter der Red/Line-Familie

Fabrikat: DEHN
Typ: DR M 2P 75 FM
Art.-Nr.: 953208
oder gleichwertig.

Certificates

 

Technical data

SPD nach EN 61643-11 / ... IEC 61643-11 Typ 3 / Class III
Höchste Dauerspannung AC (UC ) 75 V (50 / 60 Hz)
Höchste Dauerspannung DC (UC ) 75 V
Nennableitstoßstrom (8/20 µs) (In ) 2 kA
Gesamtableitstoßstrom (8/20 µs) [L+N-PE] (Itotal ) 4 kA
Schutzpegel [L-N] / [L/N-PE] (UP ) ≤ 400 / ≤ 730 V
Max. netzseitiger Überstromschutz 25 A gG oder B 25 A
Zulassungen KEMA, VDE, UL, CSA, ATEX, IECEx
FM-Kontakte / Kontaktform Wechsler

Product 953208 was added to Notepad.

Product 953208 was added to the cart.

Part No. 953209 DR M 2P 150 FM

GTIN 4013364109742, Customs tariff No. (EU): 85363030, Gross weight: 93.00 g, PU: 1.00 Stk.

Predecessor

Images

Additional information

Überspannungs-Ableiter DEHNrail M 2P 150 FM
2-poliger, modularer, steckbarer Überspannungs-Ableiter
zum Schutz von Endgeräten der Industrieelektronik
Breite 1TE, Defektanzeige
mit Fernmeldekontakt
Ableiter Typ 3 nach EN 61643-11
Höchste Dauerspannung: 150 V ac/dc
Gesamtableitstoßstrom: 4 kA
Schutzpegel L/N: < 0,64 kV
Vorsicherung: 25 A gG oder B 25 A
Energetische Koordination nach DIN EN 62305-4
Ableiter der Red/Line-Familie

Fabrikat: DEHN
Typ: DR M 2P 150 FM
Art.-Nr.: 953209
oder gleichwertig.

Certificates

 

Technical data

SPD nach EN 61643-11 / ... IEC 61643-11 Typ 3 / Class III
Höchste Dauerspannung AC (UC ) 150 V (50 / 60 Hz)
Höchste Dauerspannung DC (UC ) 150 V
Nennableitstoßstrom (8/20 µs) (In ) 2 kA
Gesamtableitstoßstrom (8/20 µs) [L+N-PE] (Itotal ) 4 kA
Schutzpegel [L-N] / [L/N-PE] (UP ) ≤ 640 / ≤ 800 V
Max. netzseitiger Überstromschutz 25 A gG oder B 25 A
Zulassungen KEMA, VDE, UL, CSA, ATEX, IECEx
FM-Kontakte / Kontaktform Wechsler

Product 953209 was added to Notepad.

Product 953209 was added to the cart.

Part No. 953205 DR M 2P 255 FM

GTIN 4013364108318, Customs tariff No. (EU): 85363030, Gross weight: 98.88 g, PU: 1.00 Stk.

Predecessor

Images

Additional information

Überspannungs-Ableiter DEHNrail M 2P 255 FM
2-poliger, modularer, steckbarer Überspannungs-Ableiter
zum Schutz von Endgeräten der Industrieelektronik
Breite 1TE, Defektanzeige
mit Fernmeldekontakt
Ableiter Typ 3 nach EN 61643-11
Höchste Dauerspannung: 255 V ac/dc
Gesamtableitstoßstrom: 5 kA
Schutzpegel L/N: < 1,25 kV
Vorsicherung: 25 A gG oder B 25 A
Energetische Koordination nach DIN EN 62305-4
Ableiter der Red/Line-Familie

Fabrikat: DEHN
Typ: DR M 2P 255 FM
Art.-Nr.: 953205
oder gleichwertig.

Certificates

 

Technical data

SPD nach EN 61643-11 / ... IEC 61643-11 Typ 3 / Class III
Höchste Dauerspannung AC (UC ) 255 V (50 / 60 Hz)
Höchste Dauerspannung DC (UC ) 255 V
Nennableitstoßstrom (8/20 µs) (In ) 3 kA
Gesamtableitstoßstrom (8/20 µs) [L+N-PE] (Itotal ) 5 kA
Schutzpegel [L-N] / [L/N-PE] (UP ) ≤ 1250 / ≤ 1500 V
Max. netzseitiger Überstromschutz 25 A gG oder B 25 A
Zulassungen KEMA, VDE, UL, CSA, ATEX, IECEx
FM-Kontakte / Kontaktform Wechsler

Product 953205 was added to Notepad.

Product 953205 was added to the cart.


DEHNrail M 2P SN1802

Zweipoliger Ableiter bestehend aus Basiselement und gestecktem Schutzmodul. Einsatz in Anlagen bis Laststrom 32 A möglich.

1 Product

Part No. 953228 DR M 2P 255 SN1802

GTIN 4013364158986, Customs tariff No. (EU): 85363030, Gross weight: 89.70 g, PU: 1.00 Stk.


Images

Additional information

Überspannungs-Ableiter DEHNrail M 2P 255 SN1802
2-poliger, modularer, steckbarer Überspannungs-Ableiter
zum Schutz von Endgeräten der Industrieelektronik
Breite 1TE, Defektanzeige
Ableiter Typ 3 nach EN 61643-11
Höchste Dauerspannung: 255 V ac/dc
Gesamtableitstoßstrom: 5 kA
Schutzpegel L/N: < 1,25 kV
Vorsicherung: 32 A gG oder B 32 A
Energetische Koordination nach DIN EN 62305-4
Ableiter der Red/Line-Familie

Fabrikat: DEHN
Typ: DR M 2P 255 SN1802
Art.-Nr.: 953228
oder gleichwertig.

 

Technical data

SPD nach EN 61643-11 / ... IEC 61643-11 Typ 3 / Class III
Höchste Dauerspannung AC (UC ) 255 V (50 / 60 Hz)
Höchste Dauerspannung DC (UC ) 255 V
Nennableitstoßstrom (8/20 µs) (In ) 3 kA
Gesamtableitstoßstrom (8/20 µs) [L+N-PE] (Itotal ) 5 kA
Schutzpegel [L-N] / [L/N-PE] (UP ) ≤ 1250 / ≤ 1500 V
Max. netzseitiger Überstromschutz 32 A gG oder B 32 A
Schutzmodul auf Anfrage

Product 953228 was added to Notepad.

Product 953228 was added to the cart.


DEHNrail M 2P SN1803FM

Zweipoliger Ableiter bestehend aus Basiselement und gestecktem Schutzmodul; mit potentialfreiem Fernmeldekontakt. Einsatz in Anlagen bis Laststrom 32 A möglich.

1 Product

Part No. 953229 DR M 2P 255 SN1803FM

GTIN 4013364158993, Customs tariff No. (EU): 85363030, Gross weight: 93.40 g, PU: 1.00 Stk.


Images

Additional information

Überspannungs-Ableiter DEHNrail M 2P 255 SN1803FM
2-poliger, modularer, steckbarer Überspannungs-Ableiter
zum Schutz von Endgeräten der Industrieelektronik,
Breite 1TE, Defektanzeige
mit Fernmeldekontakt
Ableiter Typ 3 nach EN 61643-11
Höchste Dauerspannung: 255 V ac/dc
Gesamtableitstoßstrom: 5 kA
Schutzpegel L/N: < 1,25 kV
Vorsicherung: 32 A gG oder B 32 A
Energetische Koordination nach DIN EN 62305-4
Ableiter der Red/Line-Familie

Fabrikat: DEHN
Typ: DR M 2P 255 SN1803FM
Art.-Nr.: 953229
oder gleichwertig.

Certificates

 

Technical data

SPD nach EN 61643-11 / ... IEC 61643-11 Typ 3 / Class III
Höchste Dauerspannung AC (UC ) 255 V (50 / 60 Hz)
Höchste Dauerspannung DC (UC ) 255 V
Nennableitstoßstrom (8/20 µs) (In ) 3 kA
Gesamtableitstoßstrom (8/20 µs) [L+N-PE] (Itotal ) 5 kA
Schutzpegel [L-N] / [L/N-PE] (UP ) ≤ 1250 / ≤ 1500 V
Max. netzseitiger Überstromschutz 32 A gG oder B 32 A
FM-Kontakte / Kontaktform Wechsler
Schutzmodul auf Anfrage

Product 953229 was added to Notepad.

Product 953229 was added to the cart.


back to top