Abisolierwerkzeug für HVI light Leitungen / HVI light plus Leitungen / HVI Leitungen

Das Werkzeug kann zum Absetzen des halbleitenden Mantels und gleichzeitig der PE-Isolierung der HVI light Leitung, HVI Leitung (Außendurchmesser 20 mm) verwendet werden.
  • Das Werkzeug besteht aus einem Handgriff und verschiedenen austauschbaren Schneidköpfen
  • Die Abisolierlänge der HVI light Leitung, HVI light plus Leitung, HVI Leitung ist in Stufen (Rastpunkte) von 0,2 mm über das im Griff eingebaute Stellrad regulierbar; die eingestellte Länge ist auf der Skala des Handgriffes ablesbar.
BedienungWerkzeug mit Schneidkopf am geschnittenen Leitungsende ansetzen.Mit Drehbewegung im Uhrzeigersinn und leichter Druckausübung mittels des Werkzeuges erfolgt der Schneidvorgang / das Absetzen.Das Anbringen des austauschbaren Schneidkopfes an den Handgriff erfolgt werkzeuglos über eine Bajonettkupplung.

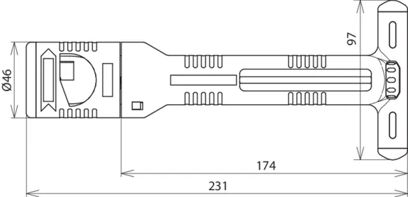
HVI strip 20

Ausführung für HVI light Leitung, HVI light plus Leitung, und HVI Leitung (Handgriff + Schneidkopf).

1 Product

Part No. 597220 HVI STRIP 20

GTIN 4013364144972, Customs tariff No. (EU): 82055980, Gross weight: 330.00 g, PU: 1.00 Stk.


Images

Additional information



Fabrikat: DEHN
Typ: HVI STRIP 20
Art.-Nr.: 597220
oder gleichwertig.

 

Technical data

Durchmesser Ø Leitung 20 mm (ggf. grauen Mantel vorher entfernen)
Werkstoff Formteil Kunststoff
Werkstoff Klinge NIRO

Product 597220 was added to Notepad.

Product 597220 was added to the cart.


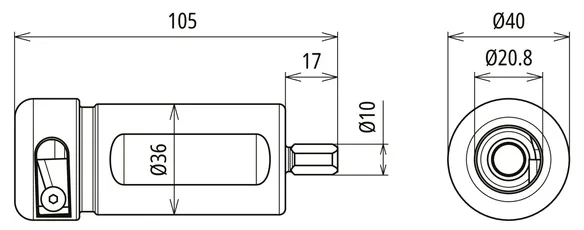
HVI head 20

Ausführung für HVI light Leitung, HVI light plus Leitung und HVI Leitung (Schneidkopf).

1 Product

Part No. 597120 HVI HEAD 20

GTIN 4013364142497, Customs tariff No. (EU): 82055980, Gross weight: 100.00 g, PU: 1.00 Stk.


Images

Additional information



Fabrikat: DEHN
Typ: HVI HEAD 20
Art.-Nr.: 597120
oder gleichwertig.

 

Technical data

Durchmesser Ø Leitung 20 mm (ggf. grauen Mantel vorher entfernen)
Werkstoff Formteil Kunststoff
Werkstoff Klinge NIRO

Product 597120 was added to Notepad.

Product 597120 was added to the cart.


Fräskopf

Fräskopf zur Montage der prüfbaren, isolierten Anschlusselemente an hochspannungsfesten, isolierten Ableitungen.

1 Product

Part No. 597126 ISO HEAD 23

GTIN 4013364519954, Customs tariff No. (EU): 82055980, Gross weight: 251.61 g, PU: 1.00 Stk.


Images

Additional information

Fräskopf
zur Montage der isolierten
Anschlusselemente an
hochspannungsfesten,
isolierten Ableitungen

Fabrikat: DEHN
Typ: ISO HEAD 23
Art.-Nr.: 597126
oder gleichwertig.

 

Technical data

Durchmesser Ø Leitung 23 mm
Werkstoff Formteil Al
Werkstoff Klinge Stahl Legierung

Product 597126 was added to Notepad.

Product 597126 was added to the cart.


back to top