DEHNguard S ... VA

  • Universell einsetzbarer Überspannungs-Ableiter, bestehend aus Basiselement und gestecktem Schutzmodul
  • Leckstromfreie Varistor-Funkenstrecken-Reihenschaltung im steckbaren Schutzmodul
  • Hohe Gerätesicherheit durch Ableiterüberwachung ”Thermo-Dynamik-Control”
  • Energetisch koordiniert innerhalb der Red/Line-Produktfamilie
  • Einfacher, werkzeugloser Schutzmodulwechsel durch Modulverriegelungssystem mit Modulentriegelungstaste
  • Schmale Bauform (Modulbauweise) nach DIN 43880
  • Multifunktionsanschluss für Leiter und Kammschienen
  • Vibrations- und schockgeprüft nach EN 60068-2

DEHNguard S VA

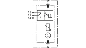
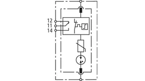
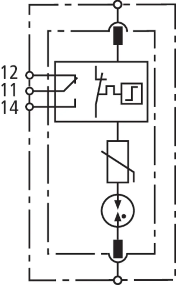
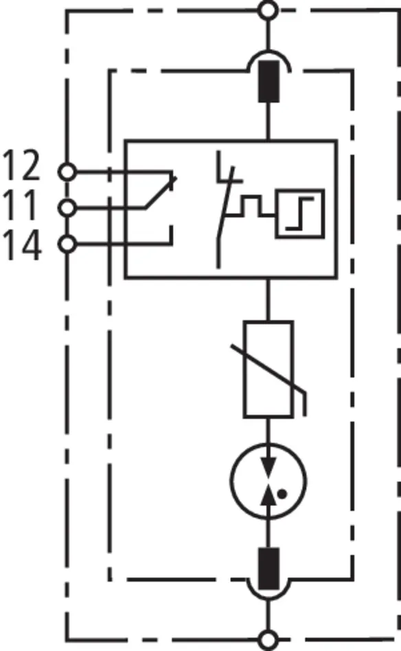
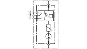
Modularer, einpoliger Überspannungs-Ableiter mit Varistor-Funkenstrecken-Reihenschaltung im steckbaren Schutzmodul.

3 Products

Part No. 952080 DG S 75 VA

GTIN 4013364127296, Customs tariff No. (EU): 85363030, Gross weight: 118.00 g, PU: 1.00 Stk.

Predecessor

Images

Additional information

Überspannungs-Ableiter DEHNguard S 75 VA
1-poliger, modularer, steckbarer Überspannungs-Ableiter
Breite 1TE, Defektanzeige
Ableiter Typ 2 nach EN 61643-11
Leckstromfreie Varistor-Funkenstrecken-Reihenschaltung
Höchste Dauerspannung: 75 V ac/100 V dc
Schutzpegel: <= 1,1 kV
Nennableitstoßstrom: 10 kA
Kurzschlußfestigkeit: 25 kAeff
Energetische Koordination nach DIN EN 62305-4
Ableiter der Red/Line-Familie

Fabrikat: DEHN
Typ: DG S 75 VA
Art.-Nr.: 952080
oder gleichwertig.

Certificates

 

Technical data

SPD nach EN 61643-11 / ... IEC 61643-11 Typ 2 / Class II
Höchste Dauerspannung AC (UC ) 75 V (50 / 60 Hz)
Nennableitstoßstrom (8/20 µs) (In ) 10 kA
Max. Ableitstoßstrom (8/20 µs) (Imax ) 20 kA
Schutzpegel (UP ) ≤ 1,1 kV
Max. netzseitiger Überstromschutz 100 A gG

Product 952080 was added to Notepad.

Product 952080 was added to the cart.

Part No. 952082 DG S 275 VA

GTIN 4013364127319, Customs tariff No. (EU): 85363030, Gross weight: 123.40 g, PU: 1.00 Stk.

Predecessor

Images

Additional information

Überspannungs-Ableiter DEHNguard S 275 VA
1-poliger, modularer, steckbarer Überspannungs-Ableiter
Breite 1TE, Defektanzeige
Ableiter Typ 2 nach EN 61643-11
Leckstromfreie Varistor-Funkenstrecken-Reihenschaltung
Höchste Dauerspannung: 275 V ac/350 V dc
Schutzpegel: <= 1,5 kV
Nennableitstoßstrom: 10 kA
Kurzschlußfestigkeit: 25 kAeff
Energetische Koordination nach DIN EN 62305-4
Ableiter der Red/Line-Familie

Fabrikat: DEHN
Typ: DG S 275 VA
Art.-Nr.: 952082
oder gleichwertig.

Certificates

 

Technical data

SPD nach EN 61643-11 / ... IEC 61643-11 Typ 2 / Class II
Höchste Dauerspannung AC (UC ) 275 V (50 / 60 Hz)
Nennableitstoßstrom (8/20 µs) (In ) 10 kA
Max. Ableitstoßstrom (8/20 µs) (Imax ) 20 kA
Schutzpegel (UP ) ≤ 1,5 kV
Max. netzseitiger Überstromschutz 100 A gG

Product 952082 was added to Notepad.

Product 952082 was added to the cart.

Part No. 952084 DG S 385 VA

GTIN 4013364127333, Customs tariff No. (EU): 85363030, Gross weight: 127.70 g, PU: 1.00 Stk.


Images

Additional information

Überspannungs-Ableiter DEHNguard S 385 VA
1-poliger, modularer, steckbarer Überspannungs-Ableiter
Breite 1TE, Defektanzeige
Ableiter Typ 2 nach EN 61643-11
Leckstromfreie Varistor-Funkenstrecken-Reihenschaltung
Höchste Dauerspannung: 385 V ac/500 V dc
Schutzpegel: <= 1,75 kV
Nennableitstoßstrom: 10 kA
Kurzschlußfestigkeit: 25 kAeff
Energetische Koordination nach DIN EN 62305-4
Ableiter der Red/Line-Familie

Fabrikat: DEHN
Typ: DG S 385 VA
Art.-Nr.: 952084
oder gleichwertig.

Certificates

 

Technical data

SPD nach EN 61643-11 / ... IEC 61643-11 Typ 2 / Class II
Höchste Dauerspannung AC (UC ) 385 V (50 / 60 Hz)
Nennableitstoßstrom (8/20 µs) (In ) 10 kA
Max. Ableitstoßstrom (8/20 µs) (Imax ) 20 kA
Schutzpegel (UP ) ≤ 1,75 kV
Max. netzseitiger Überstromschutz 100 A gG

Product 952084 was added to Notepad.

Product 952084 was added to the cart.


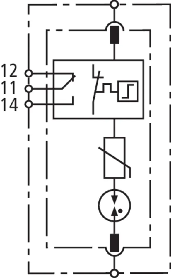
DEHNguard S VA FM

Modularer, einpoliger Überspannungs-Ableiter mit Varistor-Funkenstrecken-Reihenschaltung im steckbaren Schutzmodul; mit potentialfreiem Fernmeldekontakt.

3 Products

Part No. 952085 DG S 75 VA FM

GTIN 4013364127302, Customs tariff No. (EU): 85363030, Gross weight: 122.10 g, PU: 1.00 Stk.

Predecessor

Images

Additional information

Überspannungs-Ableiter DEHNguard S 75 FM
1-poliger, modularer, steckbarer Überspannungs-Ableiter
Breite 1TE, Defektanzeige
mit Fernmeldekontakt
Ableiter Typ 2 nach EN 61643-11
Leckstromfreie Varistor-Funkenstrecken-Reihenschaltung
Höchste Dauerspannung: 75 V ac/100 V dc
Schutzpegel: <= 1,1 kV
Nennableitstoßstrom: 10 kA
Kurzschlußfestigkeit: 25 kAeff
Energetische Koordination nach DIN EN 62305-4
Ableiter der Red/Line-Familie

Fabrikat: DEHN
Typ: DG S 75 VA FM
Art.-Nr.: 952085
oder gleichwertig.

Certificates

 

Technical data

SPD nach EN 61643-11 / ... IEC 61643-11 Typ 2 / Class II
Höchste Dauerspannung AC (UC ) 75 V (50 / 60 Hz)
Nennableitstoßstrom (8/20 µs) (In ) 10 kA
Max. Ableitstoßstrom (8/20 µs) (Imax ) 20 kA
Schutzpegel (UP ) ≤ 1,1 kV
Max. netzseitiger Überstromschutz 100 A gG

Product 952085 was added to Notepad.

Product 952085 was added to the cart.

Part No. 952087 DG S 275 VA FM

GTIN 4013364127326, Customs tariff No. (EU): 85363030, Gross weight: 126.70 g, PU: 1.00 Stk.

Predecessor

Images

Additional information

Überspannungs-Ableiter DEHNguard S275 VA FM
1-poliger, modularer, steckbarer Überspannungs-Ableiter
Breite 1TE, Defektanzeige
mit Fernmeldekontakt
Ableiter Typ 2 nach EN 61643-11
Leckstromfreie Varistor-Funkenstrecken-Reihenschaltung
Höchste Dauerspannung: 275 V ac/350 V dc
Schutzpegel <= 1,5 kV
Nennableitstoßstrom: 10 kA
Kurzschlußfestigkeit: 25 kAeff
Energetische Koordination nach DIN EN 62305-4
Ableiter der Red/Line-Familie

Fabrikat: DEHN
Typ: DG S 275 VA FM
Art.-Nr.: 952087
oder gleichwertig.

Certificates

 

Technical data

SPD nach EN 61643-11 / ... IEC 61643-11 Typ 2 / Class II
Höchste Dauerspannung AC (UC ) 275 V (50 / 60 Hz)
Nennableitstoßstrom (8/20 µs) (In ) 10 kA
Max. Ableitstoßstrom (8/20 µs) (Imax ) 20 kA
Schutzpegel (UP ) ≤ 1,5 kV
Max. netzseitiger Überstromschutz 100 A gG

Product 952087 was added to Notepad.

Product 952087 was added to the cart.

Part No. 952089 DG S 385 VA FM

GTIN 4013364127340, Customs tariff No. (EU): 85363030, Gross weight: 131.70 g, PU: 1.00 Stk.


Images

Additional information

Überspannungs-Ableiter DEHNguard S 385 VA FM
1-poliger, modularer, steckbarer Überspannungs-Ableiter
Breite 1TE, Defektanzeige
mit Fernmeldekontakt
Ableiter Typ 2 nach EN 61643-11
Leckstromfreie Varistor-Funkenstrecken-Reihenschaltung
Höchste Dauerspannung: 385 V ac/500 V dc
Schutzpegel: <= 1,75 kV
Nennableitstoßstrom: 10 kA
Kurzschlußfestigkeit: 25 kAeff
Energetische Koordination nach DIN EN 62305-4
Ableiter der Red/Line-Familie

Fabrikat: DEHN
Typ: DG S 385 VA FM
Art.-Nr.: 952089
oder gleichwertig.

Certificates

 

Technical data

SPD nach EN 61643-11 / ... IEC 61643-11 Typ 2 / Class II
Höchste Dauerspannung AC (UC ) 385 V (50 / 60 Hz)
Nennableitstoßstrom (8/20 µs) (In ) 10 kA
Max. Ableitstoßstrom (8/20 µs) (Imax ) 20 kA
Schutzpegel (UP ) ≤ 1,75 kV
Max. netzseitiger Überstromschutz 100 A gG

Product 952089 was added to Notepad.

Product 952089 was added to the cart.


back to top