DEHNcord

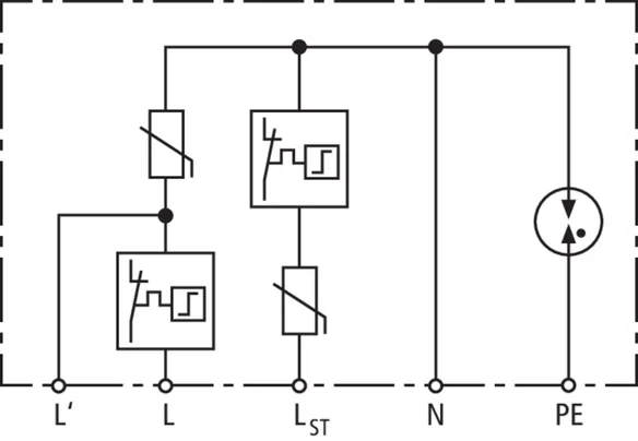
  • Einpoliger, zweipoliger oder dreipoliger Überspannungsschutz mit Überwachungseinrichtung und Abtrennvorrichtung
  • Optische Defektanzeige
  • Versionen mit Abschaltfunktion des Laststromkreises im Fehlerfall und Schutz der Steuerphase
  • Kompakte Bauform auch für Außenbereich
  • Zum Einsatz in Kabelübergangskästen, Unterflursystemen, Kabelkanälen und Geräteeinbaudosen

Details

lorem ipsum

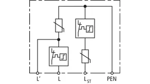
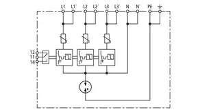
DEHNcord 3P TT 275 FM

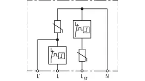
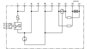
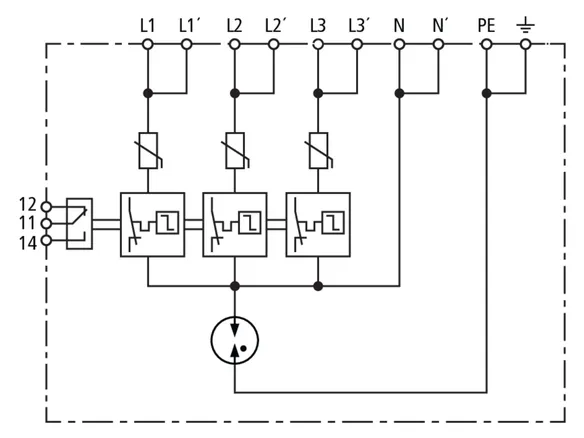
Dreiphasiger, kompakter Ableiter für TT- und TN-S-Systeme.

1 Product

Part No. 900439 DCOR 3P TT 275 FM

GTIN 4013364436053, Customs tariff No. (EU): 85363030, Gross weight: 129.38 g, PU: 1.00 Stk.


Images

Additional information

Überspannungs-Ableiter DEHNcord 3P TT 275 FM
Mehrpoliger Überspannungs-Ableiter Typ 2 + Typ 3
nach EN 61643-11 zum Einsatz in Installationssysteme
mit Fernmeldekontakt, Funktions-/Defektanzeige
Installation wahlweise Hutschiene oder Anschraublaschen
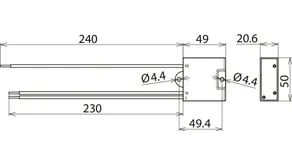
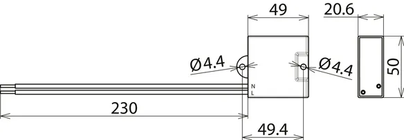
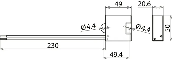
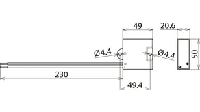
Kompakte Abmessung: 94 x 39,5 x 36 mm
Höchste Dauerspannung: 275 V ac
Höchste Dauerspannung: 350 V dc
Schutzpegel: <= 1,5 kV
Nennableitstoßstrom (8/20): 10 kA
Gesamtableitstoßstrom (8/20): 40 kA
Folgestromlöschfähigkeit [N-PE]: 100 A eff
Max. netzseitiger Überstromschutz:
seriell 25 A gG / paralell 40 A gG
Max. Laststrom AC: 25 A
Leitungsanschluss: Push-in
Energetische Koordination nach DIN EN 62305-4
mit Ableitern der Red/Line-Familie

Fabrikat: DEHN
Typ: DCOR 3P TT 275 FM
Art.-Nr.: 900439
oder gleichwertig.

Certificates

 

Technical data

SPD nach EN 61643-11 / ... IEC 61643-11 Typ 2 + Typ 3 / Class II + Class III
Höchste Dauerspannung AC [L-N] (UC ) 275 V (50 / 60 Hz)
Höchste Dauerspannung DC (UC ) 350 V
Nennableitstoßstrom (8/20 µs) [L-N] (In ) 10 kA
Max. Ableitstoßstrom (8/20 µs) [L-N] (Imax ) 20 kA
Nennableitstoßstrom (8/20 µs) [N-PE] (In ) 10 kA
Max. Ableitstoßstrom (8/20 µs) [N-PE] (Imax ) 40 kA
Schutzpegel [L-N] (UP ) ≤ 1,5 kV
Schutzpegel [N-PE] (UP ) ≤ 1,5 kV
Zulassungen KEMA

Product 900439 was added to Notepad.

Product 900439 was added to the cart.


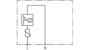
DEHNcord 1P 275 D FM

Einphasiger, kompakter Ableiter für TT-Systeme mit integrierter Schutzschaltung für DALI Schnittstelle.

1 Product

Part No. 900438 DCOR 1P 275 D FM

GTIN 4013364526891, Customs tariff No. (EU): 85363030, Gross weight: 86.27 g, PU: 1.00 Stk.


Images

Additional information

Überspannungs-Ableiter DEHNcord 1P 275 D FM
Einphasiger Überspannungsableiter
DEHNcord nach EN 61643-11
und EN 61643-21 mit integrierter
Schutzschaltung für die Kommunikationsschnittstelle
zum Einsatz in Installationssysteme
mit Fernmeldekontakt, Funktions-/Defektanzeige
Installation wahlweise Hutschiene oder Anschraublaschen
Kompakte Abmessung: 94 x 39,5 x 36 mm
Technische Werte (Energieseite):
Höchste Dauerspannung: 275 V ac
Schutzpegel: <= 1,5 kV
Nennableitstoßstrom (8/20): 10 kA
Folgestromlöschfähigkeit [N-PE]: 100 A eff
Max. netzseitiger Überstromschutz:
seriell 25 A gG / parallel 40 A gG
Max. Laststrom 25 A
Technische Werte (Signalseite):
Höchste Dauerspannung: 28 V dc
Schutzpegel Ad-Ad bei In C2: ≤ 50 V
C2 Nennableitstoßstrom (8/20) pro Ader: 5 kA
Nennstrom bei 45 °C: 0,3 A
Leitungsanschluss: Push-in
Energetische Koordination nach DIN EN 62305-4
mit Ableitern der Red/Line-Familie

Fabrikat: DEHN
Typ: DCOR 1P 275 D FM
Art.-Nr.: 900438
oder gleichwertig.

Certificates

 

Technical data

Technische Daten
SPD nach EN 61643-11 / ... IEC 61643-11 Typ 2 + Typ 3 / Class II + Class III
Höchste Dauerspannung AC [L-N] (UC ) 275 V (50 / 60 Hz)
Höchste Dauerspannung DC (UC ) 350 V
Nennableitstoßstrom (8/20 µs) [L-N] (In ) 10 kA
Max. Ableitstoßstrom (8/20 µs) [L-N] (Imax ) 20 kA
Nennableitstoßstrom (8/20 µs) [N-PE] (In ) 10 kA
Max. Ableitstoßstrom (8/20 µs) [N-PE] (Imax ) 40 kA
Schutzpegel [L-N] (UP ) ≤ 1,5 kV
Schutzpegel [N-PE] (UP ) ≤ 1,5 kV
Zulassungen KEMA
Technische Daten Signalseite
Ableiterklasse U
Nennspannung DC (UN ) 24 V
Höchste Dauerspannung DC (UC ) 28 V
C2 Nennableitstoßstrom (8/20 µs) gesamt (In ) 10 kA
Serienimpedanz pro Ader 1,8 Ohm
Grenzfrequenz Ad-Ad (100 Ohm) (fG ) 10 MHz

Product 900438 was added to Notepad.

Product 900438 was added to the cart.


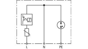
DEHNcord L 2P

Zweipoliger Überspannungs-Ableiter für alle Installationssysteme (1+1-Schaltung) und Leuchten der Schutzklasse I; kompakte Abmessungen.

2 Products

Part No. 900430 DCOR L 2P 275

GTIN 4013364157286, Customs tariff No. (EU): 85363030, Gross weight: 73.00 g, PU: 1.00 Stk.


Images

Additional information

Überspannungs-Ableiter DEHNcord L 2P 275
Zweipoliger Überspannungs-Ableiter für alle
230 V-Installationssysteme
Ableiter Typ 2 nach EN 61643-11
zum Einsatz in Kabelkanalsystemen,
Unterflursystemen und Geräteeinbaudosen
Defektanzeige
Höchste Dauerspannung: 275 V ac
Schutzpegel: <= 1,5 kV
Nennableitstoßstrom: 5 kA
Gesamtableitstoßstrom: 20 kA
Max. netzseitiger Überstromschutz: 25 A gG
oder B/C 16 A
Energetische Koordination nach DIN EN 62 305-4
Ableitern der Red/Line-Familie

Fabrikat: DEHN
Typ: DCOR L 2P 275
Art.-Nr.: 900430
oder gleichwertig.

Certificates

 

Technical data

SPD nach EN 61643-11 / ... IEC 61643-11 Typ 2 / Class II
Höchste Dauerspannung AC [L-N] (UC ) 275 V (50 / 60 Hz)
Nennableitstoßstrom (8/20 µs) (In ) 5 kA
Max. Ableitstoßstrom (8/20 µs) (Imax ) 10 kA
Schutzpegel [L-N] (UP ) ≤ 1,5 kV
Schutzpegel [N-PE] (UP ) ≤ 1,5 kV
Max. netzseitiger Überstromschutz 25 A gG
Zulassungen KEMA

Product 900430 was added to Notepad.

Product 900430 was added to the cart.

Part No. 900432 DCOR L 2P 320

GTIN 4013364157309, Customs tariff No. (EU): 85363030, Gross weight: 74.00 g, PU: 1.00 Stk.


Images

Additional information

Überspannungs-Ableiter DEHNcord L 2P 320
Zweipoliger Überspannungs-Ableiter für alle
230/277 V-Installationssysteme
Ableiter Typ 2 nach EN 61643-11
zum Einsatz in Kabelkanalsystemen,
Unterflursystemen und Geräteeinbaudosen
Defektanzeige
Höchste Dauerspannung: 320 V ac
Schutzpegel: <= 1,75 kV
Nennableitstoßstrom: 5 kA
Gesamtableitstoßstrom: 20 kA
Max. netzseitiger Überstromschutz: 25 A gG
oder B/C 16 A
Energetische Koordination nach DIN EN 62 305-4
Ableitern der Red/Line-Familie

Fabrikat: DEHN
Typ: DCOR L 2P 320
Art.-Nr.: 900432
oder gleichwertig.

Certificates

 

Technical data

SPD nach EN 61643-11 / ... IEC 61643-11 Typ 2 / Class II
Höchste Dauerspannung AC [L-N] (UC ) 320 V (50 / 60 Hz)
Nennableitstoßstrom (8/20 µs) (In ) 5 kA
Max. Ableitstoßstrom (8/20 µs) (Imax ) 10 kA
Schutzpegel [L-N] (UP ) ≤ 1,75 kV
Schutzpegel [N-PE] (UP ) ≤ 1,5 kV
Max. netzseitiger Überstromschutz 25 A gG
Zulassungen KEMA

Product 900432 was added to Notepad.

Product 900432 was added to the cart.


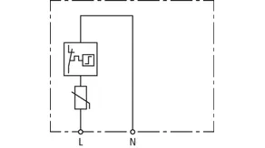
DEHNcord L 1P

Einpoliger Überspannungs-Ableiter für Leuchten mit Schutzklasse II; kompakte Abmessungen.

2 Products

Part No. 900431 DCOR L 1P 275

GTIN 4013364310827, Customs tariff No. (EU): 85363030, Gross weight: 60.00 g, PU: 1.00 Stk.


Images

Additional information

Überspannungs-Ableiter DEHNcord L 1P 275
Einpoliger Überspannungs-Ableiter für alle
230 V-Installationssysteme
Ableiter Typ 2 nach EN 61643-11
zum Einsatz in Kabelkanalsystemen,
Unterflursystemen und Geräteeinbaudosen
Defektanzeige
Höchste Dauerspannung: 275 V ac
Schutzpegel: <= 1,5 kV
Nennableitstoßstrom: 5 kA
Max. netzseitiger Überstromschutz: 25 A gG
oder B/C 16 A
Energetische Koordination nach DIN EN 62 305-4
Ableitern der Red/Line-Familie

Fabrikat: DEHN
Typ: DCOR L 1P 275
Art.-Nr.: 900431
oder gleichwertig.

Certificates

 

Technical data

SPD nach EN 61643-11 / ... IEC 61643-11 Typ 2 / Class II
Höchste Dauerspannung AC [L-N] (UC ) 275 V (50 / 60 Hz)
Nennableitstoßstrom (8/20 µs) (In ) 5 kA
Max. Ableitstoßstrom (8/20 µs) (Imax ) 10 kA
Schutzpegel [L-N] (UP ) ≤ 1,5 kV
Max. netzseitiger Überstromschutz 25 A gG
Zulassungen KEMA

Product 900431 was added to Notepad.

Product 900431 was added to the cart.

Part No. 900433 DCOR L 1P 320

GTIN 4013364157316, Customs tariff No. (EU): 85363030, Gross weight: 61.00 g, PU: 1.00 Stk.


Images

Additional information

Überspannungs-Ableiter DEHNcord L 1P 320
Einpoliger Überspannungs-Ableiter für alle
230/277 V-Installationssysteme
Ableiter Typ 2 nach EN 61643-11
zum Einsatz in Kabelkanalsystemen,
Unterflursystemen und Geräteeinbaudosen
Defektanzeige
Höchste Dauerspannung: 320 V ac
Schutzpegel: <= 1,75 kV
Nennableitstoßstrom: 5 kA
Max. netzseitiger Überstromschutz: 25 A gG
oder B/C 16 A
Energetische Koordination nach DIN EN 62 305-4
Ableitern der Red/Line-Familie

Fabrikat: DEHN
Typ: DCOR L 1P 320
Art.-Nr.: 900433
oder gleichwertig.

Certificates

 

Technical data

SPD nach EN 61643-11 / ... IEC 61643-11 Typ 2 / Class II
Höchste Dauerspannung AC [L-N] (UC ) 320 V (50 / 60 Hz)
Nennableitstoßstrom (8/20 µs) (In ) 5 kA
Max. Ableitstoßstrom (8/20 µs) (Imax ) 10 kA
Schutzpegel [L-N] (UP ) ≤ 1,75 kV
Max. netzseitiger Überstromschutz 25 A gG
Zulassungen KEMA

Product 900433 was added to Notepad.

Product 900433 was added to the cart.


DEHNcord L 2P SN1864

Überspannungs-Ableiter für Leuchten mit Schutzklasse II; kompakte Abmessungen. Mit Abschaltfunktion im Fehlerfall.

1 Product

Part No. 999906 DCOR L 2P SN1864

GTIN 4013364310926, Customs tariff No. (EU): 85363030, Gross weight: 70.50 g, PU: 1.00 Stk.


Images

Additional information

Überspannungs-Ableiter DEHNcord L 2P SN1864
Mehrpoliger Überspannungs-Ableiter Typ 2 nach EN 61643-11
zum Einsatz in Kabelübergangskästen.
Mit Schutz der Steuerphase
Möglichkeit zur Abschaltung der Leuchte im Falle eines Defekts
sowie zusätzlich integrierte optische Defektanzeige
für Versorgungsspannung
Höchste Dauerspannung: 275 V ac
Schutzpegel: <= 1,5 kV
Nennableitstoßstrom (8/20): 5 kA
Summenableitstoßstrom: 20 kA
Max. netzseitiger Überstromschutz: 16 A gG
Max. Laststrom AC: 10 A
Energetische Koordination nach DIN EN 62305-4
mit Ableitern der Red/Line-Familie

Fabrikat: DEHN
Typ: DCOR L 2P SN1864
Art.-Nr.: 999906
oder gleichwertig.

Certificates

 

Technical data

SPD nach EN 61643-11 / ... IEC 61643-11 Typ 2 / Class II
Höchste Dauerspannung AC [L-N] (UC ) 275 V (50 / 60 Hz)
Nennableitstoßstrom (8/20 µs) (In ) 5 kA
Max. Ableitstoßstrom (8/20 µs) (Imax ) 10 kA
Schutzpegel [L-N] (UP ) ≤ 1,5 kV
Max. netzseitiger Überstromschutz B 16 A

Product 999906 was added to Notepad.

Product 999906 was added to the cart.


DEHNcord L 2P SN1860

Überspannungs-Ableiter für alle Installationssysteme; kompakte Abmessungen. Mit Abschaltfunktion im Fehlerfall.

1 Product

Part No. 999937 DCOR L 2P SN1860

GTIN 4013364303195, Customs tariff No. (EU): 85363030, Gross weight: 86.00 g, PU: 1.00 Stk.


Images

Additional information

Überspannungs-Ableiter DEHNcord L 2P SN1860
Mehrpoliger Überspannungs-Ableiter Typ 2 nach EN 61643-11
zum Einsatz in Kabelübergangskästen.
Möglichkeit zur Abschaltung der Leuchte im Falle eines Defekts
sowie zusätzlich integrierte optische Defektanzeige
für Versorgungsspannung
Höchste Dauerspannung: 275 V ac
Schutzpegel: <= 1,5 kV
Nennableitstoßstrom (8/20): 5 kA
Summenableitstoßstrom: 20 kA
Folgestromlöschfähigkeit [N-PE]: 100 A eff
Max. netzseitiger Überstromschutz: 16 A gG
Max. Laststrom AC: 10 A
Energetische Koordination nach DIN EN 62305-4
mit Ableitern der Red/Line-Familie

Fabrikat: DEHN
Typ: DCOR L 2P SN1860
Art.-Nr.: 999937
oder gleichwertig.

Certificates

 

Technical data

SPD nach EN 61643-11 / ... IEC 61643-11 Typ 2 / Class II
Höchste Dauerspannung AC [L-N] (UC ) 275 V (50 / 60 Hz)
Nennableitstoßstrom (8/20 µs) (In ) 5 kA
Max. Ableitstoßstrom (8/20 µs) (Imax ) 10 kA
Schutzpegel [L-N] (UP ) ≤ 1,5 kV
Schutzpegel [N-PE] (UP ) ≤ 1,5 kV
Max. netzseitiger Überstromschutz B 16 A

Product 999937 was added to Notepad.

Product 999937 was added to the cart.


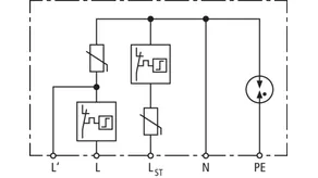
DEHNcord L 2P 275 SO LTG

Überspannungs-Ableiter für alle Installationssysteme; kompakte Abmessungen. Mit Abschaltfunktion im Fehlerfall.

1 Product

Part No. 900446 DCOR L 2P 275 SO LTG

GTIN 4013364292970, Customs tariff No. (EU): 85363030, Gross weight: 62.50 g, PU: 1.00 Stk.


Images

Additional information

Überspannungs-Ableiter DEHNcord L 2P 275 SO LTG
Mehrpoliger Überspannungs-Ableiter Typ 2 nach EN 61643-11
zum Einsatz in Kabelübergangskästen.
Möglichkeit zur Abschaltung der Leuchte im Falle eines Defekts
sowie zusätzlich integrierte optische Defektanzeige
für Versorgungsspannung
Höchste Dauerspannung: 275 V ac
Schutzpegel: <= 1,5 kV
Nennableitstoßstrom (8/20): 5 kA
Summenableitstoßstrom: 20 kA
Folgestromlöschfähigkeit [N-PE]: 100 A eff
Max. netzseitiger Überstromschutz: 16 A gG
Max. Laststrom AC: 10 A
Energetische Koordination nach DIN EN 62305-4
mit Ableitern der Red/Line-Familie

Fabrikat: DEHN
Typ: DCOR L 2P 275 SO LTG
Art.-Nr.: 900446
oder gleichwertig.

Certificates

 

Technical data

SPD nach EN 61643-11 / ... IEC 61643-11 Typ 2 / Class II
Höchste Dauerspannung AC [L-N] (UC ) 275 V (50 / 60 Hz)
Nennableitstoßstrom (8/20 µs) (In ) 5 kA
Max. Ableitstoßstrom (8/20 µs) (Imax ) 10 kA
Schutzpegel [L-N] (UP ) ≤ 1,5 kV
Schutzpegel [N-PE] (UP ) ≤ 1,5 kV
Max. netzseitiger Überstromschutz B 16 A
Zulassungen KEMA

Product 900446 was added to Notepad.

Product 900446 was added to the cart.


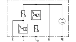
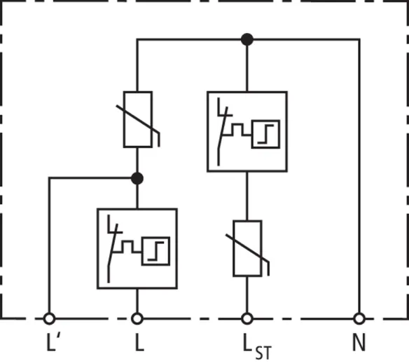
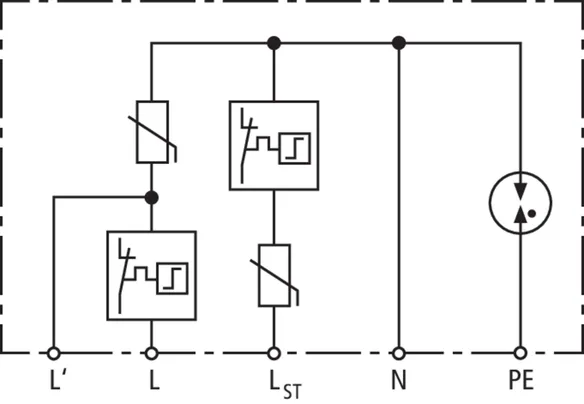
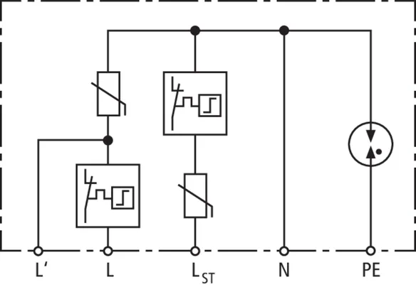
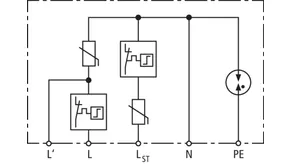
DEHNcord L 3P 275 SO LTG

Dreipoliger Ableiter für alle Installationssysteme; kompakte Abmessungen. Mit Abschaltfunktion des Laststromkreises im Fehlerfall und Schutz der Steuerphase.

1 Product

Part No. 900445 DCOR L 3P 275 SO LTG

GTIN 4013364280380, Customs tariff No. (EU): 85363030, Gross weight: 71.50 g, PU: 1.00 Stk.


Images

Additional information

Überspannungs-Ableiter DEHNcord L 3P 275 SO LTG
Mehrpoliger Überspannungs-Ableiter Typ 2 nach EN 61643-11
zum Einsatz in Kabelübergangskästen.
Mit Schutz der Steuerphase
Möglichkeit zur Abschaltung der Leuchte im Falle eines Defekts
sowie zusätzlich integrierte getrennte optische Defektanzeige
für Versorgungsspannung und Steuerphase
Höchste Dauerspannung: 275 V ac
Schutzpegel: <= 1,5 kV
Nennableitstoßstrom (8/20): 5 kA
Gesamtableitstoßstrom (8/20): 20 kA
Folgestromlöschfähigkeit [N-PE]: 100 A eff
Max. netzseitiger Überstromschutz: 16 A gG
Max. Laststrom AC: 10 A
Energetische Koordination nach DIN EN 62305-4
mit Ableitern der Red/Line-Familie

Fabrikat: DEHN
Typ: DCOR L 3P 275 SO LTG
Art.-Nr.: 900445
oder gleichwertig.

Certificates

 

Technical data

SPD nach EN 61643-11 / ... IEC 61643-11 Typ 2 / Class II
Höchste Dauerspannung AC [L-N] (UC ) 275 V (50 / 60 Hz)
Nennableitstoßstrom (8/20 µs) (In ) 5 kA
Max. Ableitstoßstrom (8/20 µs) (Imax ) 10 kA
Schutzpegel [L-N] (UP ) ≤ 1,5 kV
Schutzpegel [N-PE] (UP ) ≤ 1,5 kV
Max. netzseitiger Überstromschutz B 16 A
Zulassungen KEMA

Product 900445 was added to Notepad.

Product 900445 was added to the cart.


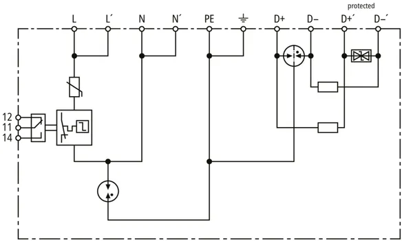
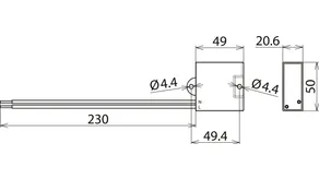
SK EK480 G2S-2d LM DCOR

Der Sicherungskasten EK480 ist ein Qualitätsprodukt aus dem Hause Langmatz, welches sich durch hochwertige Verarbeitung und praxisbewährte Eigenschaften auszeichnet. Die EK480 Produktreihe erfüllt alle mechanischen und elektrischen Anforderungen und Normen. Leuchten mit hochwertiger Elektronik können so wirkungsvoll gegen Überspannungen durch Schalthandlungen oder Naheinschläge geschützt werden.

1 Product

Part No. 900443 SK EK480 G2S-2d LM DCOR

GTIN 4013364394322, Customs tariff No. (EU): 85362010, Gross weight: 788.00 g, PU: 20.00 Stk.


Images

Additional information

Sicherungskasten EK480 mit Überspannungsableiter
DEHNcord L 3P 275 SO LTG
zum Schutz für LED-Mastleuchten
Mit Schutz der Steuerphase
Möglichkeit zur Abschaltung der Leuchte im Falle eines Defekts
sowie zusätzlich integrierte getrennte optische Defektanzeige
für Versorgungsspannung und Steuerphase
Höchste Dauerspannung: 275 V ac
Schutzpegel: <= 1,5 kV
Nennableitstoßstrom (8/20): 5 kA
Gesamtableitstoßstrom (8/20): 20 kA
Folgestromlöschfähigkeit [N-PE]: 100 A eff
Max. netzseitiger Überstromschutz: 16 A gG
Max. Laststrom AC: 10 A
Energetische Koordination nach DIN EN 62305-4
mit Ableitern der Red/Line-Familie
Abmessung Kasten: 277x80x67 mm
Schutzart: IP54 nach DIN VDE 0470
Schutzklasse: II

Fabrikat: DEHN
Typ: SK EK480 G2S-2d LM DCOR
Art.-Nr.: 900443
oder gleichwertig.

Certificates

 

Technical data

Daten Sicherungskasten
Abmessungen 276 x 81 x 70 mm
ab Mastinnendurchmesser 89 mm
Klemmtechnik Zugang: Schiebeklemmtechnik / Abgang: Federklemmtechnik
Maximaler klemmbarer Kabelquerschnitt 1 - 3 Kabel (4 bzw. 5 x 16 mm2)
Abgangsklemmen max. 2,5 mm2
Daten Überspannungsschutzgerät DEHNcord L 3P 275 SO LTG
SPD nach EN 61643-11 / ... IEC 61643-11 Typ 2 / Class II
Höchste Dauerspannung AC [L-N] (UC ) 275 V (50 / 60 Hz)
Nennableitstoßstrom (8/20 µs) (In ) 5 kA
Max. Ableitstoßstrom (8/20 µs) (Imax ) 10 kA
Schutzpegel [L-N] (UP ) ≤ 1,5 kV
Schutzpegel [N-PE] (UP ) ≤ 1,5 kV
Max. netzseitiger Überstromschutz B 16 A

Product 900443 was added to Notepad.

Product 900443 was added to the cart.


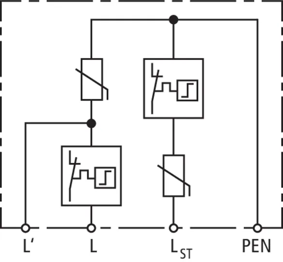
DEHNcord L 2P 275 SO LT

Zweipoliger Ableiter für TNC-Systeme; kompakte Abmessungen. Mit Abschaltfunktion des Laststromkreises im Fehlerfall und Schutz der Steuerphase.

1 Product

Part No. 900435 DCOR L 2P 275 SO LT

GTIN 4013364292963, Customs tariff No. (EU): 85363030, Gross weight: 70.00 g, PU: 1.00 Stk.


Images

Additional information

Überspannungs-Ableiter DEHNcord L 2P 275 SO LT
Mehrpoliger Überspannungs-Ableiter Typ 2 nach EN 61643-11
zum Einsatz in Kabelübergangskästen.
Mit Schutz der Steuerphase
Möglichkeit zur Abschaltung der Leuchte im Falle eines Defekts
sowie zusätzlich integrierte optische Defektanzeige
für Versorgungsspannung
Höchste Dauerspannung: 275 V ac
Schutzpegel: <= 1,5 kV
Nennableitstoßstrom (8/20): 5 kA
Summenableitstoßstrom: 20 kA
Max. netzseitiger Überstromschutz: 16 A gG
Max. Laststrom AC: 10 A
Energetische Koordination nach DIN EN 62305-4
mit Ableitern der Red/Line-Familie

Fabrikat: DEHN
Typ: DCOR L 2P 275 SO LT
Art.-Nr.: 900435
oder gleichwertig.

Certificates

 

Technical data

SPD nach EN 61643-11 / ... IEC 61643-11 Typ 2 / Class II
Höchste Dauerspannung AC [L-PEN] (UC ) 275 V (50 / 60 Hz)
Nennableitstoßstrom (8/20 µs) (In ) 5 kA
Max. Ableitstoßstrom (8/20 µs) (Imax ) 10 kA
Schutzpegel [L-PEN] (UP ) ≤ 1,5 kV
Max. netzseitiger Überstromschutz B 16 A
Zulassungen KEMA

Product 900435 was added to Notepad.

Product 900435 was added to the cart.


DEHNcord L 3P 275 SO IP

Dreipoliger Ableiter für alle Installationssysteme; kompakte Abmessungen. Schutzart IP 65. Mit Abschaltfunktion des Laststromkreises im Fehlerfall und Schutz der Steuerphase.

1 Product

Part No. 900447 DCOR L 3P 275 SO IP

GTIN 4013364282216, Customs tariff No. (EU): 85363030, Gross weight: 146.60 g, PU: 1.00 Stk.


Images

Additional information

Überspannungs-Ableiter DEHNcord L 3P 275 SO IP
Mehrpoliger Überspannungs-Ableiter Typ 2 nach EN 61643-11
mit Leitungen zur Montage im Aussenbereich (Schutzart IP65)
z.B. an Kabelübergangskästen.
Mit Schutz der Steuerphase
Möglichkeit zur Abschaltung der Leuchte im Falle eine Defekts
sowie zusätzlich integrierte getrennte optische Defektanzeige
für Versorgungsspannung und Steuerphase
Mit Befestigungslasche
Höchste Dauerspannung: 275 V ac
Schutzpegel: <= 1,5 kV
Nennableitstoßstrom (8/20): 5 kA
Gesamtableitstoßstrom (8/20): 20 kA
Folgestromlöschfähigkeit [N-PE]: 100 A eff
Max. netzseitiger Überstromschutz: 16 A gG
Max. Laststrom AC: 10 A
Energetische Koordination nach DIN EN 62305-4
mit Ableitern der Red/Line-Familie

Fabrikat: DEHN
Typ: DCOR L 3P 275 SO IP
Art.-Nr.: 900447
oder gleichwertig.

Certificates

 

Technical data

SPD nach EN 61643-11 / ... IEC 61643-11 Typ 2 / Class II
Höchste Dauerspannung AC [L-N] (UC ) 275 V (50 / 60 Hz)
Nennableitstoßstrom (8/20 µs) (In ) 5 kA
Max. Ableitstoßstrom (8/20 µs) (Imax ) 10 kA
Schutzpegel [L-N] (UP ) ≤ 1,5 kV
Schutzpegel [N-PE] (UP ) ≤ 1,5 kV
Max. netzseitiger Überstromschutz B 16 A

Product 900447 was added to Notepad.

Product 900447 was added to the cart.


DEHNcord L 2P 275 SO IP

Zweipoliger Ableiter für alle Installationssysteme; kompakte Abmessungen. Schutzart IP 65. Mit Abschaltfunktion im Fehlerfall.

1 Product

Part No. 900448 DCOR L 2P 275 SO IP

GTIN 4013364293007, Customs tariff No. (EU): 85363030, Gross weight: 139.90 g, PU: 1.00 Stk.


Images

Additional information

Überspannungs-Ableiter DEHNcord L 2P 275 SO IP
Mehrpoliger Überspannungs-Ableiter Typ 2 nach EN 61643-11
mit Leitungen zur Montage im Aussenbereich (Schutzart IP65)
z.B. an Kabelübergangskästen.
Möglichkeit zur Abschaltung der Leuchte im Falle eine Defekts
sowie zusätzlich integrierte optische Defektanzeige
für Versorgungsspannung
Mit Befestigungslasche
Höchste Dauerspannung: 275 V ac
Schutzpegel: <= 1,5 kV
Nennableitstoßstrom (8/20): 5 kA
Gesamtableitstoßstrom (8/20): 20 kA
Folgestromlöschfähigkeit [N-PE]: 100 A eff
Max. netzseitiger Überstromschutz: 16 A gG
Max. Laststrom AC: 10 A
Energetische Koordination nach DIN EN 62305-4
mit Ableitern der Red/Line-Familie

Fabrikat: DEHN
Typ: DCOR L 2P 275 SO IP
Art.-Nr.: 900448
oder gleichwertig.

Certificates

 

Technical data

SPD nach EN 61643-11 / ... IEC 61643-11 Typ 2 / Class II
Höchste Dauerspannung AC [L-N] (UC ) 275 V (50 / 60 Hz)
Nennableitstoßstrom (8/20 µs) (In ) 5 kA
Max. Ableitstoßstrom (8/20 µs) (Imax ) 10 kA
Schutzpegel [L-N] (UP ) ≤ 1,5 kV
Schutzpegel [N-PE] (UP ) ≤ 1,5 kV
Max. netzseitiger Überstromschutz B 16 A

Product 900448 was added to Notepad.

Product 900448 was added to the cart.


DEHNcord R 3P

Überspannungs-Ableiter für elektrische Raffstores; kompakte Abmessungen.

1 Product

Part No. 900449 DCOR R 3P 275

GTIN 4013364320031, Customs tariff No. (EU): 85363030, Gross weight: 151.00 g, PU: 1.00 Stk.


Images

Additional information

Überspannungs-Ableiter DEHNcord R 3P 275
Mehrpoliger Überspannungs-Ableiter Typ 2 nach EN 61643-11
zur Montage im Aussenbereich (Schutzart IP54) zum Schutz
von elektrischen Sonnen-/Sichtschutz bzw. Raffstores
Unterbrechung des Laststromkreises im Fehlerfall
für den Abwärtsbetrieb
Akustische Defektmeldung für beide Schutzpfade
Höchste Dauerspannung: 275 V ac
Schutzpegel: <= 1,5 kV
Nennableitstoßstrom (8/20): 2,5 kA
Gesamtableitstoßstrom (8/20) [L+N-PE]: 15 kA
Folgestromlöschfähigkeit [N-PE]: 100 A eff
Nennlaststrom AC: 10 A
Energetische Koordination nach DIN EN 62305-4
mit Ableitern der Red/Line-Familie

Fabrikat: DEHN
Typ: DCOR R 3P 275
Art.-Nr.: 900449
oder gleichwertig.

Certificates

 

Technical data

SPD nach EN 61643-11 / ... IEC 61643-11 Typ 2 / Class II
Höchste Dauerspannung AC [L-N] (UC ) 275 V (50 / 60 Hz)
Nennableitstoßstrom (8/20 µs) (In ) 2,5 kA
Max. Ableitstoßstrom (8/20 µs) (Imax ) 5 kA
Schutzpegel [L-N] (UP ) ≤ 1,5 kV
Steckverbindung Hirschmann STAK 3 / STAS 3

Product 900449 was added to Notepad.

Product 900449 was added to the cart.


back to top