DEHNsolid

  • Koordinierter Blitzstrom-Ableiter auf Funkenstreckenbasis
  • Sehr hohes Blitzstrom-Ableitvermögen bis 200 kA (10/350 µs)
  • Tiefer Schutzpegel UP ≤ 2,5 kV
  • Sehr robuste Bauform für Sammelschienenmontage oder Montage auf eine Montageplatte

DEHNsolid 1 255

Koordinierter, einpoliger Blitzstrom-Ableiter zum Einsatz in 230 / 400 V Systemen für die Sammelschiene oder Montageplatte.

1 Product

Part No. 900230 DSO 1 255

GTIN 4013364153783, Customs tariff No. (EU): 85363090, Gross weight: 1.67 kg, PU: 1.00 Stk.


Images

Additional information

Koordinierter Blitzstrom-Ableiter DEHNsolid 1 255
1-poliger, koordinierter Blitzstrom-Ableiter für höchste
Anforderungen an das Blitzstrom-Ableitvermögen
Ableiter Typ 1 Klassifikation gemäß EN 61643-11
nicht ausblasende und robuste Bauform für
Sammelschienenmontage oder Montage auf
einer Montageplatte
Höchste Dauerspannung: 255 V ac
Schutzpegel: <= 2,5 kV
Blitzstoßstrom (10/350): 200 kA
Folgestromlöschfähigkeit: 3 kAeff
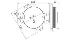
Abmessung: 200 x 186 x 52 mm

Fabrikat: DEHN
Typ: DSO 1 255
Art.-Nr.: 900230
oder gleichwertig.

Certificates

 

Wave breaker function

In the case of spark-gap-based type 1 arresters, the entire current flows through the type 1 arrester during the discharge process. Like a wave breaker, the incoming energy is greatly broken down, which significantly relieves the downstream SPDs. All type 1 arresters in the Red/Line product range feature the WBF wave breaker function.

Technical data

Klassifikation nach EN 61643-11 / IEC 61643-11 Typ 1 / Class I
Höchste Dauerspannung AC (UC ) 255 V (50 / 60 Hz)
Blitzstoßstrom (10/350 µs) (Iimp ) 200 kA
Schutzpegel (UP ) ≤ 2,5 kV
Max. netzseitiger Überstromschutz 160 A gG

Product 900230 was added to Notepad.

Product 900230 was added to the cart.


back to top