DEHNvenCI

  • Kombi-Ableiter auf Funkenstreckenbasis mit integrierter blitzstromtragfähiger Ableitervorsicherung
  • Energetisch koordiniert innerhalb der Red/Line-Produktfamilie
  • Tiefer Schutzpegel UP ≤ 1,5 kV (inkl. Vorsicherung)
  • Höchste Anlagenverfügbarkeit durch RADAX-Flow-Folgestrombegrenzung
  • Löschung von Netzfolgeströmen bis 100 kAeff
  • Hohes Blitzstrom-Ableitvermögen von 25 kA (10/350 µs)
  • Ermöglicht Endgeräteschutz
  • Funktions- / Defektanzeige durch grün-rote Markierung im Sichtfenster

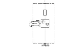
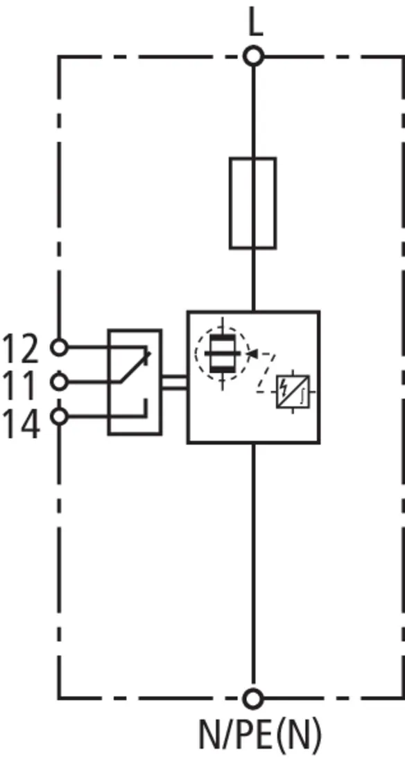
DEHNvenCI 255 (FM)

Einpoliger Kombi-Ableiter mit integrierter blitzstromtragfähiger Ableitervorsicherung zum Einsatz in 230 / 400 V Systemen; in der Ausführung FM mit potentialfreiem Fernmeldekontakt.

2 Products

Part No. 961200 DVCI 1 255

GTIN 4013364145108, Customs tariff No. (EU): 85363090, Gross weight: 477.30 g, PU: 1.00 Stk.


Images

Additional information

Kombi-Ableiter DEHNvenCI 255
1-poliger Kombi-Ableiter mit integrierter
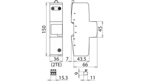
Ableitervorsicherung, Breite2TE
Ableiter Typ 1 + Typ 2 nach EN 61643-11
RADAX-Flow-Funkenstreckentechnologie
zur Folgestrombegrenzung
Ermöglicht Endgeräteschutz
Defektanzeige für Ableiter und integrierte Sicherung
Höchste Dauerspannung: 255 V AC
Schutzpegel: <= 1,5 kV
Blitzstoßstrom (10/350): 25 kA
Folgestromlöschfähigkeit: bis 100 kAeff.
Energetische Koordination nach DIN EN 62305-4
Ableiter der Red/Line-Familie, sowie direkt zum Endgerät

Fabrikat: DEHN
Typ: DVCI 1 255
Art.-Nr.: 961200
oder gleichwertig.

Certificates

 

Circuit Interruption

The backup fuse is already integrated here. This means: reduced space requirement, lower installation costs, faster wiring, and shorter connecting cables. This concept can be found in the product ranges DEHNvenCI, DEHNbloc Maxi S, DEHNguard ... CI and V(A) NH...

Wave breaker function

In the case of spark-gap-based type 1 arresters, the entire current flows through the type 1 arrester during the discharge process. Like a wave breaker, the incoming energy is greatly broken down, which significantly relieves the downstream SPDs. All type 1 arresters in the Red/Line product range feature the WBF wave breaker function.

Technical data

SPD nach EN 61643-11 / ... IEC 61643-11 Typ 1 + Typ 2 / Class I + Class II
Höchste Dauerspannung AC (UC ) 255 V (50 / 60 Hz)
Blitzstoßstrom (10/350 µs) (Iimp ) 25 kA
Schutzpegel (UP ) ≤ 1,5 kV
Max. netzseitiger Überstromschutz integrierte Vorsicherung
Zulassungen KEMA
Erweiterte technische Daten: Verwendung in Schaltanlagen mit prospektiven Kurzschlussströmen größer 50 kAeff (geprüft durch VDE)
– Max. prospektiver Kurzschlussstrom 100 kAeff (220 kApeak)

Product 961200 was added to Notepad.

Product 961200 was added to the cart.

Part No. 961205 DVCI 1 255 FM

GTIN 4013364145115, Customs tariff No. (EU): 85363090, Gross weight: 480.80 g, PU: 1.00 Stk.


Images

Additional information

Kombi-Ableiter DEHNvenCI 255 FM
1-poliger Kombi-Ableiter mit integrierter
Ableitervorsicherung, Breite 2TE
mit Fernmeldekontakt
Ableiter Typ 1 + Typ 2 nach EN 61643-11
RADAX-Flow-Funkenstreckentechnologie
zur Folgestrombegrenzung
Ermöglicht Endgeräteschutz
Defektanzeige und Fernmeldung für Ableiter und integrierte Sicherung
Höchste Dauerspannung: 255 V AC
Schutzpegel: <= 1,5 kV
Blitzstoßstrom (10/350): 25 kA
Folgestromlöschfähigkeit: bis 100 kAeff.
Energetische Koordination nach
DIN EN 62305-4
Ableiter der Red/Line-Familie, sowie direkt zum Endgerät

Fabrikat: DEHN
Typ: DVCI 1 255 FM
Art.-Nr.: 961205
oder gleichwertig.

Certificates

 

Circuit Interruption

The backup fuse is already integrated here. This means: reduced space requirement, lower installation costs, faster wiring, and shorter connecting cables. This concept can be found in the product ranges DEHNvenCI, DEHNbloc Maxi S, DEHNguard ... CI and V(A) NH...

Wave breaker function

In the case of spark-gap-based type 1 arresters, the entire current flows through the type 1 arrester during the discharge process. Like a wave breaker, the incoming energy is greatly broken down, which significantly relieves the downstream SPDs. All type 1 arresters in the Red/Line product range feature the WBF wave breaker function.

Technical data

SPD nach EN 61643-11 / ... IEC 61643-11 Typ 1 + Typ 2 / Class I + Class II
Höchste Dauerspannung AC (UC ) 255 V (50 / 60 Hz)
Blitzstoßstrom (10/350 µs) (Iimp ) 25 kA
Schutzpegel (UP ) ≤ 1,5 kV
Max. netzseitiger Überstromschutz integrierte Vorsicherung
Zulassungen KEMA
FM-Kontakte / Kontaktform Wechsler
Erweiterte technische Daten: Verwendung in Schaltanlagen mit prospektiven Kurzschlussströmen größer 50 kAeff (geprüft durch VDE)
– Max. prospektiver Kurzschlussstrom 100 kAeff (220 kApeak)

Product 961205 was added to Notepad.

Product 961205 was added to the cart.


back to top