DEHNguard ME/SE DC ... (FM)

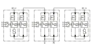
  • Universell einsetzbarer Kombi-Ableiter / Überspannungs-Ableiter, bestehend aus Basisteil und gestecktem Schutzmodul
  • Speziell für den Einsatz in DC-Stromkreisen konstruiertes Gerätekonzept
  • Leistungsfähige DC-Schaltvorrichtung DCD zur Vermeidung von Brandschäden infolge DC-Schaltlichtbögen
  • Vorsicherungsfreier Einsatz in definierten Anwendungsgrenzen
  • Funktions- / Defektanzeige durch grün-rote Markierung im Sichtfenster
  • Einfacher, werkzeugloser Schutzmodulwechsel durch Modulverriegelungssystem mit Modulentriegelungstaste

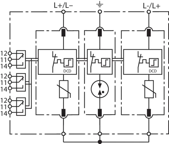
DEHNguard M DC ACI 1250 FM

Modularer Ableiter für Gleichstromanwendungen; mit potentialfreiem Fernmeldekontakt.

1 Product

Part No. 972150 DG M DC ACI 1250 FM

GTIN 4013364530850, Customs tariff No. (EU): 85354000, Gross weight: 757.40 g, PU: 1.00 Stk.


Images

Additional information

Überspannungsschutzableiter Typ 2, DG M DC ACI 1250 FM
modularer, steckbarer Überspannungs-Ableiter
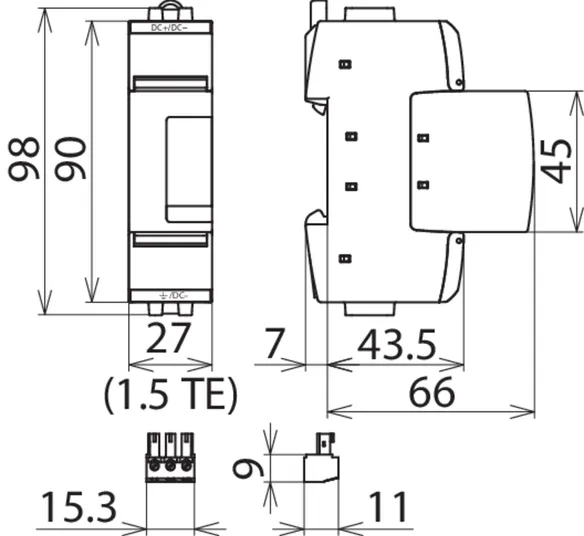
für Gleichstromanwendungen, Breite 6 TE
mechanische Funktions-/Defektanzeige
Ableiter Typ 2 analog zu EN / IEC 61643-41
bestehend aus Schalter-/Funkenstrecken-Kombination
Speziell für den Einsatz in DC-Ladeeinrichtungen bis 1250 V
Höchste Dauerspannung (+ --> -): 1250 V DC
Nennableitstoßstrom (8/20 µs): 10 kA
potentialfreier Fernmeldekontakt als Wechselkontakt
Vibrations- und Schockgeprüft nach EN60068
Erfüllt IEC 61851-23

Fabrikat: DEHN
Typ: DG M DC ACI 1250 FM
Art.-Nr.: 972150
oder gleichwertig.

Certificates

 

ACI-Technology

A further development of CI technology, ACI technology consists of a switch/spark gap combination connected in series with a heavyduty varistor. This ensures the simple design and safe operation of the surge protective device. Other features are safe dimensioning, TOV withstand, a connection cross-section of only 6 mm� Cu and zero leakage current. Surge arresters with ACI technology offer maximum safety and system availability.

Technical data

SPD-Klassifikation analog zu EN 61643-41 / ... IEC 61643-41 Typ 2 / Class II
Höchste Dauerspannung DC [DC+ --> DC-] (UC ) 1250 V
Höchste Dauerspannung DC [(DC+/DC-) --> PE] (UC ) 625 V
Nennableitstoßstrom (8/20 µs) (In ) 10 kA
Max. Nennableitstoßstrom (8/20 µs) (Imax ) 20 kA
Schutzpegel [DC+ --> DC-] (UP ) < 5 kV
Schutzpegel [(DC+/DC-) --> PE] (UP ) < 2,5 kV
Max. Kurzschlussfestigkeit (ISCCR ) 5 kA
FM-Kontakte / Kontaktform Wechsler

Product 972150 was added to Notepad.

Product 972150 was added to the cart.


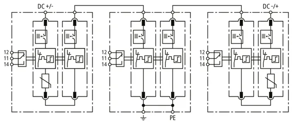
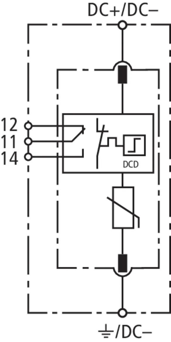
DEHNguard ME DC ... FM

Modularer Kombi-Ableiter für Gleichstromanwendungen; mit potentialfreiem Fernmeldekontakt.

1 Product

Part No. 972147 DG ME DC Y 1000 FM

GTIN 4013364519817, Customs tariff No. (EU): 85363030, Gross weight: 530.49 g, PU: 1.00 Stk.


Images

Additional information

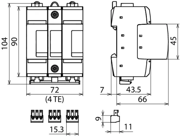
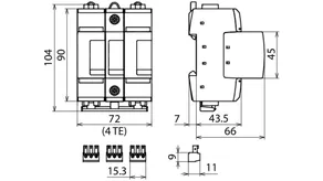
Kombi-Ableiter Typ 1+2 DEHNguard ME DC Y 1000 FM
3-poliger, modularer, steckbarer Kombi-Ableiter
für Gleichstromanwendungen, Breite 4TE
mechanische Funktions-/Defektanzeige
Ableiter Typ 1+2 analog zu EN 61643-11 Y-Schaltung
bestehend aus leckstromfreier Varistor-Gasableiter -Technologie
Speziell für den Einsatz in DC-Stromkreisen bis 1000 V geeignete
DC-Schaltvorrichtung DCD
Höchste Dauerspannung: 1000 V dc
Blitzstoßstrom 5kA (10/350µs)
Nennableitstoßstrom: 12,5 kA (8/20µs)
potentialfreier Fernmeldekontakt als Wechselkontakt
Vibrations- und Schockgeprüft nach EN60068

Fabrikat: DEHN
Typ: DG ME DC Y 1000 FM
Art.-Nr.: 972147
oder gleichwertig.

Certificates

 

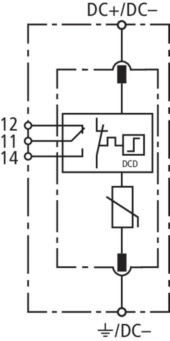
Direct Current-Disconnection

When using surge arresters in d.c. applications, disconnection must be reliably ensured even if there are no zero crossings. The specifically developed DC Disconnection (DCD) technology acts as a wedge similar to a blocking valve and interrupts the direct current. Consequently, the devices of the DEHNguard SE DC series are capable of safely interrupting direct currents, thus preventing fire damage caused by d.c. switching arcs.

Technical data

Blitzstoßstrom (10/350 µs) (Iimp ) 5 kA
Nennableitstoßstrom (8/20 µs) (In ) 12,5 kA
Max. Nennableitstoßstrom (8/20 µs) (Imax ) 20 kA
Schutzpegel [DC+ --> DC-] (UP ) < 3,75 kV
Schutzpegel [(DC+/DC-) --> PE] (UP ) < 2,5 kV
Max. Kurzschlussfestigkeit (ISCCR ) 5 kA
FM-Kontakte / Kontaktform Wechsler

Product 972147 was added to Notepad.

Product 972147 was added to the cart.


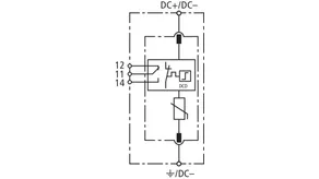
DEHNguard SE DC ...

Einpoliger, modularer Überspannungs-Ableiter für Gleichstromanwendungen.

4 Products

Part No. 972110 DG SE DC 60

GTIN 4013364158504, Customs tariff No. (EU): 85363030, Gross weight: 160.00 g, PU: 1.00 Stk.


Images

Additional information

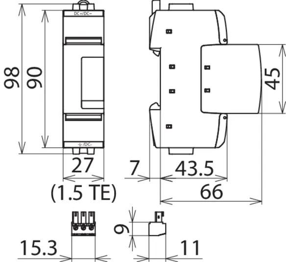
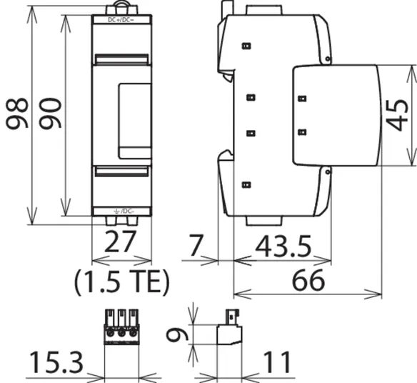
Überspannungs-Ableiter DEHNguard SE DC 60
1-poliger, modularer, steckbarer Überspannungs-Ableiter
für Gleichstromanwendungen, Breite 1,5TE
Defektanzeige
Ableiter Typ 2 nach EN 61643-11
Hochleistungsfähige Varistor-Technologie
Speziell für den Einsatz in DC-Stromkreisen
geeignete DC-Schaltvorrichtung DCD
Höchste Dauerspannung: 60 V dc
Schutzpegel: <= 0,5 kV
Nennableitstoßstrom: 12,5 kA
Kurzschlussfestigkeit bei max. netzseitigem
Überstromschutz DC: 2000 A
Energetische Koordination nach DIN EN 62305-4
Ableiter der Red/Line-Familie

Fabrikat: DEHN
Typ: DG SE DC 60
Art.-Nr.: 972110
oder gleichwertig.

Certificates

 

Direct Current-Disconnection

When using surge arresters in d.c. applications, disconnection must be reliably ensured even if there are no zero crossings. The specifically developed DC Disconnection (DCD) technology acts as a wedge similar to a blocking valve and interrupts the direct current. Consequently, the devices of the DEHNguard SE DC series are capable of safely interrupting direct currents, thus preventing fire damage caused by d.c. switching arcs.

Technical data

SPD-Klassifikation nach EN 61643-11 / ... IEC 61643-11 Typ 2 / Class II
Höchste Dauerspannung DC (UC ) 60 V
Nennableitstoßstrom (8/20 µs) (In ) 12,5 kA
Schutzpegel (UP ) ≤ 0,5 kV
Kurzschlussfestigkeit ohne Vorsicherung DC (ISCCR ) 300 A
Kurzschlussfestigkeit bei max. netzseitigem Überstromschutz DC (ISCCR ) 25 kA
Max. netzseitiger Überstromschutz 35 A gG

Product 972110 was added to Notepad.

Product 972110 was added to the cart.

Part No. 972120 DG SE DC 242

GTIN 4013364158528, Customs tariff No. (EU): 85363030, Gross weight: 170.00 g, PU: 1.00 Stk.


Images

Additional information

Überspannungs-Ableiter DEHNguard SE DC 242
1-poliger, modularer, steckbarer Überspannungs-Ableiter
für Gleichstromanwendungen, Breite 1,5TE
Defektanzeige
Ableiter Typ 2 nach EN 61643-11
Hochleistungsfähige Varistor-Technologie
Speziell für den Einsatz in DC-Stromkreisen
geeignete DC-Schaltvorrichtung DCD
Höchste Dauerspannung: 242 V dc
Schutzpegel: <= 1,25 kV
Nennableitstoßstrom: 12,5 kA
Kurzschlussfestigkeit bei max. netzseitigem
Überstromschutz DC: 2000 A
Energetische Koordination nach
DIN EN 62305-4
Ableiter der Red/Line-Familie

Fabrikat: DEHN
Typ: DG SE DC 242
Art.-Nr.: 972120
oder gleichwertig.

Certificates

 

Direct Current-Disconnection

When using surge arresters in d.c. applications, disconnection must be reliably ensured even if there are no zero crossings. The specifically developed DC Disconnection (DCD) technology acts as a wedge similar to a blocking valve and interrupts the direct current. Consequently, the devices of the DEHNguard SE DC series are capable of safely interrupting direct currents, thus preventing fire damage caused by d.c. switching arcs.

Technical data

SPD-Klassifikation nach EN 61643-11 / ... IEC 61643-11 Typ 2 / Class II
Höchste Dauerspannung DC (UC ) 242 V
Nennableitstoßstrom (8/20 µs) (In ) 12,5 kA
Schutzpegel (UP ) ≤ 1,25 kV
Kurzschlussfestigkeit ohne Vorsicherung DC (ISCCR ) 300 A
Kurzschlussfestigkeit bei max. netzseitigem Überstromschutz DC (ISCCR ) 25 kA
Max. netzseitiger Überstromschutz 35 A gG

Product 972120 was added to Notepad.

Product 972120 was added to the cart.

Part No. 972130 DG SE DC 550

GTIN 4013364158627, Customs tariff No. (EU): 85363030, Gross weight: 184.00 g, PU: 1.00 Stk.


Images

Additional information

Überspannungs-Ableiter DEHNguard SE DC 550
1-poliger, modularer, steckbarer Überspannungs-Ableiter
für Gleichstromanwendungen, Breite 1,5TE
Defektanzeige
Ableiter Typ 2 nach EN 61643-11
Hochleistungsfähige Varistor-Technologie
Speziell für den Einsatz in DC-Stromkreisen
geeignete DC-Schaltvorrichtung DCD
Höchste Dauerspannung: 550 V dc
Schutzpegel: <= 2,0 kV
Nennableitstoßstrom: 12,5 kA
Kurzschlussfestigkeit bei max. netzseitigem
Überstromschutz DC: 2000 A
Energetische Koordination nach DIN EN 62305-4
Ableiter der Red/Line-Familie

Fabrikat: DEHN
Typ: DG SE DC 550
Art.-Nr.: 972130
oder gleichwertig.

Certificates

 

Direct Current-Disconnection

When using surge arresters in d.c. applications, disconnection must be reliably ensured even if there are no zero crossings. The specifically developed DC Disconnection (DCD) technology acts as a wedge similar to a blocking valve and interrupts the direct current. Consequently, the devices of the DEHNguard SE DC series are capable of safely interrupting direct currents, thus preventing fire damage caused by d.c. switching arcs.

Technical data

SPD-Klassifikation nach EN 61643-11 / ... IEC 61643-11 Typ 2 / Class II
Höchste Dauerspannung DC (UC ) 550 V
Nennableitstoßstrom (8/20 µs) (In ) 12,5 kA
Schutzpegel (UP ) ≤ 2,0 kV
Kurzschlussfestigkeit ohne Vorsicherung DC (ISCCR ) 200 A
Kurzschlussfestigkeit bei max. netzseitigem Überstromschutz DC (ISCCR ) 25 kA
Max. netzseitiger Überstromschutz 35 A gG

Product 972130 was added to Notepad.

Product 972130 was added to the cart.

Part No. 972140 DG SE DC 900

GTIN 4013364158641, Customs tariff No. (EU): 85363030, Gross weight: 190.00 g, PU: 1.00 Stk.


Images

Additional information

Überspannungs-Ableiter DEHNguard SE DC 900
1-poliger, modularer, steckbarer Überspannungs-Ableiter
für Gleichstromanwendungen, Breite 1,5TE
Defektanzeige
Ableiter Typ 2 nach EN 61643-11
Hochleistungsfähige Varistor-Technologie
Speziell für den Einsatz in DC-Stromkreisen
geeignete DC-Schaltvorrichtung DCD
Höchste Dauerspannung: 900 V dc
Schutzpegel:<= 3,0 kV
Nennableitstoßstrom: 12,5 kA
Kurzschlussfestigkeit bei max. netzseitigem
Überstromschutz DC: 2000 A
Energetische Koordination nach DIN EN 62305-4
Ableiter der Red/Line-Familie

Fabrikat: DEHN
Typ: DG SE DC 900
Art.-Nr.: 972140
oder gleichwertig.

Certificates

 

Direct Current-Disconnection

When using surge arresters in d.c. applications, disconnection must be reliably ensured even if there are no zero crossings. The specifically developed DC Disconnection (DCD) technology acts as a wedge similar to a blocking valve and interrupts the direct current. Consequently, the devices of the DEHNguard SE DC series are capable of safely interrupting direct currents, thus preventing fire damage caused by d.c. switching arcs.

Technical data

SPD-Klassifikation nach EN 61643-11 / ... IEC 61643-11 Typ 2 / Class II
Höchste Dauerspannung DC (UC ) 900 V
Nennableitstoßstrom (8/20 µs) (In ) 12,5 kA
Schutzpegel (UP ) ≤ 3,0 kV
Kurzschlussfestigkeit ohne Vorsicherung DC (ISCCR ) 100 A
Kurzschlussfestigkeit bei max. netzseitigem Überstromschutz DC (ISCCR ) 25 kA
Max. netzseitiger Überstromschutz 80 A gPV

Product 972140 was added to Notepad.

Product 972140 was added to the cart.


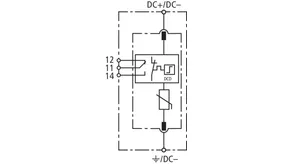
DEHNguard SE DC ... FM

Einpoliger, modularer Überspannungs-Ableiter für Gleichstromanwendungen; mit potentialfreiem Fernmeldekontakt.

4 Products

Part No. 972115 DG SE DC 60 FM

GTIN 4013364158511, Customs tariff No. (EU): 85363030, Gross weight: 164.00 g, PU: 1.00 Stk.


Images

Additional information

Überspannungs-Ableiter DEHNguard SE DC 60 FM
1-poliger, modularer, steckbarer Überspannungs-Ableiter
für Gleichstromanwendungen, Breite 1,5TE
Defektanzeige
Ableiter Typ 2 nach EN 61643-11
Mit Fernmeldekontakt
Hochleistungsfähige Varistor-Technologie
Speziell für den Einsatz in DC-Stromkreisen
geeignete DC-Schaltvorrichtung DCD
Höchste Dauerspannung: 60 V dc
Schutzpegel: <= 0,5 kV
Nennableitstoßstrom: 12,5 kA
Kurzschlussfestigkeit bei max. netzseitigem
Überstromschutz DC: 2000 A
Energetische Koordination nach DIN EN 62305-4
Ableiter der Red/Line-Familie

Fabrikat: DEHN
Typ: DG SE DC 60 FM
Art.-Nr.: 972115
oder gleichwertig.

Certificates

 

Direct Current-Disconnection

When using surge arresters in d.c. applications, disconnection must be reliably ensured even if there are no zero crossings. The specifically developed DC Disconnection (DCD) technology acts as a wedge similar to a blocking valve and interrupts the direct current. Consequently, the devices of the DEHNguard SE DC series are capable of safely interrupting direct currents, thus preventing fire damage caused by d.c. switching arcs.

Technical data

SPD-Klassifikation nach EN 61643-11 / ... IEC 61643-11 Typ 2 / Class II
Höchste Dauerspannung DC (UC ) 60 V
Nennableitstoßstrom (8/20 µs) (In ) 12,5 kA
Schutzpegel (UP ) ≤ 0,5 kV
Kurzschlussfestigkeit ohne Vorsicherung DC (ISCCR ) 300 A
Kurzschlussfestigkeit bei max. netzseitigem Überstromschutz DC (ISCCR ) 25 kA
Max. netzseitiger Überstromschutz 35 A gG
FM-Kontakte / Kontaktform Wechsler

Product 972115 was added to Notepad.

Product 972115 was added to the cart.

Part No. 972125 DG SE DC 242 FM

GTIN 4013364158610, Customs tariff No. (EU): 85363030, Gross weight: 174.00 g, PU: 1.00 Stk.


Images

Additional information

Überspannungs-Ableiter DEHNguard SE DC 242 FM
1-poliger, modularer, steckbarer Überspannungs-Ableiter
für Gleichstromanwendungen, Breite 1,5TE
Defektanzeige
Ableiter Typ 2 nach EN 61643-11
Mit Fernmeldekontakt
Hochleistungsfähige Varistor-Technologie
Speziell für den Einsatz in DC-Stromkreisen
geeignete DC-Schaltvorrichtung DCD
Höchste Dauerspannung: 242 V dc
Schutzpegel: <= 1,25 kV
Nennableitstoßstrom: 12,5 kA
Kurzschlussfestigkeit bei max. netzseitigem
Überstromschutz DC: 2000 A
Energetische Koordination nach DIN EN 62305-4
Ableiter der Red/Line-Familie

Fabrikat: DEHN
Typ: DG SE DC 242 FM
Art.-Nr.: 972125
oder gleichwertig.

Certificates

 

Direct Current-Disconnection

When using surge arresters in d.c. applications, disconnection must be reliably ensured even if there are no zero crossings. The specifically developed DC Disconnection (DCD) technology acts as a wedge similar to a blocking valve and interrupts the direct current. Consequently, the devices of the DEHNguard SE DC series are capable of safely interrupting direct currents, thus preventing fire damage caused by d.c. switching arcs.

Technical data

SPD-Klassifikation nach EN 61643-11 / ... IEC 61643-11 Typ 2 / Class II
Höchste Dauerspannung DC (UC ) 242 V
Nennableitstoßstrom (8/20 µs) (In ) 12,5 kA
Schutzpegel (UP ) ≤ 1,25 kV
Kurzschlussfestigkeit ohne Vorsicherung DC (ISCCR ) 300 A
Kurzschlussfestigkeit bei max. netzseitigem Überstromschutz DC (ISCCR ) 25 kA
Max. netzseitiger Überstromschutz 35 A gG
FM-Kontakte / Kontaktform Wechsler

Product 972125 was added to Notepad.

Product 972125 was added to the cart.

Part No. 972135 DG SE DC 550 FM

GTIN 4013364158634, Customs tariff No. (EU): 85363030, Gross weight: 189.00 g, PU: 1.00 Stk.


Images

Additional information

Überspannungs-Ableiter DEHNguard SE DC 550 FM
1-poliger, modularer, steckbarer Überspannungs-Ableiter
für Gleichstromanwendungen, Breite 1,5TE
Defektanzeige
Ableiter Typ 2 nach EN 61643-11
Mit Fernmeldekontakt
Hochleistungsfähige Varistor-Technologie
Speziell für den Einsatz in DC-Stromkreisen
geeignete DC-Schaltvorrichtung DCD
Höchste Dauerspannung: 550 V dc
Schutzpegel: <= 2,0 kV
Nennableitstoßstrom: 12,5 kA
Kurzschlussfestigkeit bei max. netzseitigem
Überstromschutz DC: 2000 A
Energetische Koordination nach DIN EN 62305-4
Ableiter der Red/Line-Familie

Fabrikat: DEHN
Typ: DG SE DC 550 FM
Art.-Nr.: 972135
oder gleichwertig.

Certificates

 

Direct Current-Disconnection

When using surge arresters in d.c. applications, disconnection must be reliably ensured even if there are no zero crossings. The specifically developed DC Disconnection (DCD) technology acts as a wedge similar to a blocking valve and interrupts the direct current. Consequently, the devices of the DEHNguard SE DC series are capable of safely interrupting direct currents, thus preventing fire damage caused by d.c. switching arcs.

Technical data

SPD-Klassifikation nach EN 61643-11 / ... IEC 61643-11 Typ 2 / Class II
Höchste Dauerspannung DC (UC ) 550 V
Nennableitstoßstrom (8/20 µs) (In ) 12,5 kA
Schutzpegel (UP ) ≤ 2,0 kV
Kurzschlussfestigkeit ohne Vorsicherung DC (ISCCR ) 200 A
Kurzschlussfestigkeit bei max. netzseitigem Überstromschutz DC (ISCCR ) 25 kA
Max. netzseitiger Überstromschutz 35 A gG
FM-Kontakte / Kontaktform Wechsler

Product 972135 was added to Notepad.

Product 972135 was added to the cart.

Part No. 972145 DG SE DC 900 FM

GTIN 4013364158658, Customs tariff No. (EU): 85363030, Gross weight: 194.00 g, PU: 1.00 Stk.


Images

Additional information

Überspannungs-Ableiter DEHNguard SE DC 900 FM
1-poliger, modularer, steckbarer Überspannungs-Ableiter
für Gleichstromanwendungen, Breite 1,5TE
Defektanzeige
Ableiter Typ 2 nach EN 61643-11
Mit Fernmeldekontakt
Hochleistungsfähige Varistor-Technologie
Speziell für den Einsatz in DC-Stromkreisen
geeignete DC-Schaltvorrichtung DCD
Höchste Dauerspannung: 900 V dc
Schutzpegel: <= 3,0 kV
Nennableitstoßstrom: 12,5 kA
Kurzschlussfestigkeit bei max. netzseitigem
Überstromschutz DC: 2000 A
Energetische Koordination nach DIN EN 62305-4
Ableiter der Red/Line-Familie

Fabrikat: DEHN
Typ: DG SE DC 900 FM
Art.-Nr.: 972145
oder gleichwertig.

Certificates

 

Direct Current-Disconnection

When using surge arresters in d.c. applications, disconnection must be reliably ensured even if there are no zero crossings. The specifically developed DC Disconnection (DCD) technology acts as a wedge similar to a blocking valve and interrupts the direct current. Consequently, the devices of the DEHNguard SE DC series are capable of safely interrupting direct currents, thus preventing fire damage caused by d.c. switching arcs.

Technical data

SPD-Klassifikation nach EN 61643-11 / ... IEC 61643-11 Typ 2 / Class II
Höchste Dauerspannung DC (UC ) 900 V
Nennableitstoßstrom (8/20 µs) (In ) 12,5 kA
Schutzpegel (UP ) ≤ 3,0 kV
Kurzschlussfestigkeit ohne Vorsicherung DC (ISCCR ) 100 A
Kurzschlussfestigkeit bei max. netzseitigem Überstromschutz DC (ISCCR ) 25 kA
Max. netzseitiger Überstromschutz 80 A gPV
FM-Kontakte / Kontaktform Wechsler

Product 972145 was added to Notepad.

Product 972145 was added to the cart.


back to top