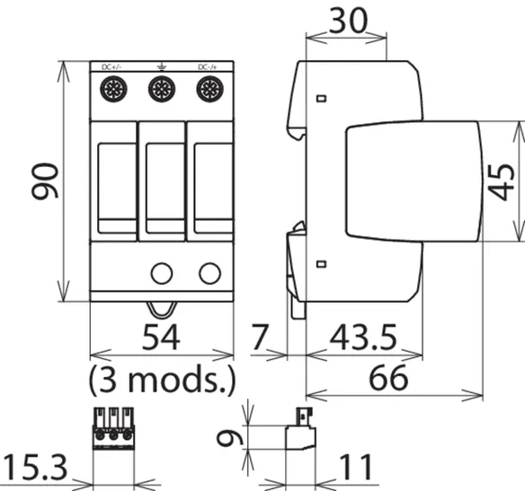
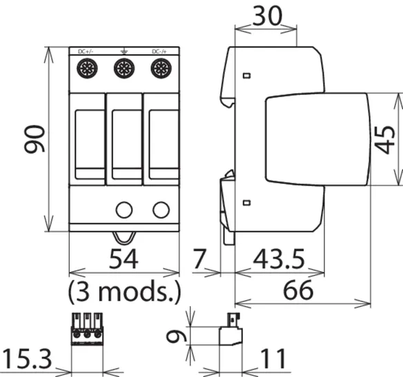
DEHNguard modular (Y)PV SCI ...
:quality(98)/www.dehn.sg/store/f/61814959/HDVORSCHAU/952510a4_16-9.jpg)
:quality(98)/www.dehn.sg/store/f/61814959/HDVORSCHAU/952510a4_16-9.jpg)
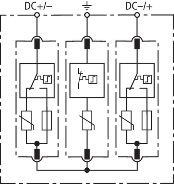
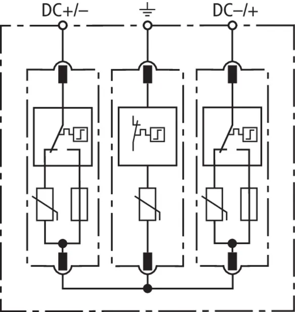
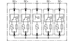
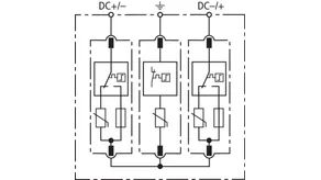
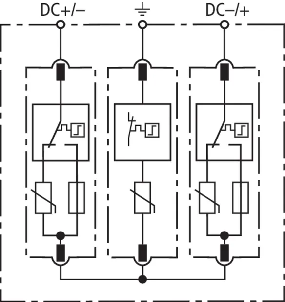
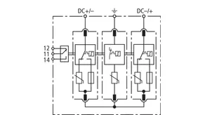
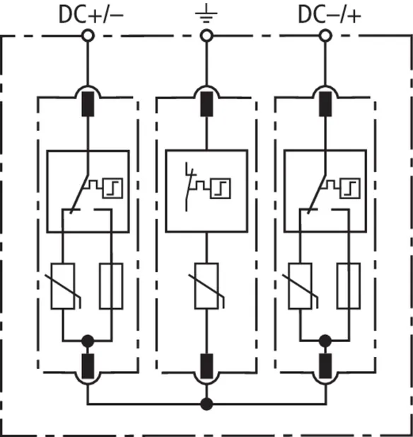
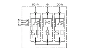
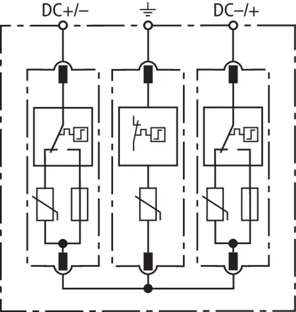
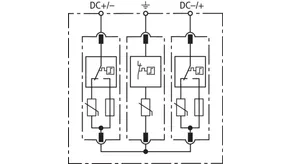
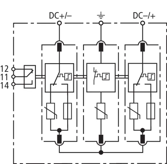
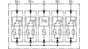
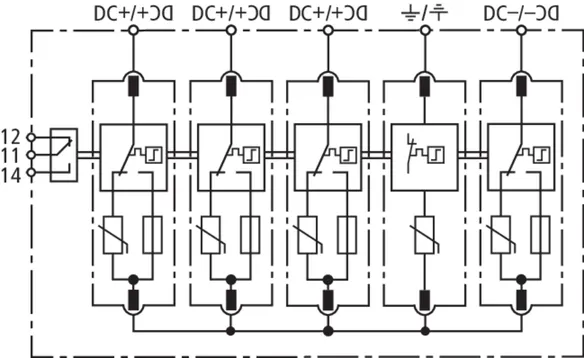
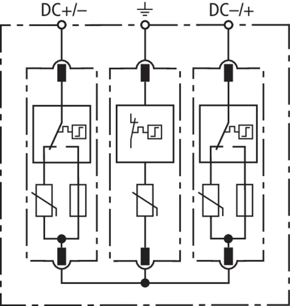
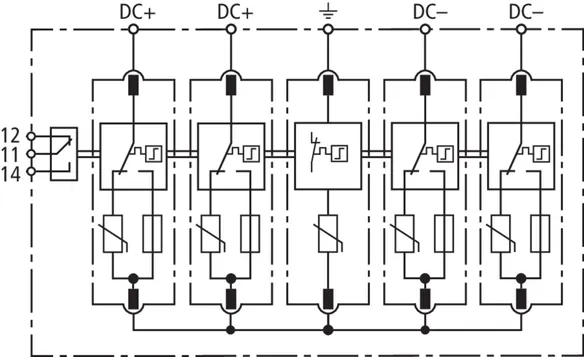
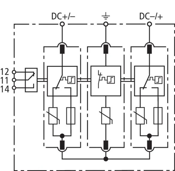
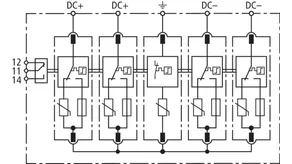
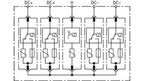
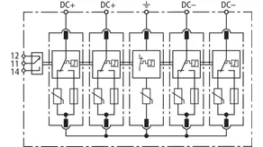
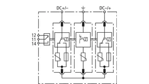
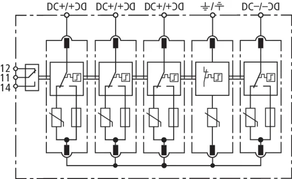
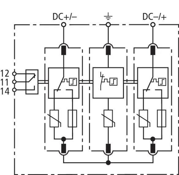
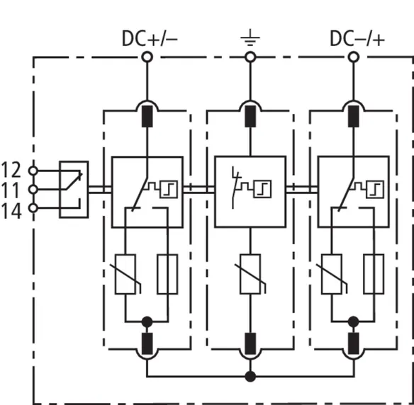
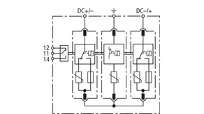
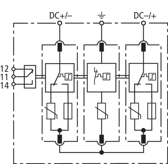
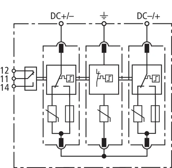
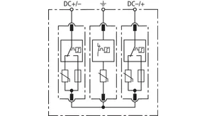
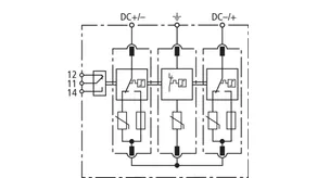
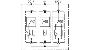
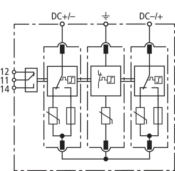
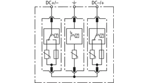
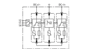
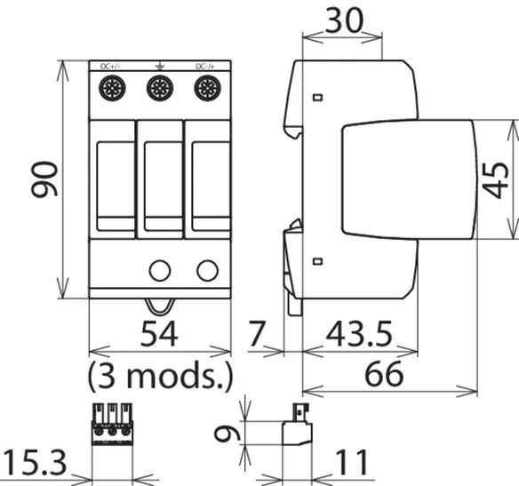
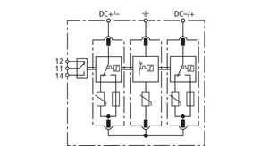
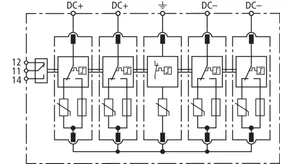
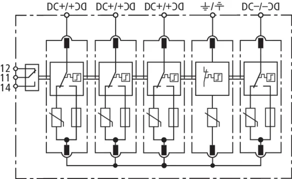
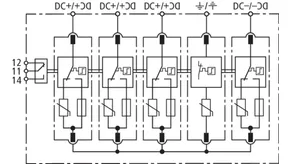
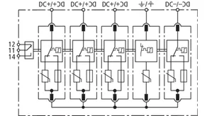
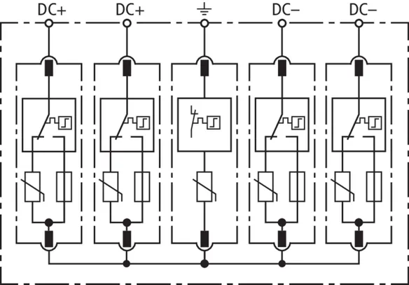
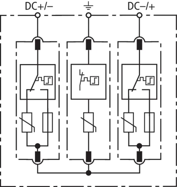
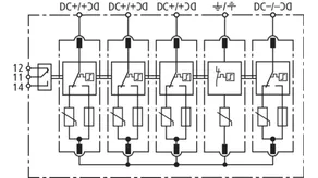
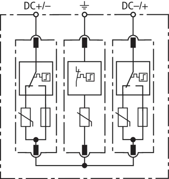
- Prewired modular complete unit for use in photovoltaic systems consisting of a base part and plug-in protection modules
- Combined disconnection and short-circuiting device with safe electrical isolation in the protection module (patented SCI principle)
- Tried and tested fault-resistant Y circuit of DEHNguard M YPV SCI ... (FM) prevents damage to the surge protective device in case of insulation faults in the generator circuit
- Tested to EN 61643-31
- Suitable for use in all PV systems according to IEC 60364-7-712
Details
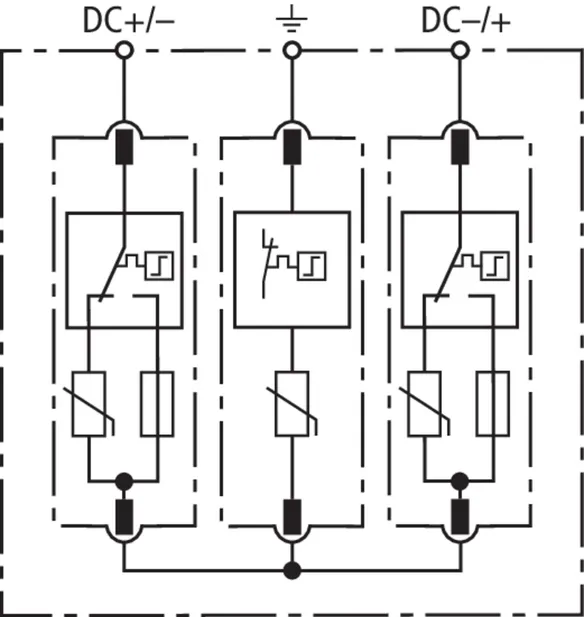
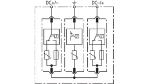
:quality(98)/www.dehn.sg/store/f/61814961/HDVORSCHAU/952510a2.jpg)
:quality(98)/www.dehn.sg/store/f/61814961/HDVORSCHAU/952510a2.jpg)
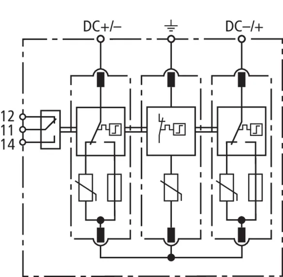
:quality(98)/www.dehn.sg/store/f/61814960/HDVORSCHAU/952510_Schaltphasen_E.jpg)
:quality(98)/www.dehn.sg/store/f/61814960/HDVORSCHAU/952510_Schaltphasen_E.jpg)
Part No. 952513 DG M YPV SCI 150
GTIN 4013364136663, Customs tariff No. (EU): 85363030, Gross weight: 289.70 g, PU: 1.00 pc(s)
Technical data
SPD according to EN 61643-31 / IEC 61643-31 | type 2 |
Max. PV voltage (UCPV ) | 150 V |
Short-circuit current rating (ISCPV ) | 10 kA |
Nominal discharge current (8/20 µs) [(DC+/DC-) --> PE] (In ) | 10 kA |
Max. discharge current (8/20 µs) [(DC+/DC-) --> PE] (Imax ) | 20 kA |
Voltage protection level (UP ) | ≤ 0.8 kV |
Approvals | KEMA, UL, CSA |
Part No. 952510 DG M YPV SCI 1000
GTIN 4013364126428, Customs tariff No. (EU): 85363030, Gross weight: 361.40 g, PU: 1.00 pc(s)
PredecessorTechnical data
SPD according to EN 61643-31 / IEC 61643-31 | type 2 / class II |
Max. PV voltage (UCPV ) | 1000 V |
Short-circuit current rating (ISCPV ) | 10 kA |
Nominal discharge current (8/20 µs) [(DC+/DC-) --> PE] (In ) | 12.5 kA |
Max. discharge current (8/20 µs) [(DC+/DC-) --> PE] (Imax ) | 25 kA |
Voltage protection level (UP ) | ≤ 4 kV |
Approvals | KEMA, UL, CSA |
Part No. 952512 DG M YPV SCI 1200
GTIN 4013364127951, Customs tariff No. (EU): 85354000, Gross weight: 356.50 g, PU: 1.00 pc(s)
PredecessorTechnical data
SPD according to EN 61643-31 / IEC 61643-31 | type 2 / class II |
Max. PV voltage (UCPV ) | 1200 V |
Short-circuit current rating (ISCPV ) | 10 kA |
Nominal discharge current (8/20 µs) [(DC+/DC-) --> PE] (In ) | 12.5 kA |
Max. discharge current (8/20 µs) [(DC+/DC-) --> PE] (Imax ) | 25 kA |
Voltage protection level (UP ) | ≤ 4.5 kV |
Approvals | KEMA, CSA |
Part No. 952518 DG M YPV SCI 150 FM
GTIN 4013364136670, Customs tariff No. (EU): 85363030, Gross weight: 297.00 g, PU: 1.00 pc(s)
Technical data
SPD according to EN 50539-11 | type 2 |
Max. PV voltage (UCPV ) | 150 V |
Short-circuit current rating (ISCPV ) | 10 kA |
Nominal discharge current (8/20 µs) [(DC+/DC-) --> PE] (In ) | 10 kA |
Max. discharge current (8/20 µs) [(DC+/DC-) --> PE] (Imax ) | 20 kA |
Voltage protection level (UP ) | ≤ 0.8 kV |
Approvals | KEMA, UL, CSA |
Type of remote signalling contact | changeover contact |
Part No. 952515 DG M YPV SCI 1000 FM
GTIN 4013364126435, Customs tariff No. (EU): 85363030, Gross weight: 343.90 g, PU: 1.00 pc(s)
PredecessorTechnical data
SPD according to EN 61643-31 / IEC 61643-31 | type 2 / class II |
Max. PV voltage (UCPV ) | 1000 V |
Short-circuit current rating (ISCPV ) | 10 kA |
Nominal discharge current (8/20 µs) [(DC+/DC-) --> PE] (In ) | 12.5 kA |
Max. discharge current (8/20 µs) [(DC+/DC-) --> PE] (Imax ) | 25 kA |
Voltage protection level (UP ) | ≤ 4 kV |
Approvals | KEMA, UL, CSA |
Type of remote signalling contact | changeover contact |
Part No. 952517 DG M YPV SCI 1200 FM
GTIN 4013364127968, Customs tariff No. (EU): 85354000, Gross weight: 359.30 g, PU: 1.00 pc(s)
PredecessorTechnical data
SPD according to EN 61643-31 / IEC 61643-31 | type 2 / class II |
Max. PV voltage (UCPV ) | 1200 V |
Short-circuit current rating (ISCPV ) | 10 kA |
Nominal discharge current (8/20 µs) [(DC+/DC-) --> PE] (In ) | 12.5 kA |
Max. discharge current (8/20 µs) [(DC+/DC-) --> PE] (Imax ) | 25 kA |
Voltage protection level (UP ) | ≤ 4.5 kV |
Approvals | KEMA, CSA |
Type of remote signalling contact | changeover contact |
Part No. 952514 DG M PV2 SCI 1000
GTIN 4013364224964, Customs tariff No. (EU): 85363030, Gross weight: 588.00 g, PU: 1.00 pc(s)
Technical data
SPD according to EN 61643-31 / IEC 61643-31 | type 2 / class II |
Max. PV voltage (UCPV ) | 1000 V |
Short-circuit current rating (ISCPV ) | 10 kA |
Nominal discharge current (8/20 µs) [(DC+/DC-) --> PE] (In ) | 12.5 kA |
Max. discharge current (8/20 µs) [(DC+/DC-) --> PE] (Imax ) | 25 kA |
Voltage protection level (UP ) | ≤ 4 kV |
Approvals | UL, KEMA |
Part No. 952519 DG M PV2 SCI 1000 FM
GTIN 4013364224971, Customs tariff No. (EU): 85363030, Gross weight: 599.00 g, PU: 1.00 pc(s)
Technical data
SPD according to EN 61643-31 / IEC 61643-31 | type 2 / class II |
Max. PV voltage (UCPV ) | 1000 V |
Short-circuit current rating (ISCPV ) | 10 kA |
Nominal discharge current (8/20 µs) [(DC+/DC-) --> PE] (In ) | 12.5 kA |
Max. discharge current (8/20 µs) [(DC+/DC-) --> PE] (Imax ) | 25 kA |
Voltage protection level (UP ) | ≤ 4 kV |
Approvals | UL, KEMA |
Type of remote signalling contact | changeover contact |
Part No. 999799 DG M PV2 SCI SN1868 FM
GTIN 4013364328723, Customs tariff No. (EU): 85363030, Gross weight: 598.30 g, PU: 1.00 pc(s)
Technical data
SPD according to EN 61643-31 / IEC 61643-31 | type 2 / class II |
Max. PV voltage (UCPV ) | 1000 V |
Short-circuit current rating (ISCPV ) | 10 kA |
Nominal discharge current (8/20 µs) [(DC+/DC-) --> PE] (In ) | 12.5 kA |
Max. discharge current (8/20 µs) [(DC+/DC-) --> PE] (Imax ) | 25 kA |
Voltage protection level (UP ) | ≤ 4 kV |
Approvals | UL, KEMA |
Type of remote signalling contact | changeover contact |