BLITZDUCTOR XTU – Protection modules with RFID LifeCheck

Combined lightning current and surge arrester
  • Max. discharge capacity for balanced data interfaces
  • Capable of carrying lightning currents up to 10 kA (10/350 µs)
  • For installation in conformity with the lightning protection zone concept at the boundaries from 0A – 2 and higher
With actiVsense technology
  • Automatically detects the signal voltage ranging from 0 to 180 V
  • Optimally adapts the voltage protection level to the currently applied signal
  • Capable of protecting terminal equipment due to adapted voltage protection level
  • One arrester type for two different data interfaces
Integrated RFID LifeCheck monitoring function
  • Arresters can be tested without downtime
  • Detection of pre-damaged arresters
  • High signal availability due to preventive replacement of arresters
Arrester consists of a protection module and a base part
  • For DIN rail mounting with a standard base part
  • Easy replacement of protection modules
  • Vibration and shock-tested for safe operation
  • Two universal base parts with / without signal disconnection

Details

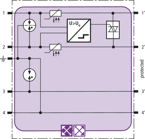
To ensure high availability of the signal circuits, the integrated LifeCheck feature allows a quick check of whether the arrester is pre-damaged.
lorem ipsum
Voltage protection level diagram BXTU
lorem ipsum
Optimally adapted voltage protection level with integrated actiVsense technology ensures protection of terminal equipment.
lorem ipsum
The protection module of the pluggable arrester safely snaps into the base part, thus ensuring vibration and shock resistance.
lorem ipsum
DIN rail mounting by means of integrated earthing contact.
lorem ipsum

BXTU ML4 BD 0-180

Space-saving combined lightning current and surge arrester module with actiVsense technology and RFID LifeCheck for protecting two pairs (same or different operating voltage) of balanced interfaces with galvanic isolation. Automatically detects the operating voltage of the useful signal and optimally adapts the voltage protection level to it.

1 Product

Part No. 920349 BXTU ML4 BD 0-180

GTIN 4013364126404, Customs tariff No. (EU): 85363010, Gross weight: 32.30 g, PU: 1.00 pc(s)


Images

Additional information

BLITZDUCTOR XTU BXTU ML4 BD 0-180 combined arrester module
Combined arrester protection module of SPD class type 1/P1 with actiVsense technology
For automatic detection of operating voltage
and optimal adjustment of the voltage protection level; tested to EN 61643-21
and energy-coordinated according to IEC 61643-22 for the protection of two pairs
for galvanically isolated balanced interfaces.
With integrated RFID LifeCheck for contactless arrester testing.
Pluggable into base part BXT BAS / BSP BAS 4.
Frequency of the operating voltage: 0-400 Hz
Permissible superimposed signal voltage: ≤ +/- 5 V
Nominal current at 80 °C (equal to max. short-circuit current): 100 mA
D1 Total lightning impulse current (10/350 µs): 10 kA

Brand: DEHN
Type: BXTU ML4 BD 0-180
Part No.: 920349
or equivalent.

Certificates

 

Technical data

SPD class M
Max. continuous operating voltage (d.c.) (UC ) 180 V
Permissible superimposed signal voltage (Usignal ) ≤ +/- 5 V
Cut-off frequency line-line (Usignal, balanced 100 ohms) (fG ) 50 MHz
Nominal current at 80 °C (equal to max. short-circuit current) (IL ) 100 mA
D1 Total lightning impulse current (10/350 µs) (Iimp ) 10 kA
C2 Total nominal discharge current (8/20 µs) (In ) 20 kA
Series resistance per line ≤ 10 ohms; typically 7.5 ohms
Approvals CSA, UL 497B, SIL
*) For more detailed information, please visit www.dehn-international.com.

Product 920349 was added to Notepad.

Product 920349 was added to the cart.


BXTU ML2 BD S 0-180

Space-saving combined lightning current and surge arrester module with actiVsense technology and RFID LifeCheck for protecting one pair, direct or indirect shield earthing. Automatically detects the operating voltage of the useful signal and optimally adapts the voltage protection level to it.

1 Product

Part No. 920249 BXTU ML2 BD S 0-180

GTIN 4013364127845, Customs tariff No. (EU): 85363010, Gross weight: 29.60 g, PU: 1.00 pc(s)


Images

Additional information

BLITZDUCTOR XTU BXTU ML2 BD S 0-180 combined arrester module
Combined arrester protection module of SPD class type 1/P1
with actiVsense technology for automatic detection of the operating voltage
and optimal adjustment of the voltage protection level; tested to EN 61643-21
and energy-coordinated according to IEC 61643-22 for the protection of one pair
for galvanically isolated balanced interfaces.
with either direct or indirect shield earthing.
With integrated RFID LifeCheck for contactless arrester testing.
Pluggable into base part BXT BAS / BSP BAS 4.
Frequency of the operating voltage: 0-400 Hz
Permissible superimposed signal voltage: ≤ +/- 5 V
Nominal current at 80 °C (equal to max. short-circuit current): 100 mA
D1 Total lightning impulse current (10/350 µs): 9 kA

Brand: DEHN
Type: BXTU ML2 BD S 0-180
Part No.: 920249
or equivalent.

Certificates

 

Technical data

SPD class M
Max. continuous operating voltage (d.c.) (UC ) 180 V
Permissible superimposed signal voltage (Usignal ) ≤ +/- 5 V
Cut-off frequency line-line (Usignal, balanced 100 ohms) (fG ) 50 MHz
Nominal current at 80 °C (equal to max. short-circuit current) (IL ) 100 mA
D1 Total lightning impulse current (10/350 µs) (Iimp ) 9 kA
C2 Total nominal discharge current (8/20 µs) (In ) 20 kA
Series resistance per line ≤ 10 ohms; typically 7.5 ohms
Approvals CSA, UL 497B, SIL
*) For more detailed information, please visit www.dehn-international.com.

Product 920249 was added to Notepad.

Product 920249 was added to the cart.


back to top