Lightning strike counter

Smart lightning strike counter for potential-free recording of the number and time (date of occurrence with time stamp) of discharge currents.
In battery operation (standalone, without power supply unit) with local storage of data and readings on the display.
In mains operation with optional communication (Modbus RTU) between counter and external control room.

Lightning strike counter IPC P4

1 Product

Part No. 910513 IPC P4

GTIN 6942299506310, Customs tariff No. (EU): 90291000, Gross weight: 180.20 g, PU: 1.00 pc(s)


Images

Additional information

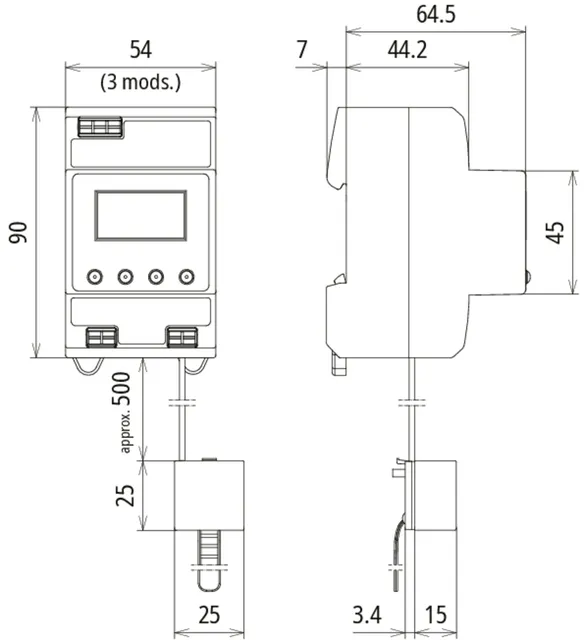
Lightning strike counter IPC P4
Counter in battery operation (internal storage only) or
with ext. 9–36 V DC supply (with communication to control room)
Potential-free registration of discharge currents
from surge protective devices
Sensor for attaching to the earth conductor of the arrester
Twisted sensor cable: 0.5 m long
Minimum count value of the impulse discharge current (10/350 µs): 1 kA
Count limit value of the impulse discharge current (10/350 µs): 100 kA
Minimum count value of the discharge current (8/20 µs): 1 kA
Count limit value of the discharge current (8/20 µs): 100 kA
OLED display
Electric counter 0 to 999
Installation on 35‑mm DIN rail as per EN 60715

Brand: DEHN
Type: IPC P4
Part No.: 910513
or equivalent.

Certificates

 

Technical data

Lightning counter according to GB/T 33588.6 and EN/IEC 62561-6 type I + type II
Maximum impulse discharge current counted (10/350 µs) (Iimp max ) 100 kA
Minimum impulse discharge current counted (10/350 µs) (Iimp min ) 1 kA
Maximum discharge current counted (8/20 µs) (In max ) 100 kA
Minimum discharge current counted (8/20 µs) (In min ) 1 kA
OLED display electronic counter 0-999
Power supply Lithium-manganese dioxide battery or 9–36 V DC
Resetting device Buttons on the device (e.g. to reset the counter reading to 0) or via remote access
Dimensions (sensor) 25 mm x 25 mm x 15 mm
Accessories included in delivery Sensor with integrated fixing lug

Product 910513 was added to Notepad.

Product 910513 was added to the cart.


back to top