Earthing system for railways

Our DEHN railway earthing system has proven itself in traffic engineering as it was specifically developed for earthing the reinforcement of concrete parts in the vicinity of high-voltage electrical installations. It is used for the equipotential bonding of concrete structures and to conduct short-circuit currents if the contact wire breaks.
For this purpose, DEHN offers the user a range of earthing bridges and earthing connectors which, due to variable end caps and connection elements, make up a comprehensive modular system with various possible combinations. Our DEHN railway earthing systems are approved by DB Netz AG.

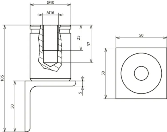
Stainless steel earthing bridges D BEB 16

The earthing bridges are designed for earthing, return circuits and equipotential bonding in railway line applications. The stainless steel earthing bridge ensures this via a defined welding seam to the earthing conductor. This earthing bridge also has the technical approval of DB Netz AG and can be used there without hesitation in planning.

1 Product

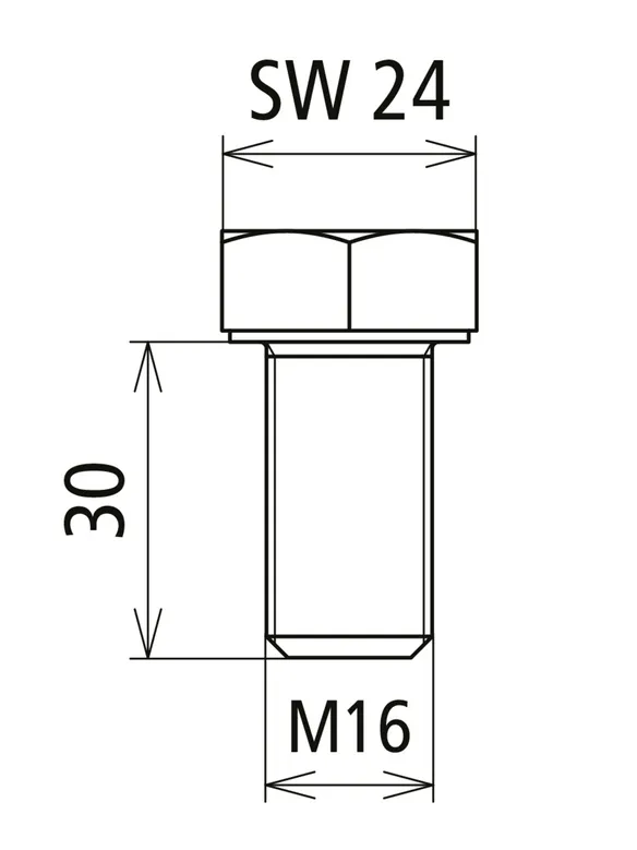
Part No. 419160 D BEB 16 - 105 / 3 EBS 15-03-19-38

GTIN 4013364510203, Customs tariff No. (EU): 85369010, Gross weight: 697.72 g, PU: 8.00 pc(s)


Images

Additional information

Stainless steel earthing bridge D BEB 16 - 105 / 3 EBS 15-03-19-38
Stainless steel earthing bridge
D BEB 16 - 105 / 3 EBS 15-03-19-38
for earthing the
reinforcement of
concrete parts with
the approval of
DB Netz AG
Material of connection element: StSt
Material No.: 1.4301
Angle material: St
Short-circuit current: > 25 kA
Test current: 40 kA / 100 ms
Short-circuit current (AC 50 Hz / DC): 12.6 kA
Thread: M16
Diameter of connection plate: 40 mm
Angle dimensions: 50 x 50 x 5 mm
Total height : 105 mm
DB drawing No.: 3 Ebs 15.03.19 - 38
Standard: Ril 997.0205A01

Brand: DEHN
Type: D BEB 16 - 105 / 3 EBS 15-03-19-38
Part No.: 419160
or equivalent.

 

Technical data

Material of connection element StSt
Material No. 1.4301
Angle material St
Short-circuit current > 25 kA
Test current 40 kA / 100 ms
Short-circuit current (AC 50 Hz / DC) (1 s; ≤ 300°C) 12.6 kA
Thread M16
Diameter of connection plate 40 mm
Angle dimensions (l x w x d) 50 x 50 x 5 mm
Total height 105 mm
DB drawing No. 3 Ebs 15.03.19 - 38
Standard Ril 997.0205A01

Product 419160 was added to Notepad.

Product 419160 was added to the cart.


Flat steel earthing bridges D BEB 1-NR

The earthing bridges are designed for earthing, current return circuits and equipotential bonding in railway line applications. This version is installed flush with the surface and the flat steel is welded to the earthing reinforcement via a defined welding seam. This earthing bridge also has a technical approval from DB Netz AG and can therefore be reliably used in planning.

1 Product

Part No. 419012 D BEB 1-NR / EBS 15-03-19

GTIN 4013364439467, Customs tariff No. (EU): 85369010, Gross weight: 1.46 kg, PU: 1.00 pc(s)


Images

Additional information

Flat steel earthing bridge D BEB 1-NR / EBS 15-03-19
for earthing the reinforcement of concrete parts
approved by DB Netz AG
Material of connection element: StSt
Material No.: 1.4301
Material of flat steel: S235
Short-circuit current: > 25 kA
Test current: 40 kA / 100 ms
Short-circuit current (AC 50 Hz / DC): 12.6 kA
Thread: M16
Diameter of connection plate: 50 mm
Dimensions of flat steel: 400 x 50 x 5 mm
Total height : 63 mm
DB drawing No.: 3 Ebs 15.03.19 - 36
Standard: Ril 997.0205A01

Brand: DEHN
Type: D BEB 1-NR / EBS 15-03-19
Part No.: 419012
or equivalent.

 

Technical data

Material of connection element StSt
Material No. 1.4301
Material of flat steel S235
Short-circuit current > 25 kA
Test current 40 kA / 100 ms
Short-circuit current (AC 50 Hz / DC) (1 s; ≤ 300°C) 12.6 kA
Thread M16
Diameter of connection plate 50 mm
Dimensions of flat steel 400 x 50 x 5 mm
Total height 63 mm
DB drawing No. 3 Ebs 15.03.19 - 36
Standard Ril 997.0205A01

Product 419012 was added to Notepad.

Product 419012 was added to the cart.


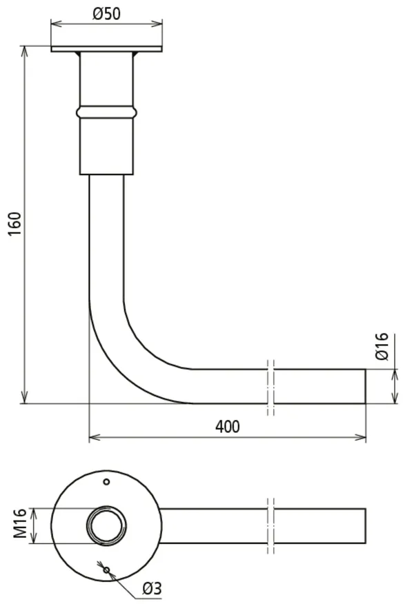
Reinforcing steel earthing bridges D BEB 2

The earthing bridges are designed for earthing, current return circuits and equipotential bonding in railway line applications. This version is installed flush with the surface and welded to the earthing reinforcement with the angled reinforcing steel, particularly in installation situations where space is critical. This earthing bridge also has a technical approval from DB Netz AG and can therefore be reliably used in planning.

1 Product

Part No. 419020 D BEB 2 / EBS 15-03-19

GTIN 4013364439405, Customs tariff No. (EU): 85369010, Gross weight: 950.00 g, PU: 1.00 pc(s)


Images

Additional information

Reinforcing steel earthing bridge D BEB 2 / EBS 15-03-19
for earthing the reinforcement of concrete parts
approved by DB Netz AG
Material of plate: StSt
Material No.: 1.4301
Material of socket: St / Cu
Material of shaft: reinforcing steel B500B
Short-circuit current: > 25 kA
Test current: 40 kA / 100 ms
Short-circuit current (AC 50 Hz / DC): 12.6 kA
Thread: M16
Diameter of connection plate: 50 mm
Diameter of reinforcing steel: 16 mm
Installation height: 160 mm
Length: 400 mm
DB drawing No.: 3 Ebs 15.03.19 - 31
Standard: Ril 997.0205A01

Brand: DEHN
Type: D BEB 2 / EBS 15-03-19
Part No.: 419020
or equivalent.

 

Technical data

Material of plate StSt
Material No. 1.4301
Material of socket St / Cu
Material of shaft reinforcing steel B500B
Short-circuit current > 25 kA
Test current 40 kA / 100 ms
Short-circuit current (AC 50 Hz / DC) (1 s; ≤ 300°C) 12.6 kA
Thread M16
Diameter of connection plate 50 mm
Diameter of reinforcing steel 16 mm
Installation height 160 mm
Length 400 mm
DB drawing No. 3 Ebs 15.03.19 - 31
Standard Ril 997.0205A01

Product 419020 was added to Notepad.

Product 419020 was added to the cart.


Reinforcing steel earthing bridges D BEB 3

The earthing bridges are designed for earthing, current return circuits and equipotential bonding in railway line applications. This version is installed flush with the surface and welded to the earthing reinforcement with the straight reinforcing steel. This earthing bridge also has a technical approval from DB Netz AG and can therefore be reliably used in planning.

1 Product

Part No. 419030 D BEB 3 / EBS 15-03-19

GTIN 4013364439474, Customs tariff No. (EU): 85369010, Gross weight: 750.00 g, PU: 1.00 pc(s)


Images

Additional information

Reinforcing steel earthing bridge D BEB 3 / EBS 15-03-19
for earthing the reinforcement of concrete parts
approved by DB Netz AG
Material of plate: StSt
Material No.: 1.4301
Material of socket: St / Cu
Material of shaft: reinforcing steel B500B
Short-circuit current: > 25 kA
Test current: 40 kA / 100 ms
Short-circuit current (AC 50 Hz / DC): 12.6 kA
Thread: M16
Diameter of connection plate: 50 mm
Diameter of reinforcing steel: 16 mm
Length: 400 mm
DB drawing No.: 3 Ebs 15.03.19 - 31
Standard: Ril 997.0205A01

Brand: DEHN
Type: D BEB 3 / EBS 15-03-19
Part No.: 419030
or equivalent.

 

Technical data

Material of plate StSt
Material No. 1.4301
Material of socket St / Cu
Material of shaft reinforcing steel B500B
Short-circuit current > 25 kA
Test current 40 kA / 100 ms
Short-circuit current (AC 50 Hz / DC) (1 s; ≤ 300°C) 12.6 kA
Thread M16
Diameter of connection plate 50 mm
Diameter of reinforcing steel 16 mm
Length 400 mm
DB drawing No. 3 Ebs 15.03.19 - 31
Standard Ril 997.0205A01

Product 419030 was added to Notepad.

Product 419030 was added to the cart.


Copper cable earthing bridges D BEB 4 / 5

The earthing bridges are designed for earthing, return circuits and equipotential bonding in railway line applications. This version is installed flush with the surface, and with the copper-plated steel lug pressed on to the copper cable welded to the earthing reinforcement. The flexibility of the cable simplifies installation in the reinforcement for the user. The special FLEX versions are especially well suited for installation situations where space is critical – ultra flexible fine stranded copper cables are used here. These earthing bridges also have the technical approval of DB Netz AG and can be used there without hesitation in planning.
Special lengths are available on request: up to 500 mm total length in steps of 50 mm and from 500 mm total length in steps of 100 mm.

7 Products

Part No. 419040 D BEB 4 / EBS 15-03-19

GTIN 4013364439481, Customs tariff No. (EU): 85369010, Gross weight: 640.00 g, PU: 1.00 pc(s)


Images

Additional information

Copper cable earthing bridge D BEB 4 / EBS 15-03-19
for earthing the reinforcement of concrete parts
approved by DB Netz AG
Material of plate: StSt
Material No.: 1.4301
Material of socket: St / Cu
Material of lug: St / Cu
Material of cable: Cu
Short-circuit current: ≤ 25 kA
Test current: 25 kA / 100 ms
Short-circuit current (AC 50 Hz / DC): 7.9 kA
Thread: M16
Diameter of connection plate: 50 mm
Cable: NYY-O
Cable cross-section : 70 mm²
Cable diameter: 17 mm
Dimensions of lug: 80 x 30 mm
Length: 500 mm
DB drawing No.: 3 Ebs 15.03.19 - 32
Standard: Ril 997.0205A01

Brand: DEHN
Type: D BEB 4 / EBS 15-03-19
Part No.: 419040
or equivalent.

 

Technical data

Material of plate StSt
Material No. 1.4301
Material of socket St / Cu
Material of lug St / Cu
Material of cable Cu
Short-circuit current ≤ 25 kA
Test current 25 kA / 100 ms
Short-circuit current (AC 50 Hz / DC) (1 s; ≤ 300°C) 7.9 kA
Thread M16
Diameter of connection plate 50 mm
Cable NYY-O
Cable cross-section 70 mm²
Cable diameter 17 mm
Dimensions of lug 80 x 30 mm
Length 500 mm
DB drawing No. 3 Ebs 15.03.19 - 32
Standard Ril 997.0205A01

Product 419040 was added to Notepad.

Product 419040 was added to the cart.

Part No. 419050 D BEB 5 / EBS 15-03-19

GTIN 4013364439504, Customs tariff No. (EU): 85369010, Gross weight: 710.00 g, PU: 1.00 pc(s)


Images

Additional information

Copper cable earthing bridge D BEB 5 / EBS 15-03-19
for earthing the reinforcement of concrete parts
approved by DB Netz AG
Material of plate: StSt
Material No.: 1.4301
Material of socket: St / Cu
Material of lug: St / Cu
Material of cable: Cu
Short-circuit current: > 25 kA
Test current: 40 kA / 100 ms
Short-circuit current (AC 50 Hz / DC): 12.6 kA
Thread: M16
Diameter of connection plate: 50 mm
Cable: NYY-O
Cable cross-section : 95 mm²
Cable diameter: 19 mm
Dimensions of lug: 80 x 30 mm
Length: 500 mm
DB drawing No.: 3 Ebs 15.03.19 - 32
Standard: Ril 997.0205A01

Brand: DEHN
Type: D BEB 5 / EBS 15-03-19
Part No.: 419050
or equivalent.

 

Technical data

Material of plate StSt
Material No. 1.4301
Material of socket St / Cu
Material of lug St / Cu
Material of cable Cu
Short-circuit current > 25 kA
Test current 40 kA / 100 ms
Short-circuit current (AC 50 Hz / DC) (1 s; ≤ 300°C) 12.6 kA
Thread M16
Diameter of connection plate 50 mm
Cable NYY-O
Cable cross-section 95 mm²
Cable diameter 19 mm
Dimensions of lug 80 x 30 mm
Length 500 mm
DB drawing No. 3 Ebs 15.03.19 - 32
Standard Ril 997.0205A01

Product 419050 was added to Notepad.

Product 419050 was added to the cart.

Part No. 419051 D BEB 5-FLEX / EBS 15-03-19

GTIN 4013364439511, Customs tariff No. (EU): 85369010, Gross weight: 640.00 g, PU: 1.00 pc(s)


Images

Additional information

Copper cable earthing bridge D BEB 5-FLEX / EBS 15-03-19
for earthing the reinforcement of concrete parts
approved by DB Netz AG
Material of plate: StSt
Material No.: 1.4301
Material of socket: St / Cu
Material of lug: St / Cu
Material of cable: Cu
Short-circuit current: > 25 kA
Test current: 40 kA / 100 ms
Short-circuit current (AC 50 Hz / DC): 12.6 kA
Thread: M16
Diameter of connection plate: 50 mm
Cable: H07V-K
Cable cross-section : 95 mm²
Cable diameter: 19 mm
Dimensions of lug: 80 x 30 mm
Length: 500 mm
DB drawing No.: 3 Ebs 15.03.19 - 32
Standard: Ril 997.0205A01

Brand: DEHN
Type: D BEB 5-FLEX / EBS 15-03-19
Part No.: 419051
or equivalent.

 

Technical data

Material of plate StSt
Material No. 1.4301
Material of socket St / Cu
Material of lug St / Cu
Material of cable Cu
Short-circuit current > 25 kA
Test current 40 kA / 100 ms
Short-circuit current (AC 50 Hz / DC) (1 s; ≤ 300°C) 12.6 kA
Thread M16
Diameter of connection plate 50 mm
Cable H07V-K
Cable cross-section 95 mm²
Cable diameter 19 mm
Dimensions of lug 80 x 30 mm
Length 500 mm
DB drawing No. 3 Ebs 15.03.19 - 32
Standard Ril 997.0205A01

Product 419051 was added to Notepad.

Product 419051 was added to the cart.

Part No. 419501 D BEB 5 - L700 / EBS 15-03-19

GTIN 4013364458390, Customs tariff No. (EU): 85369010, Gross weight: 980.00 g, PU: 1.00 pc(s)


Images

Additional information

Copper cable earthing bridge D BEB 5 / EBS 15-03-19
for earthing the reinforcement of concrete parts
approved by DB Netz AG
Material of plate: StSt
Material No.: 1.4301
Material of socket: St / Cu
Material of lug: St / Cu
Material of cable: Cu
Short-circuit current: > 25 kA
Test current: 40 kA / 100 ms
Short-circuit current (AC 50 Hz / DC): 12.6 kA
Thread: M16
Diameter of connection plate: 50 mm
Cable: NYY-O
Cable cross-section : 95 mm²
Cable diameter: 19 mm
Dimensions of lug: 80 x 30 mm
Length: 700 mm
DB drawing No.: 3 Ebs 15.03.19 - 32
Standard: Ril 997.0205A01

Brand: DEHN
Type: D BEB 5 - L700 / EBS 15-03-19
Part No.: 419501
or equivalent.

 

Technical data

Material of plate StSt
Material No. 1.4301
Material of socket St / Cu
Material of lug St / Cu
Material of cable Cu
Short-circuit current > 25 kA
Test current 40 kA / 100 ms
Short-circuit current (AC 50 Hz / DC) (1 s; ≤ 300°C) 12.6 kA
Thread M16
Diameter of connection plate 50 mm
Cable NYY-O
Cable cross-section 95 mm²
Cable diameter 19 mm
Dimensions of lug 80 x 30 mm
Length 700 mm
DB drawing No. 3 Ebs 15.03.19 - 32
Standard Ril 997.0205A01

Product 419501 was added to Notepad.

Product 419501 was added to the cart.

Part No. 419502 D BEB 5 - L1000 / EBS 15-03-19

GTIN 4013364458406, Customs tariff No. (EU): 85369010, Gross weight: 1.40 kg, PU: 1.00 pc(s)


Images

Additional information

Copper cable earthing bridge D BEB 5 / EBS 15-03-19
for earthing the reinforcement of concrete parts
approved by DB Netz AG
Material of plate: StSt
Material No.: 1.4301
Material of socket: St / Cu
Material of lug: St / Cu
Material of cable: Cu
Short-circuit current: > 25 kA
Test current: 40 kA / 100 ms
Short-circuit current (AC 50 Hz / DC): 12.6 kA
Thread: M16
Diameter of connection plate: 50 mm
Cable: NYY-O
Cable cross-section : 95 mm²
Cable diameter: 19 mm
Dimensions of lug: 80 x 30 mm
Length: 1000 mm
DB drawing No.: 3 Ebs 15.03.19 - 32
Standard: Ril 997.0205A01

Brand: DEHN
Type: D BEB 5 - L1000 / EBS 15-03-19
Part No.: 419502
or equivalent.

 

Technical data

Material of plate StSt
Material No. 1.4301
Material of socket St / Cu
Material of lug St / Cu
Material of cable Cu
Short-circuit current > 25 kA
Test current 40 kA / 100 ms
Short-circuit current (AC 50 Hz / DC) (1 s; ≤ 300°C) 12.6 kA
Thread M16
Diameter of connection plate 50 mm
Cable NYY-O
Cable cross-section 95 mm²
Cable diameter 19 mm
Dimensions of lug 80 x 30 mm
Length 1000 mm
DB drawing No. 3 Ebs 15.03.19 - 32
Standard Ril 997.0205A01

Product 419502 was added to Notepad.

Product 419502 was added to the cart.

Part No. 419503 D BEB 5 - L1500 / EBS 15-03-19

GTIN 4013364458413, Customs tariff No. (EU): 85369010, Gross weight: 2.10 kg, PU: 1.00 pc(s)


Images

Additional information

Copper cable earthing bridge D BEB 5 / EBS 15-03-19
for earthing the reinforcement of concrete parts
approved by DB Netz AG
Material of plate: StSt
Material No.: 1.4301
Material of socket: St / Cu
Material of lug: St / Cu
Material of cable: Cu
Short-circuit current: > 25 kA
Test current: 40 kA / 100 ms
Short-circuit current (AC 50 Hz / DC): 12.6 kA
Thread: M16
Diameter of connection plate: 50 mm
Cable: NYY-O
Cable cross-section : 95 mm²
Cable diameter: 19 mm
Dimensions of lug: 80 x 30 mm
Length: 1500 mm
DB drawing No.: 3 Ebs 15.03.19 - 32
Standard: Ril 997.0205A01

Brand: DEHN
Type: D BEB 5 - L1500 / EBS 15-03-19
Part No.: 419503
or equivalent.

 

Technical data

Material of plate StSt
Material No. 1.4301
Material of socket St / Cu
Material of lug St / Cu
Material of cable Cu
Short-circuit current > 25 kA
Test current 40 kA / 100 ms
Short-circuit current (AC 50 Hz / DC) (1 s; ≤ 300°C) 12.6 kA
Thread M16
Diameter of connection plate 50 mm
Cable NYY-O
Cable cross-section 95 mm²
Cable diameter 19 mm
Dimensions of lug 80 x 30 mm
Length 1500 mm
DB drawing No. 3 Ebs 15.03.19 - 32
Standard Ril 997.0205A01

Product 419503 was added to Notepad.

Product 419503 was added to the cart.

Part No. 419504 D BEB 5 - L2000 / EBS 15-03-19

GTIN 4013364458420, Customs tariff No. (EU): 85369010, Gross weight: 2.80 kg, PU: 1.00 pc(s)


Images

Additional information

Copper cable earthing bridge D BEB 5 / EBS 15-03-19
for earthing the reinforcement of concrete parts
approved by DB Netz AG
Material of plate: StSt
Material No.: 1.4301
Material of socket: St / Cu
Material of lug: St / Cu
Material of cable: Cu
Short-circuit current: > 25 kA
Test current: 40 kA / 100 ms
Short-circuit current (AC 50 Hz / DC): 12.6 kA
Thread: M16
Diameter of connection plate: 50 mm
Cable: NYY-O
Cable cross-section : 95 mm²
Cable diameter: 19 mm
Dimensions of lug: 80 x 30 mm
Length: 2000 mm
DB drawing No.: 3 Ebs 15.03.19 - 32
Standard: Ril 997.0205A01

Brand: DEHN
Type: D BEB 5 - L2000 / EBS 15-03-19
Part No.: 419504
or equivalent.

 

Technical data

Material of plate StSt
Material No. 1.4301
Material of socket St / Cu
Material of lug St / Cu
Material of cable Cu
Short-circuit current > 25 kA
Test current 40 kA / 100 ms
Short-circuit current (AC 50 Hz / DC) (1 s; ≤ 300°C) 12.6 kA
Thread M16
Diameter of connection plate 50 mm
Cable NYY-O
Cable cross-section 95 mm²
Cable diameter 19 mm
Dimensions of lug 80 x 30 mm
Length 2000 mm
DB drawing No. 3 Ebs 15.03.19 - 32
Standard Ril 997.0205A01

Product 419504 was added to Notepad.

Product 419504 was added to the cart.


Copper cable earthing bridges D BEB 6 / 7

The earthing bridges are designed for earthing, return circuits and equipotential bonding in railway line applications. This version is used as an earthing bushing of components, with it being installed flush with the surface on both sides. The flexibility of the cable simplifies installation in the reinforcement for the user. The special FLEX versions are especially well suited for installation situations where space is critical – ultra flexible fine stranded copper cables are used here. These earthing bridges also have the technical approval of DB Netz AG and can be used there without hesitation in planning.
Special lengths are available on request: up to 500 mm total length in steps of 50 mm and from 500 mm total length in steps of 100 mm.

4 Products

Part No. 419060 D BEB 6 / EBS 15-03-19

GTIN 4013364439528, Customs tariff No. (EU): 85369010, Gross weight: 600.00 g, PU: 1.00 pc(s)


Images

Additional information

Copper cable earthing bridge D BEB 6 / EBS 15-03-19
for earthing the reinforcement of concrete parts
approved by DB Netz AG
Material of plate: StSt
Material No.: 1.4301
Material of socket: St / Cu
Material of cable: Cu
Short-circuit current: ≤ 25 kA
Test current: 25 kA / 100 ms
Short-circuit current (AC 50 Hz / DC): 7.9 kA
Thread: M16
Diameter of connection plate: 50 mm
Cable: NYY-O
Cable cross-section : 70 mm²
Cable diameter: 17 mm
Length: 500 mm
DB drawing No.: 3 Ebs 15.03.19 - 33
Standard: Ril 997.0205A01

Brand: DEHN
Type: D BEB 6 / EBS 15-03-19
Part No.: 419060
or equivalent.

 

Technical data

Material of plate StSt
Material No. 1.4301
Material of socket St / Cu
Material of cable Cu
Short-circuit current ≤ 25 kA
Test current 25 kA / 100 ms
Short-circuit current (AC 50 Hz / DC) (1 s; ≤ 300°C) 7.9 kA
Thread M16
Diameter of connection plate 50 mm
Cable NYY-O
Cable cross-section 70 mm²
Cable diameter 17 mm
Length 500 mm
DB drawing No. 3 Ebs 15.03.19 - 33
Standard Ril 997.0205A01

Product 419060 was added to Notepad.

Product 419060 was added to the cart.

Part No. 419061 D BEB 6-FLEX / EBS 15-03-19

GTIN 4013364439535, Customs tariff No. (EU): 85369010, Gross weight: 530.00 g, PU: 1.00 pc(s)


Images

Additional information

Copper cable earthing bridge D BEB 6-FLEX / EBS 15-03-19
for earthing the reinforcement of concrete parts
approved by DB Netz AG
Material of plate: StSt
Material No.: 1.4301
Material of socket: St / Cu
Material of cable: Cu
Short-circuit current: ≤ 25 kA
Test current: 25 kA / 100 ms
Short-circuit current (AC 50 Hz / DC): 7.9 kA
Thread: M16
Diameter of connection plate: 50 mm
Cable: H07V-K
Cable cross-section : 70 mm²
Cable diameter: 17 mm
Length: 500 mm
DB drawing No.: 3 Ebs 15.03.19 - 33
Standard: Ril 997.0205A01

Brand: DEHN
Type: D BEB 6-FLEX / EBS 15-03-19
Part No.: 419061
or equivalent.

 

Technical data

Material of plate StSt
Material No. 1.4301
Material of socket St / Cu
Material of cable Cu
Short-circuit current ≤ 25 kA
Test current 25 kA / 100 ms
Short-circuit current (AC 50 Hz / DC) (1 s; ≤ 300°C) 7.9 kA
Thread M16
Diameter of connection plate 50 mm
Cable H07V-K
Cable cross-section 70 mm²
Cable diameter 17 mm
Length 500 mm
DB drawing No. 3 Ebs 15.03.19 - 33
Standard Ril 997.0205A01

Product 419061 was added to Notepad.

Product 419061 was added to the cart.

Part No. 419070 D BEB 7 / EBS 15-03-19

GTIN 4013364439542, Customs tariff No. (EU): 85369010, Gross weight: 704.50 g, PU: 1.00 pc(s)


Images

Additional information

Copper cable earthing bridge D BEB 7 / EBS 15-03-19
for earthing the reinforcement of concrete parts
approved by DB Netz AG
Material of plate: StSt
Material No.: 1.4301
Material of socket: St / Cu
Material of cable: Cu
Short-circuit current: > 25 kA
Test current: 40 kA / 100 ms
Short-circuit current (AC 50 Hz / DC): 12.6 kA
Thread: M16
Diameter of connection plate: 50 mm
Cable: NYY-O
Cable cross-section : 95 mm²
Cable diameter: 19 mm
Length: 500 mm
DB drawing No.: 3 Ebs 15.03.19 - 33
Standard: Ril 997.0205A01

Brand: DEHN
Type: D BEB 7 / EBS 15-03-19
Part No.: 419070
or equivalent.

 

Technical data

Material of plate StSt
Material No. 1.4301
Material of socket St / Cu
Material of cable Cu
Short-circuit current > 25 kA
Test current 40 kA / 100 ms
Short-circuit current (AC 50 Hz / DC) (1 s; ≤ 300°C) 12.6 kA
Thread M16
Diameter of connection plate 50 mm
Cable NYY-O
Cable cross-section 95 mm²
Cable diameter 19 mm
Length 500 mm
DB drawing No. 3 Ebs 15.03.19 - 33
Standard Ril 997.0205A01

Product 419070 was added to Notepad.

Product 419070 was added to the cart.

Part No. 419071 D BEB 7-FLEX / EBS 15-03-19

GTIN 4013364439559, Customs tariff No. (EU): 85369010, Gross weight: 622.00 g, PU: 1.00 pc(s)


Images

Additional information

Copper cable earthing bridge D BEB 7-FLEX / EBS 15-03-19
for earthing the reinforcement of concrete parts
approved by DB Netz AG
Material of plate: StSt
Material No.: 1.4301
Material of socket: St / Cu
Material of cable: Cu
Short-circuit current: > 25 kA
Test current: 40 kA / 100 ms
Short-circuit current (AC 50 Hz / DC): 12.6 kA
Thread: M16
Diameter of connection plate: 50 mm
Cable: H07V-K
Cable cross-section : 95 mm²
Cable diameter: 19 mm
Length: 500 mm
DB drawing No.: 3 Ebs 15.03.19 - 33
Standard: Ril 997.0205A01

Brand: DEHN
Type: D BEB 7-FLEX / EBS 15-03-19
Part No.: 419071
or equivalent.

 

Technical data

Material of plate StSt
Material No. 1.4301
Material of socket St / Cu
Material of cable Cu
Short-circuit current > 25 kA
Test current 40 kA / 100 ms
Short-circuit current (AC 50 Hz / DC) (1 s; ≤ 300°C) 12.6 kA
Thread M16
Diameter of connection plate 50 mm
Cable H07V-K
Cable cross-section 95 mm²
Cable diameter 19 mm
Length 500 mm
DB drawing No. 3 Ebs 15.03.19 - 33
Standard Ril 997.0205A01

Product 419071 was added to Notepad.

Product 419071 was added to the cart.


Copper cable earthing bridges D BEB 9 / 10

The earthing bridges are designed for earthing, return circuits and equipotential bonding in railway line applications. This version establishes a non-visible connection within the concrete due to the copper-plated steel lugs that are pressed onto the copper cable being welded to the earthing reinforcement. The flexibility of the cable simplifies installation in the reinforcement for the user. The special FLEX versions are especially well suited for installation situations where space is critical – ultra flexible fine stranded copper cables are used here. These earthing bridges also have the technical approval of DB Netz AG and can be used there without hesitation in planning.
Special lengths are available on request: up to 500 mm total length in steps of 50 mm and from 500 mm total length in steps of 100 mm.

5 Products

Part No. 419090 D BEB 9 / EBS 15-03-19

GTIN 4013364439573, Customs tariff No. (EU): 85369010, Gross weight: 640.00 g, PU: 1.00 pc(s)


Images

Additional information

Copper cable earthing bridge D BEB 9 / EBS 15-03-19
for earthing the reinforcement of concrete parts
approved by DB Netz AG
Material of lug: St / Cu
Material of cable: Cu
Short-circuit current: ≤ 25 kA
Test current: 25 kA / 100 ms
Short-circuit current (AC 50 Hz / DC): 7.9 kA
Cable: NYY-O
Cable cross-section : 70 mm²
Cable diameter: 17 mm
Dimensions of lug: 80 x 30 mm
Length: 500 mm
DB drawing No.: 3 Ebs 15.03.19 - 33
Standard: Ril 997.0205A01

Brand: DEHN
Type: D BEB 9 / EBS 15-03-19
Part No.: 419090
or equivalent.

 

Technical data

Material of lug St / Cu
Material of cable Cu
Short-circuit current ≤ 25 kA
Test current 25 kA / 100 ms
Short-circuit current (AC 50 Hz / DC) (1 s; ≤ 300°C) 7.9 kA
Cable NYY-O
Cable cross-section 70 mm²
Cable diameter 17 mm
Dimensions of lug 80 x 30 mm
Length 500 mm
DB drawing No. 3 Ebs 15.03.19 - 33
Standard Ril 997.0205A01

Product 419090 was added to Notepad.

Product 419090 was added to the cart.

Part No. 419091 D BEB 9-FLEX / EBS 15-03-19

GTIN 4013364439580, Customs tariff No. (EU): 85369010, Gross weight: 570.00 g, PU: 1.00 pc(s)


Images

Additional information

Copper cable earthing bridge D BEB 9-FLEX / EBS 15-03-19
for earthing the reinforcement of concrete parts
approved by DB Netz AG
Material of lug: St / Cu
Material of cable: Cu
Short-circuit current: ≤ 25 kA
Test current: 25 kA / 100 ms
Short-circuit current (AC 50 Hz / DC): 7.9 kA
Cable: H07V-K
Cable cross-section : 70 mm²
Cable diameter: 17 mm
Dimensions of lug: 80 x 30 mm
Length: 500 mm
DB drawing No.: 3 Ebs 15.03.19 - 33
Standard: Ril 997.0205A01

Brand: DEHN
Type: D BEB 9-FLEX / EBS 15-03-19
Part No.: 419091
or equivalent.

 

Technical data

Material of lug St / Cu
Material of cable Cu
Short-circuit current ≤ 25 kA
Test current 25 kA / 100 ms
Short-circuit current (AC 50 Hz / DC) (1 s; ≤ 300°C) 7.9 kA
Cable H07V-K
Cable cross-section 70 mm²
Cable diameter 17 mm
Dimensions of lug 80 x 30 mm
Length 500 mm
DB drawing No. 3 Ebs 15.03.19 - 33
Standard Ril 997.0205A01

Product 419091 was added to Notepad.

Product 419091 was added to the cart.

Part No. 419100 D BEB 10 / EBS 15-03-19

GTIN 4013364439597, Customs tariff No. (EU): 85369010, Gross weight: 722.50 g, PU: 1.00 pc(s)


Images

Additional information

Copper cable earthing bridge D BEB 10 / EBS 15-03-19
for earthing the reinforcement of concrete parts
approved by DB Netz AG
Material of lug: St / Cu
Material of cable: Cu
Short-circuit current: > 25 kA
Test current: 40 kA / 100 ms
Short-circuit current (AC 50 Hz / DC): 12.6 kA
Cable: NYY-O
Cable cross-section : 95 mm²
Cable diameter: 19 mm
Dimensions of lug: 80 x 30 mm
Length: 500 mm
DB drawing No.: 3 Ebs 15.03.19 - 33
Standard: Ril 997.0205A01

Brand: DEHN
Type: D BEB 10 / EBS 15-03-19
Part No.: 419100
or equivalent.

 

Technical data

Material of lug St / Cu
Material of cable Cu
Short-circuit current > 25 kA
Test current 40 kA / 100 ms
Short-circuit current (AC 50 Hz / DC) (1 s; ≤ 300°C) 12.6 kA
Cable NYY-O
Cable cross-section 95 mm²
Cable diameter 19 mm
Dimensions of lug 80 x 30 mm
Length 500 mm
DB drawing No. 3 Ebs 15.03.19 - 33
Standard Ril 997.0205A01

Product 419100 was added to Notepad.

Product 419100 was added to the cart.

Part No. 419101 D BEB 10-FLEX / EBS 15-03-19

GTIN 4013364439603, Customs tariff No. (EU): 85369010, Gross weight: 667.00 g, PU: 1.00 pc(s)


Images

Additional information

Copper cable earthing bridge D BEB 10-FLEX / EBS 15-03-19
for earthing the reinforcement of concrete parts
approved by DB Netz AG
Material of lug: St / Cu
Material of cable: Cu
Short-circuit current: > 25 kA
Test current: 40 kA / 100 ms
Short-circuit current (AC 50 Hz / DC): 12.6 kA
Cable: H07V-K
Cable cross-section : 95 mm²
Cable diameter: 19 mm
Dimensions of lug: 80 x 30 mm
Length: 500 mm
DB drawing No.: 3 Ebs 15.03.19 - 33
Standard: Ril 997.0205A01

Brand: DEHN
Type: D BEB 10-FLEX / EBS 15-03-19
Part No.: 419101
or equivalent.

 

Technical data

Material of lug St / Cu
Material of cable Cu
Short-circuit current > 25 kA
Test current 40 kA / 100 ms
Short-circuit current (AC 50 Hz / DC) (1 s; ≤ 300°C) 12.6 kA
Cable H07V-K
Cable cross-section 95 mm²
Cable diameter 19 mm
Dimensions of lug 80 x 30 mm
Length 500 mm
DB drawing No. 3 Ebs 15.03.19 - 33
Standard Ril 997.0205A01

Product 419101 was added to Notepad.

Product 419101 was added to the cart.

Part No. 419505 D BEB 10 - L800 / EBS 15-03-19

GTIN 4013364458437, Customs tariff No. (EU): 85369010, Gross weight: 1.12 kg, PU: 1.00 pc(s)


Images

Additional information

Copper cable earthing bridge D BEB 10 / EBS 15-03-19
for earthing the reinforcement of concrete parts
approved by DB Netz AG
Material of lug: St / Cu
Material of cable: Cu
Short-circuit current: > 25 kA
Test current: 40 kA / 100 ms
Short-circuit current (AC 50 Hz / DC): 12.6 kA
Cable: NYY-O
Cable cross-section : 95 mm²
Cable diameter: 19 mm
Dimensions of lug: 80 x 30 mm
Length: 800 mm
DB drawing No.: 3 Ebs 15.03.19 - 33
Standard: Ril 997.0205A01

Brand: DEHN
Type: D BEB 10 - L800 / EBS 15-03-19
Part No.: 419505
or equivalent.

 

Technical data

Material of lug St / Cu
Material of cable Cu
Short-circuit current > 25 kA
Test current 40 kA / 100 ms
Short-circuit current (AC 50 Hz / DC) (1 s; ≤ 300°C) 12.6 kA
Cable NYY-O
Cable cross-section 95 mm²
Cable diameter 19 mm
Dimensions of lug 80 x 30 mm
Length 800 mm
DB drawing No. 3 Ebs 15.03.19 - 33
Standard Ril 997.0205A01

Product 419505 was added to Notepad.

Product 419505 was added to the cart.


Earthing bridge for earthing large pipes D BEB 11

The earthing bridges are designed for earthing, return circuits and equipotential bonding in railway line applications. The version for earthing large pipes is intended for use with pile and large pipe foundations. The product consists of a copper cable with a pressed-on sleeve and stainless steel connection plate with integrated boreholes for the formwork fixing at one end, and a cable lug at the opposite end. The cable lug is used to establish a short-circuit-resistant connection to the pile or large pipe foundation. The flexibility of the cable simplifies installation in the reinforcement for the user. This earthing bridge also has the technical approval of DB Netz AG and can be used there without hesitation in planning.
Special lengths are available on request: up to 500 mm total length in steps of 50 mm and from 500 mm total length in steps of 100 mm.

2 Products

Part No. 419110 D BEB 11 / EBS 15-03-27

GTIN 4013364439665, Customs tariff No. (EU): 85369010, Gross weight: 640.00 g, PU: 1.00 pc(s)


Images

Additional information

Earthing bridge for earthing large pipes D BEB 11 / EBS 15-03-27
for earthing the reinforcement of concrete parts
approved by DB Netz AG
Material of plate: StSt
Material No.: 1.4301
Material of socket: St / Cu
Material of cable lug: Cu/gal Sn
Material of cable: Cu
Short-circuit current: ≤ 25 kA
Test current: 25 kA / 100 ms
Short-circuit current (AC 50 Hz / DC): 7.9 kA
Thread: M16
Diameter of connection plate: 50 mm
Cable: NYY-O
Cable cross-section : 70 mm²
Cable diameter: 17 mm
Borehole cable lug: 13 mm
Length: 500 mm
DB drawing No.: 4 Ebs 15.03.27 - 2
Standard: Ril 997.0205A01

Brand: DEHN
Type: D BEB 11 / EBS 15-03-27
Part No.: 419110
or equivalent.

 

Technical data

Material of plate StSt
Material No. 1.4301
Material of socket St / Cu
Material of cable lug Cu /gal Sn
Material of cable Cu
Short-circuit current ≤ 25 kA
Test current 25 kA / 100 ms
Short-circuit current (AC 50 Hz / DC) (1 s; ≤ 300°C) 7.9 kA
Thread M16
Diameter of connection plate 50 mm
Cable NYY-O
Cable cross-section 70 mm²
Cable diameter 17 mm
Borehole cable lug 13 mm
Length 500 mm
DB drawing No. 4 Ebs 15.03.27 - 2
Standard Ril 997.0205A01

Product 419110 was added to Notepad.

Product 419110 was added to the cart.

Part No. 419506 D BEB 11 - L1000 / EBS 15-03-27

GTIN 4013364458444, Customs tariff No. (EU): 85369010, Gross weight: 1.10 kg, PU: 1.00 pc(s)


Images

Additional information

Earthing bridge for earthing large pipes D BEB 11 / EBS 15-03-27
for earthing the reinforcement of concrete parts
approved by DB Netz AG
Material of plate: StSt
Material No.: 1.4301
Material of socket: St / Cu
Material of cable lug: Cu/gal Sn
Material of cable: Cu
Short-circuit current: ≤ 25 kA
Test current: 25 kA / 100 ms
Short-circuit current (AC 50 Hz / DC): 7.9 kA
Thread: M16
Diameter of connection plate: 50 mm
Cable: NYY-O
Cable cross-section : 70 mm²
Cable diameter: 17 mm
Borehole cable lug: 13 mm
Length: 1000 mm
DB drawing No.: 4 Ebs 15.03.27 - 2
Standard: Ril 997.0205A01

Brand: DEHN
Type: D BEB 11 - L1000 / EBS 15-03-27
Part No.: 419506
or equivalent.

 

Technical data

Material of plate StSt
Material No. 1.4301
Material of socket St / Cu
Material of cable lug Cu /gal Sn
Material of cable Cu
Short-circuit current ≤ 25 kA
Test current 25 kA / 100 ms
Short-circuit current (AC 50 Hz / DC) (1 s; ≤ 300°C) 7.9 kA
Thread M16
Diameter of connection plate 50 mm
Cable NYY-O
Cable cross-section 70 mm²
Cable diameter 17 mm
Borehole cable lug 13 mm
Length 1000 mm
DB drawing No. 4 Ebs 15.03.27 - 2
Standard Ril 997.0205A01

Product 419506 was added to Notepad.

Product 419506 was added to the cart.


CuStAl cable earthing connection D BEB 29

The earthing connectors are designed for earthing, return circuits and equipotential bonding in railway line applications. The halogen-free version D BEB 29 / the halogen-free and flame-retardant version D BEB 29-NF – for the external connection of earth connection points and other connection elements – is designed with a cable lug version for M16 connections. These earthing connectors consist of a copper-steel-aluminium cable, thus representing a preventive anti-theft measure. These earthing connectors also have the technical approval of DB Netz AG and can be used there without hesitation in planning. With the halogen-free and flame-retardant version, use in tunnels is possible as per EU regulations.
Special lengths are available on request: up to 500 mm total length in steps of 50 mm and from 500 mm total length in steps of 100 mm.

6 Products

Part No. 419290 D BEB 29 / EBS 15-03-17

GTIN 4013364439627, Customs tariff No. (EU): 85359000, Gross weight: 390.00 g, PU: 1.00 pc(s)


Images

Additional information

Copper-steel-aluminium cable earthing connector
D BEB 29 / EBS 15-03-17
for earthing the reinforcement of concrete parts
approved by DB Netz AG
Material of cable lug: Cu/gal Sn
Material of cable: CuStAl
Short-circuit current: > 25 kA
Test current: 40 kA / 100 ms
Short-circuit current (AC 50 Hz / DC): 12.6 kA
Cable: (N)2X RF CuStAl
Cable cross-section : ≥ 70 mm²
Design: halogen-free
Cable diameter: 17 mm
Borehole cable lug: 17 mm
Length: 500 mm
DB drawing No.: 4 Ebs 15.03.17 - 6 (Bayka)
Standard: Ril 997.0205A01; DIN EN 62561-1

Brand: DEHN
Type: D BEB 29 / EBS 15-03-17
Part No.: 419290
or equivalent.

Certificates

 

Technical data

Material of cable lug Cu /gal Sn
Material of cable Cu St Al
Short-circuit current > 25 kA
Test current 40 kA / 100 ms
Short-circuit current (AC 50 Hz / DC) (1 s; ≤ 300°C) 12.6 kA
Cable (N)2X RF Cu St Al
Cable cross-section ≥ 70 mm²
Design halogen-free
Cable diameter 17 mm
Borehole cable lug 17 mm
Length 500 mm
DB drawing No. 4 Ebs 15.03.17 - 6 (Bayka)
Standard Ril 997.0205A01; DIN EN 62561-1

Product 419290 was added to Notepad.

Product 419290 was added to the cart.

Part No. 419291 D BEB 29-NF / EBS 15-03-17

GTIN 4013364439634, Customs tariff No. (EU): 85359000, Gross weight: 410.00 g, PU: 1.00 pc(s)


Images

Additional information

Copper-steel-aluminium cable earthing connector
D BEB 29-NF / EBS 15-03-17
for earthing the reinforcement of concrete parts
approved by DB Netz AG
Material of cable lug: Cu/gal Sn
Material of cable: CuStAl
Short-circuit current: > 25 kA
Test current: 40 kA / 100 ms
Short-circuit current (AC 50 Hz / DC): 12.6 kA
Cable: B2ca RF CuStAl
Cable cross-section : ≥ 70 mm²
Design: halogen-free and flame-retardant
Cable diameter: 17 mm
Borehole cable lug: 17 mm
Length: 500 mm
DB drawing No.: 4 Ebs 15.03.17 - 6 (Bayka)
Standard: Ril 997.0205A01; DIN EN 62561-1

Brand: DEHN
Type: D BEB 29-NF / EBS 15-03-17
Part No.: 419291
or equivalent.

Certificates

 

Technical data

Material of cable lug Cu /gal Sn
Material of cable Cu St Al
Short-circuit current > 25 kA
Test current 40 kA / 100 ms
Short-circuit current (AC 50 Hz / DC) (1 s; ≤ 300°C) 12.6 kA
Cable B2ca RF Cu St Al
Cable cross-section ≥ 70 mm²
Design halogen-free and flame-retardant
Cable diameter 17 mm
Borehole cable lug 17 mm
Length 500 mm
DB drawing No. 4 Ebs 15.03.17 - 6 (Bayka)
Standard Ril 997.0205A01; DIN EN 62561-1

Product 419291 was added to Notepad.

Product 419291 was added to the cart.

Part No. 419511 D BEB 29 M12 M16 / EBS 15-03-17

GTIN 4013364480513, Customs tariff No. (EU): 85359000, Gross weight: 410.00 g, PU: 1.00 pc(s)


Images

Additional information

Copper-steel-aluminium cable earthing connector
D BEB 29 M12 M16 / EBS 15-03-17
For earthing on components (M16) / railway track (M12)
approved by DB Netz AG
Material of cable lug: Cu/gal Sn
Material of cable: CuStAl
Short-circuit current: > 25 kA
Test current: 40 kA / 100 ms
Short-circuit current (AC 50 Hz / DC): 12.6 kA
Cable: (N)2X RF CuStAl
Cable cross-section : ≥ 70 mm²
Design: halogen-free
Cable diameter: 17 mm
Borehole cable lug: 13 mm for M12 and 17 mm for M16
Length: 500 mm
DB drawing No.: 4 Ebs 15.03.17 - 6 (Bayka)
Standard: Ril 997.0205A01

Brand: DEHN
Type: D BEB 29 M12 M16 / EBS 15-03-17
Part No.: 419511
or equivalent.

 

Technical data

Material of cable lug Cu /gal Sn
Material of cable Cu St Al
Short-circuit current > 25 kA
Test current 40 kA / 100 ms
Short-circuit current (AC 50 Hz / DC) (1 s; ≤ 300°C) 12.6 kA
Cable (N)2X RF Cu St Al
Cable cross-section ≥ 70 mm²
Design halogen-free
Cable diameter 17 mm
Borehole cable lug 13 mm for M12 and 17 mm for M16
Length 500 mm
DB drawing No. 4 Ebs 15.03.17 - 6 (Bayka)
Standard Ril 997.0205A01

Product 419511 was added to Notepad.

Product 419511 was added to the cart.

Part No. 419512 D BEB 29-NF M12 M16 / EBS 15-03-17

GTIN 4013364480520, Customs tariff No. (EU): 85359000, Gross weight: 410.00 g, PU: 1.00 pc(s)


Images

Additional information

Copper-steel-aluminium cable earthing connector
D BEB 29-NF / EBS 15-03-17
for earthing the reinforcement of concrete parts
approved by DB Netz AG
Material of cable lug: Cu/gal Sn
Material of cable: CuStAl
Short-circuit current: > 25 kA
Test current: 40 kA / 100 ms
Short-circuit current (AC 50 Hz / DC): 12.6 kA
Cable: B2ca RF CuStAl
Cable cross-section : ≥ 70 mm²
Design: halogen-free and flame-retardant
Cable diameter: 17 mm
Borehole cable lug: 13 mm for M12 and 17 mm for M16
Length: 500 mm
DB drawing No.: 4 Ebs 15.03.17 - 6 (Bayka)
Standard: Ril 997.0205A01

Brand: DEHN
Type: D BEB 29-NF M12 M16 / EBS 15-03-17
Part No.: 419512
or equivalent.

 

Technical data

Material of cable lug Cu /gal Sn
Material of cable Cu St Al
Short-circuit current > 25 kA
Test current 40 kA / 100 ms
Short-circuit current (AC 50 Hz / DC) (1 s; ≤ 300°C) 12.6 kA
Cable B2ca RF Cu St Al
Cable cross-section ≥ 70 mm²
Design halogen-free and flame-retardant
Cable diameter 17 mm
Borehole cable lug 13 mm for M12 and 17 mm for M16
Length 500 mm
DB drawing No. 4 Ebs 15.03.17 - 6 (Bayka)
Standard Ril 997.0205A01

Product 419512 was added to Notepad.

Product 419512 was added to the cart.

Part No. 419513 D BEB 29 R / EBS 15-03-17

GTIN 4013364480506, Customs tariff No. (EU): 85359000, Gross weight: 410.00 g, PU: 1.00 pc(s)


Images

Additional information

Copper-steel-aluminium cable earthing connector
Twisted on the right version
D BEB 29 R / EBS 15-03-17
for earthing the reinforcement of concrete parts
approved by DB Netz AG
Material of cable lug: Cu/gal Sn
Material of cable: CuStAl
Short-circuit current: > 25 kA
Test current: 40 kA / 100 ms
Short-circuit current (AC 50 Hz / DC): 12.6 kA
Cable: (N)2X RF CuStAl
Cable cross-section : ≥ 70 mm²
Design: halogen-free
Cable diameter: 17 mm
Borehole cable lug: 17 mm
Design cable lug: rotated 90° right
Length: 500 mm
DB drawing No.: 4 Ebs 15.03.17 - 6 (Bayka)
Standard: Ril 997.0205A01; DIN EN 62561-1

Brand: DEHN
Type: D BEB 29 R / EBS 15-03-17
Part No.: 419513
or equivalent.

Certificates

 

Technical data

Material of cable lug Cu /gal Sn
Material of cable Cu St Al
Short-circuit current > 25 kA
Test current 40 kA / 100 ms
Short-circuit current (AC 50 Hz / DC) (1 s; ≤ 300°C) 12.6 kA
Cable (N)2X RF Cu St Al
Cable cross-section ≥ 70 mm²
Design halogen-free
Cable diameter 17 mm
Borehole cable lug 17 mm
Design cable lug rotated 90° right
Length 500 mm
DB drawing No. 4 Ebs 15.03.17 - 6 (Bayka)
Standard Ril 997.0205A01; DIN EN 62561-1

Product 419513 was added to Notepad.

Product 419513 was added to the cart.

Part No. 419514 D BEB 29 L / EBS 15-03-17

GTIN 4013364480537, Customs tariff No. (EU): 85359000, Gross weight: 410.00 g, PU: 1.00 pc(s)


Images

Additional information

Copper-steel-aluminium cable earthing connector
Twisted on the left version
D BEB 29 R / EBS 15-03-17
for earthing the reinforcement of concrete parts
approved by DB Netz AG
Material of cable lug: Cu/gal Sn
Material of cable: CuStAl
Short-circuit current: > 25 kA
Test current: 40 kA / 100 ms
Short-circuit current (AC 50 Hz / DC): 12.6 kA
Cable: (N)2X RF CuStAl
Cable cross-section : ≥ 70 mm²
Design: halogen-free
Cable diameter: 17 mm
Borehole cable lug: 17 mm
Design cable lug: rotated 90° left
Length: 500 mm
DB drawing No.: 4 Ebs 15.03.17 - 6 (Bayka)
Standard: Ril 997.0205A01; DIN EN 62561-1

Brand: DEHN
Type: D BEB 29 L / EBS 15-03-17
Part No.: 419514
or equivalent.

Certificates

 

Technical data

Material of cable lug Cu /gal Sn
Material of cable Cu St Al
Short-circuit current > 25 kA
Test current 40 kA / 100 ms
Short-circuit current (AC 50 Hz / DC) (1 s; ≤ 300°C) 12.6 kA
Cable (N)2X RF Cu St Al
Cable cross-section ≥ 70 mm²
Design halogen-free
Cable diameter 17 mm
Borehole cable lug 17 mm
Design cable lug rotated 90° left
Length 500 mm
DB drawing No. 4 Ebs 15.03.17 - 6 (Bayka)
Standard Ril 997.0205A01; DIN EN 62561-1

Product 419514 was added to Notepad.

Product 419514 was added to the cart.


Adhesive pad

The adhesive pad is used to fix railway earthing products to the formwork by means of an adhesive connection. The adhesive pad can be stuck to the StSt connection plate of D BEB 0 and is then connected to the formwork itself.

1 Product

Part No. 419900 D KLP D50 BEB

GTIN 4013364439641, Customs tariff No. (EU): 39191080, Gross weight: 2.00 g, PU: 1.00 pc(s)


Images

Additional information

Adhesive pad D KLP D50 BEB
for railway earthing products D BEB 0-x
Diameter: 50 mm
Diameter: 50 mm

Brand: DEHN
Type: D KLP D50 BEB
Part No.: 419900
or equivalent.

 

Technical data

Diameter 50 mm

Product 419900 was added to Notepad.

Product 419900 was added to the cart.


Earthing sticker

The earthing sticker is a spare part for marking installed railway earthing products. It is simply stuck to the StSt connection plate. This kind of marking can be used for earthing bridges D BEB 1 to 8 as well as for the D BEB 11 version for earthing large pipes if the sticker applied in the factory has fallen off or is damaged.

1 Product

Part No. 419901 D EAK D50 BEB

GTIN 4013364439658, Customs tariff No. (EU): 39191080, Gross weight: 3.00 g, PU: 1.00 pc(s)


Images

Additional information

Earthing sticker D EAK D50 BEB
for marking installed railway earthing products
Diameter: 50 mm
Diameter: 50 mm

Brand: DEHN
Type: D EAK D50 BEB
Part No.: 419901
or equivalent.

 

Technical data

Diameter 50 mm

Product 419901 was added to Notepad.

Product 419901 was added to the cart.


Hexagon screw

1 Product

Part No. 419902 D SKS M16X30 V4A

GTIN 4013364439689, Customs tariff No. (EU): 85389099, Gross weight: 76.89 g, PU: 1.00 pc(s)


Images

Additional information

Hexagon screw D SKS M16X30 V2A
Material: StSt A4-70
Thread: M16 x 30 mm
Material: StSt (V4A)
Thread: M16 x 30 mm

Brand: DEHN
Type: D SKS M16X30 V4A
Part No.: 419902
or equivalent.

 

Technical data

Material StSt (V4A)
Thread M16 x 30 mm

Product 419902 was added to Notepad.

Product 419902 was added to the cart.


Hexagon nut

1 Product

Part No. 419903 D SKM M16 V4A

GTIN 4013364439696, Customs tariff No. (EU): 73181639, Gross weight: 28.98 g, PU: 1.00 pc(s)


Images

Additional information

Hexagon nut D SKM M16 V2A
Material: StSt A4-70
Thread: M16
Material: StSt (V4A)
Thread: M16

Brand: DEHN
Type: D SKM M16 V4A
Part No.: 419903
or equivalent.

 

Technical data

Material StSt (V4A)
Thread M16

Product 419903 was added to Notepad.

Product 419903 was added to the cart.


Washer

1 Product

Part No. 419904 D SCH A17 V4A

GTIN 4013364574649, Customs tariff No. (EU): 73182200, Gross weight: 9.50 g, PU: 1.00 pc(s)


Images

Additional information

Washer D SCH A17 V2A
Material: StSt A4-70
Outer diameter: 30 mm
Inner diameter: 17 mm
Material: StSt (V4A)
Outer diameter: 30 mm
Inner diameter: 17 mm

Brand: DEHN
Type: D SCH A17 V4A
Part No.: 419904
or equivalent.

 

Technical data

Material StSt (V4A)
Outer diameter 30 mm
Inner diameter 17 mm

Product 419904 was added to Notepad.

Product 419904 was added to the cart.


back to top